电脑桌面
添加小米粒文库到电脑桌面
安装后可以在桌面快捷访问

中考化学复习试验专题突破——化学试验基本操作常见气体的制备收集检验VIP免费

中考化学复习试验专题突破——化学试验基本操作常见气体的制备收集检验_第1页
1/6
中考化学复习试验专题突破——化学试验基本操作常见气体的制备收集检验_第2页
2/6
中考化学复习试验专题突破——化学试验基本操作常见气体的制备收集检验_第3页
3/6
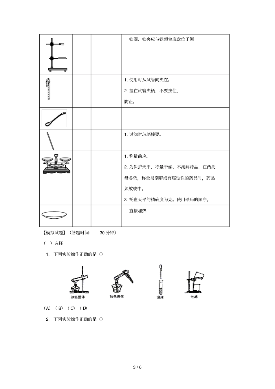
1/6化学实验基本操作及常见气体的制备、收集、检验一.教学内容:1.化学实验基本操作2.常见气体的制备、收集、检验。二.教学过程(一)化学实验基本操作1.固体药品的取用:⑴块状固体或密度较大的金属颗粒用镊子夹取,并让其沿着容器壁缓缓滑到容器底部;⑵粉末状或小颗粒状药品用药匙(或纸槽)取用,量较少时用药匙的小端,较多时用大端;⑶用过的药匙或镊子要立即用干净的纸擦拭干净,以备下次再用。2.液体药品的取用:⑴取细口瓶里的液体药品时,先拿下瓶塞,倒放在桌上;⑵标签要朝向手心,避免残留在瓶口的药液流下来腐蚀标签;⑶取用一定体积液体药品可用量筒取用,读数时量筒必须放平,视线和量筒内液体的凹液面的最低处保持水平;⑷使用滴管取用药品时要注意:取液后应保持橡胶乳头在上,不要平放或倒置,以防试液倒流,腐蚀橡胶乳头。滴管不能伸入试管或烧杯中,应把它悬在上方,以免沾污试管或造成试剂的污染。3.托盘天平的使用:⑴称量前先把游码放在零刻度处,检查天平是否平衡;⑵称量时称量物放在左盘,砝码放在右盘;⑶称量完毕,应把砝码放回砝码盒中,把游码移回零处;⑷干燥的药品放在洁净的纸上称量,易潮解或有腐蚀性的药品放在小烧杯等玻璃器皿里称量。4.酒精灯的使用:⑴向酒精灯里添加酒精时,不能超过其容积的2/3;⑵用完酒精灯,必须用灯帽盖灭,不可用嘴吹灭;⑶绝对禁止向燃着的酒精灯里添加酒精和用燃着的酒精灯引燃另一盏酒精灯,以免失火。5.检查装置的气密性:把导气管的一端浸在水里,两手紧贴容器的外壁,如果导气管口有气泡逸出,松开手,导管中形成一段水柱,则表明装置不漏气。6.物质的加热⑴要用酒精灯的外焰加热,外焰的温度最高;⑵加热时,试管中液体不要超过试管容积1/3,试管口不要对着自己和有人的方向;⑶给固体物质加热,试管口应略向下倾斜。7.仪器的洗涤:洗过的玻璃仪器内壁附着的水既不聚成水滴,也不成股流下时,表示仪器已洗干净。(二)常见气体的制备、收集、检验。2/61.气体的制备要依据反应物的状态、反应发生的条件。2.气体的收集要依据气体的密度和水溶性。3.气体的检验要依据气体的特性。4.实验操作顺序5.气体干燥和净化,先净化后干燥。常用实验仪器:图形名称主要用途使用注意事项1.加热时应先,再。2.加热液体时与桌面呈角,不超过。直接加热,加热时应。1.加热。2.做铁丝与氧气反应实验前应,防止。1.酒精量应不超过容积的。2.使用时“三不”是3.火焰分三层、、,其中温度最高,加热时应用酒精灯。1.读取体积数值时,量筒应,视线跟液体保持水平。2.量筒零刻度,最小刻度在量筒最方3.量筒不能,不能作。1.吸取液体时先,再伸入试剂瓶。2.滴加药液时注意。3.用完应。3/6铁圈、铁夹应与铁架台底盘位于侧1.使用时从试管向夹在。2.握在试管夹柄,不要按住,防止。1.过滤时玻璃棒要。1.称量前应。2.为保护天平,称量干燥、不潮解药品,在两托盘各垫,称量易潮解或有腐蚀性的药品时,药品须放或中。3.托盘天平的精确度为克。使用砝码的顺序。直接加热【模拟试题】(答题时间:30分钟)(一)选择1.下列实验操作正确的是()(A)(B)(C)(D)2.下列实验操作正确的是()4/6(A)(B)(C)(D)3.下列实验操作正确的是()(A)(B)(C)(D)4.下列化学实验操作中,不正确的是()(A)用灯帽盖灭酒精灯的火焰(B)稀释浓硫酸时,将浓硫酸缓缓加到水中,并不断用玻璃棒搅拌(C)将固体氢氧化钠直接放在托盘天平上称量(D)给试管里的固体加热,试管口应稍稍向下倾斜5.某学生测定的下列数据中,不正确的是()(A)用10mL量筒量取了7.5mL水(B)用pH试纸测得某地雨水的pH为5.6(C)用托盘天平称得某固体的质量为16.7g(D)测得某粗盐中氯化钠的质量分数为90.5%6.下列实验操作或事故处理中,正确的是()(A)制气体时,先装药品,后检查装置的气密性(B)碱溶液沾到皮肤上,应立即用抹布擦拭干净,再涂上稀盐酸(C)酒精灯洒出的酒精万一在桌上着火,应立即用湿布盖灭(D)为了节约药品,实验后剩余的药品应立即放回原瓶二.填空1.药品取用:①任何药品取用时不能,不能,更不能。②粉末状及颗粒状固体药品用取用;块...

1、当您付费下载文档后,您只拥有了使用权限,并不意味着购买了版权,文档只能用于自身使用,不得用于其他商业用途(如 [转卖]进行直接盈利或[编辑后售卖]进行间接盈利)。
2、本站所有内容均由合作方或网友上传,本站不对文档的完整性、权威性及其观点立场正确性做任何保证或承诺!文档内容仅供研究参考,付费前请自行鉴别。
3、如文档内容存在违规,或者侵犯商业秘密、侵犯著作权等,请点击“违规举报”。

碎片内容

中考化学复习试验专题突破——化学试验基本操作常见气体的制备收集检验

您可能关注的文档

爱的疯狂+ 关注
实名认证
内容提供者

该用户很懒,什么也没介绍

确认删除?
VIP
微信客服
  • 扫码咨询
会员Q群
  • 会员专属群点击这里加入QQ群
客服邮箱
回到顶部