电脑桌面
添加小米粒文库到电脑桌面
安装后可以在桌面快捷访问

中考化学复习试验专题突破——化学基本试验和科学探究VIP免费

中考化学复习试验专题突破——化学基本试验和科学探究_第1页
1/22
中考化学复习试验专题突破——化学基本试验和科学探究_第2页
2/22
中考化学复习试验专题突破——化学基本试验和科学探究_第3页
3/22
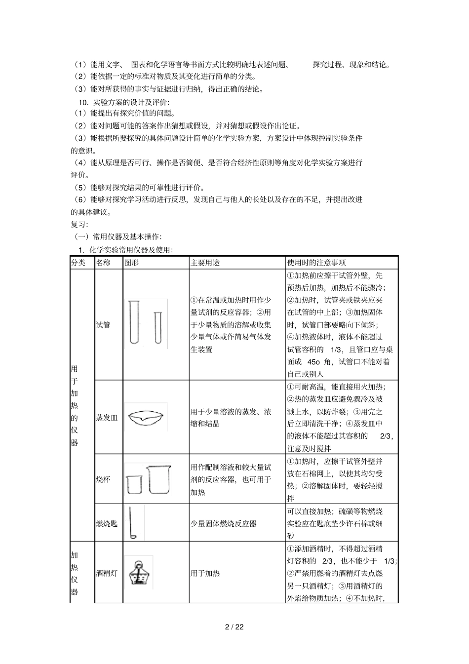
1/22化学基本实验和科学探究1.仪器的使用:了解试管、试管夹、玻璃棒、酒精灯、烧杯、托盘天平、量筒、胶头滴管(滴瓶)、铁架台(含铁夹、铁圈)、集气瓶、水槽、药匙、燃烧匙、坩埚钳、漏斗、长颈漏斗、烧瓶、锥形瓶和蒸发皿等仪器的名称和图形,了解上述仪器的用途和操作简单原理。2.基本操作:(1)了解固体药品和液体药品的取用操作和原理。(2)了解固体药品的称量和液体药品的量取操作和原理。(3)了解固体和液体药品的加热操作和原理。(4)了解仪器连接的操作和原理。(5)了解洗涤玻璃仪器的操作。(6)了解检查装置气密性的操作,理解检查装置气密性的原理。(7)了解排水和排气集气的操作,理解排水和排气集气的原理。(8)了解配制一定溶质质量分数的溶液的操作和原理。(9)知道一般意外事故的处理方法。3.气体的制取:(1)掌握实验室制取氧气的反应原理、装置、操作及其原理。(2)掌握实验室制取二氧化碳的反应原理、装置、操作及其原理。4.物质的性质:(1)了解空气中氧气的体积分数的测定装置、操作,理解该实验的原理。(2)了解碳、磷、硫、铝、铁等物质与氧气反应的现象及操作注意事项。(3)了解实验探究二氧化碳的性质的现象、操作及原理。(4)了解一氧化碳还原氧化铜和氧化铁的反应原理、现象、装置、操作及其原理。(5)了解稀释浓硫酸的操作和原理。(6)了解白磷、浓硫酸、浓盐酸、氢氧化钠的保存方法。5.物质的鉴别:(1)掌握氧气、二氧化碳、氢气、盐酸、硫酸、碳酸盐的鉴别方法。(2)能用pH试纸和酸碱指示剂鉴别酸溶液和碱溶液。(3)了解农村常用化肥的鉴别方法。(4)了解区分棉纤维、羊毛纤维和合成纤维(如腈纶)织成的布料的实验方法。6.混合物的分离:(1)了解石油的分馏、空气的分离的原理。(2)了解吸附、沉淀、过滤、蒸馏等净化水的常用方法。(3)了解实验室制取蒸馏水的装置、操作和原理。(4)掌握过滤和蒸发的装置、操作和原理。(5)知道粗盐提纯的操作和原理。7.对科学探究的认识:(1)了解科学探究的基本过程应该经历提出问题、查资料、猜想与假设、设计实验方案、进行实验操作、观察并记录实验现象和分析并得出结论等阶段。(2)知道科学探究可以通过实验、观察等多种手段获取事实和证据。8.对现象和原理的分析:(1)能够对实验现象进行分析并得出结论。(2)能够分析得出实验药品、仪器、装置的选择原理和实验操作的原理。9.填探究报告和归纳能力:2/22(1)能用文字、图表和化学语言等书面方式比较明确地表述问题、探究过程、现象和结论。(2)能依据一定的标准对物质及其变化进行简单的分类。(3)能对所获得的事实与证据进行归纳,得出正确的结论。10.实验方案的设计及评价:(1)能提出有探究价值的问题。(2)能对问题可能的答案作出猜想或假设,并对猜想或假设作出论证。(3)能根据所要探究的具体问题设计简单的化学实验方案,方案设计中体现控制实验条件的意识。(4)能从原理是否可行、操作是否简便、是否符合经济性原则等角度对化学实验方案进行评价。(5)能够对探究结果的可靠性进行评价。(6)能够对探究学习活动进行反思,发现自己与他人的长处以及存在的不足,并提出改进的具体建议。复习:(一)常用仪器及基本操作:1.化学实验常用仪器及使用:分类名称图形主要用途使用时的注意事项用于加热的仪器试管①在常温或加热时用作少量试剂的反应容器;②用于少量物质的溶解或收集少量气体或作简易气体发生装置①加热前应擦干试管外壁,先预热后加热,加热后不能骤冷;②加热时,试管夹或铁夹应夹在试管的中上部;③加热固体时,试管口部要略向下倾斜;④加热液体时,液体不能超过试管容积的1/3,且管口应与桌面成45o角,试管口不能对着自己或别人蒸发皿用于少量溶液的蒸发、浓缩和结晶①可耐高温,能直接用火加热;②热的蒸发皿应避免骤冷及被溅上水,以防炸裂;③用完之后立即清洗干净;④蒸发皿中的液体不能超过其容积的2/3,注意及时搅拌烧杯用作配制溶液和较大量试剂的反应容器,也可用于加热①加热时,应擦干试管外壁并放在石棉网上,以使其均匀受热;②溶解固体时,要轻轻搅拌燃烧匙少量固体燃烧反应...

1、当您付费下载文档后,您只拥有了使用权限,并不意味着购买了版权,文档只能用于自身使用,不得用于其他商业用途(如 [转卖]进行直接盈利或[编辑后售卖]进行间接盈利)。
2、本站所有内容均由合作方或网友上传,本站不对文档的完整性、权威性及其观点立场正确性做任何保证或承诺!文档内容仅供研究参考,付费前请自行鉴别。
3、如文档内容存在违规,或者侵犯商业秘密、侵犯著作权等,请点击“违规举报”。

碎片内容

中考化学复习试验专题突破——化学基本试验和科学探究

您可能关注的文档

文库响当当+ 关注
实名认证
内容提供者

该用户很懒,什么也没介绍

确认删除?
VIP
微信客服
  • 扫码咨询
会员Q群
  • 会员专属群点击这里加入QQ群
客服邮箱
回到顶部