电脑桌面
添加小米粒文库到电脑桌面
安装后可以在桌面快捷访问

中考化学考点分析:溶质质量分数VIP免费

中考化学考点分析:溶质质量分数_第1页
1/5
中考化学考点分析:溶质质量分数_第2页
2/5
中考化学考点分析:溶质质量分数_第3页
3/5
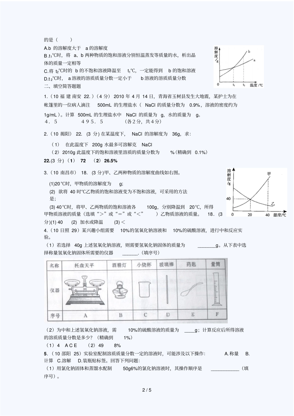
1/5中考考点21溶质质量分数一、选择题1.(10陕西)13.NaCl和KNO3在不同温度时的溶解度如下:温度/℃0102030405060溶解度/gNaCl35.735.836.036.336.637.037.3KNO313.320.931.645.863.985.5110下列说法正确的是【C】A.10℃时,将40gNaCl固体加入l00g水中,可得到l40gNaCl溶液B.KNO3和NaCl的溶解度受温度的影响都很大C.将30℃的KNO3饱和溶液升温至60℃,会变成不饱和溶液D.20℃时,NaCl饱和溶液的溶质质量分数为36%2.(10肇庆市)9.几种物质的溶解度曲线如右图。则下列说法正确的是()A.氯化铵的溶解度最大B.随着温度升高,硫酸钠的溶解度不断增大C.40℃时硫酸钠饱和溶液溶质的质量分数为50%D.把40℃时饱和溶液降温到20℃,硫酸钠析出晶体最多3.(10南京市)15.两种不含结晶水的固体物质a、b的溶解度曲线如图,下列说法正确的是A.b的溶解度小于a的溶解度B.分别将t2℃时a、b两种物质的溶液降温至t1℃,肯定都有晶体析出c.要从含有少量a的b溶液中得到较多的b晶体,通常可采用降温结晶的方法D.在t2℃时,用a、b两种固体和水分别配制等质量的两种物质的饱和溶液,需要量取相同体积的水4.【10桂林11】用固体氯化钠配制100g10%的氯化钠溶液,不需要使用的仪器是A.玻璃棒B.石棉网C.烧杯D.量筒5.【10桂林21】下列说法正确的是A.钠离子的电子数多于钠原子的电子数B.氢氧化钠能去除油污,可直接用做厨房的清洁剂C.把100g12%的硫酸配制成6%的硫酸,需加水100gD.100g16%硫酸铜溶液与100g8%的氢氧化钠溶液反应,所得溶液质量为200g6.(2010·甘肃兰州,20)实验室用密度为1.84g/cm3、质量分数为98%的浓硫酸和蒸馏水,配制500g质量分数为20%的稀硫酸。需要用多少mL的量筒量取多少mL的浓硫酸?A.100mL54.35mLB.100mL55.5mLC.250mL54.35mLD.250mL55.5mL7.(10哈尔滨11).右图是a、b两种固体物质(不含结晶水)的溶解度曲线。下列说法正确0t1t2温度/℃溶解度/gba氯化铵温度/C溶解度/g2030405060203040506070硫酸钠氯化钠2/5的是()A.b的溶解度大于a的溶解度B.t1℃时,将a、b两种物质的饱和溶液分别恒温蒸发等质量的水,析出晶体的质量一定相等C.将t2℃时的b的不饱和溶液降温至t1℃,一定能得到b的饱和溶液D.t2℃时,a溶液的溶质质量分数一定小于b溶液的溶质质量分数二、填空简答题题1.(10福建南安22.)(4分)2010年4月14日,青海省玉树县发生大地震,某护士为在帐篷里的一位病人滴注500mL的生理盐水(NaCl的质量分数为0.9%,溶液的密度约为1g/mL)。计算500mL的生理盐水中NaCl的质量为g,水的质量为g。4.5495.5(各2分,共4分)2.(10揭阳)22.(3分)在某温度下,NaCl的溶解度为36g,求:(1)在此温度下200g水最多可溶解克NaCl(2)2010g此温度下的饱和溶液里溶质的质量分数为%(精确到0.1%)22.(3分)(1)72(2)26.5%3.(10南昌市)18.(3分)甲、乙两种物质的溶解度曲线如右图。(1)20℃时,甲物质的溶解度为g;(2)欲将40时℃乙物质的饱和溶液变为不饱和溶液,可采用的方法是;(3)40℃时,将甲、乙两物质的饱和溶液各100g,分别降温到20℃,所得甲物质溶液的质量(选填“>”或“=”或“<”)乙物质溶液的质量。18.(3分)(1)40(2)加水或降温(3)<4.(10日照29)某兴趣小组需要10%的氢氧化钠溶液和10%的硫酸溶液,进行中和反应实验。(1)若选择40g上述氢氧化钠溶液,则需要氢氧化钠固体的质量为_______g。从下表中选择称量氢氧化钠固体所需要的仪器______.(填序号)(2)为中和上述氢氧化钠溶液,需10%的硫酸溶液的质量为____g;计算反应后所得溶液的溶质质量分数是多少?(精确到1%)(1)4ACE(2)498%5.(10邵阳25)实验室配制溶质质量分数一定的溶液时,可能涉及以下操作:A.称量B.计算C.溶解D.装瓶贴标签。回答下列问题:(1)用氯化钠固体和蒸馏水配制50g6%的氯化钠溶液时,其操作顺序是___________(填序号)。3/5ABC0t120t2温度/℃g40溶解度(2)配制上述溶液需要用到的玻璃仪器有量筒、玻璃棒和________,其中玻璃棒在该实验中所起的作用是______________。(1)BACD(2)烧杯搅拌,加速溶解6.(10内江3)农业上经常用16%的食盐溶液来选种,如果溶...

1、当您付费下载文档后,您只拥有了使用权限,并不意味着购买了版权,文档只能用于自身使用,不得用于其他商业用途(如 [转卖]进行直接盈利或[编辑后售卖]进行间接盈利)。
2、本站所有内容均由合作方或网友上传,本站不对文档的完整性、权威性及其观点立场正确性做任何保证或承诺!文档内容仅供研究参考,付费前请自行鉴别。
3、如文档内容存在违规,或者侵犯商业秘密、侵犯著作权等,请点击“违规举报”。

碎片内容

中考化学考点分析:溶质质量分数

您可能关注的文档

爱的疯狂+ 关注
实名认证
内容提供者

该用户很懒,什么也没介绍

确认删除?
VIP
微信客服
  • 扫码咨询
会员Q群
  • 会员专属群点击这里加入QQ群
客服邮箱
回到顶部