电脑桌面
添加小米粒文库到电脑桌面
安装后可以在桌面快捷访问

船舶焊接工艺VIP免费

船舶焊接工艺_第1页
1/10
船舶焊接工艺_第2页
2/10
船舶焊接工艺_第3页
3/10
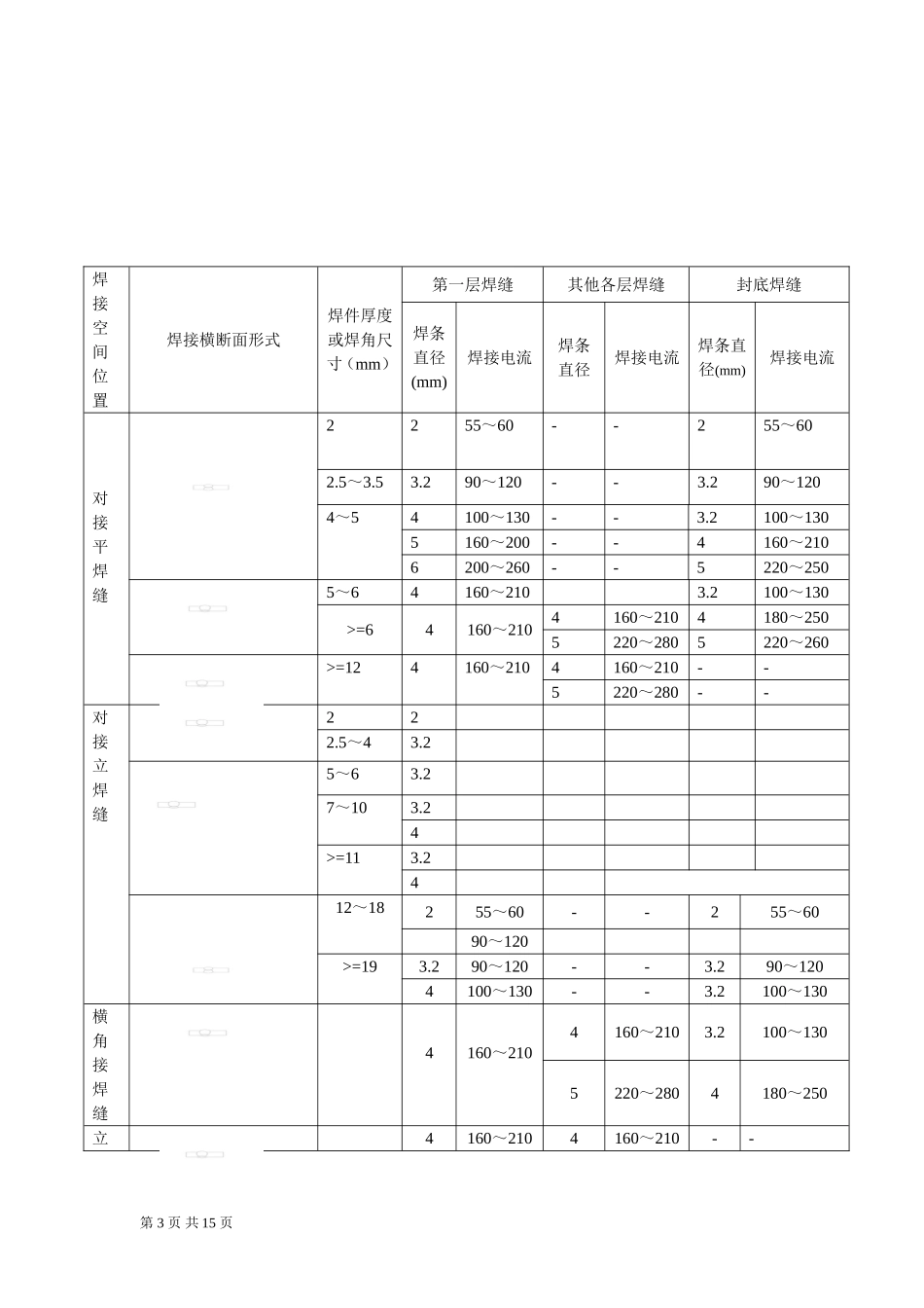
南通亚华船舶制造有限公司船舶焊接工艺QW-YH-JS-032006年6月28日发布2006年7月1日实施第1页共15页批准审核编制版本:A修订次:0□□□状态:分发号:1.编制说明:船舶焊接施工工艺是船体施工工艺中的一项重要内容,为了保证公司产品的质量,要求公司有关人员按照此标准严格执行。本工艺由焊接工艺、焊接作业控制、焊条的领用、焊接材料使用部位的一般规定及使用不锈钢焊条的一般要求等内容组成。2.船体焊接工艺2.1焊接是本公司生产过程中的关键工序。要求施工人员严格遵照焊接施工工艺的要求进行焊接。如施工中工艺与下列焊接工艺船级社认可文件不符合,需得公司总工程师及技术人员认可并在试验的基础上才能采纳。2.2焊接工艺船级社认可文件(附焊接工艺船级社认可文件目录)2.2.1手工电弧焊角接焊(J507)的施工工艺按照“G16-HDF07”执行。2.2.2手工电弧焊角焊(J507,J422)的施工工艺按照“G17-HDF03”执行。2.2.3埋弧自动焊施工工艺按照“G16-HDF01”执行。2.2.4手工电弧焊对接焊(J422)的施工工艺按照“G17-HDF02”执行。2.2.5埋弧自动焊与手工电弧焊仰焊对接焊相结合的施工工艺按照“G16-HDF05”执行。2.2.6手工电弧焊:平焊的施工工艺按照“G16-HDF010”执行。2.2.7手工电弧焊:横焊的施工工艺按照“G16-HDF011”执行。2.2.8手工电弧焊:立焊的施工工艺按照“G16-HDF012”执行。2.2.9手工电弧焊:仰焊的施工工艺按照“G16-HDF013”执行。2.2.10手工电弧焊对接焊(J507)25mm钢板,70mm锻件按照“G17-HDF04~05”执行。2.2.11二氧化碳保护焊打底单面埋弧自动焊(25mm)施工工艺按照“G16-HDF08”执行。2.2.12二氧化碳保护焊打底单面埋弧自动焊(14mm)施工工艺按照“G16-HDF14”执行。2.2.13二氧化碳保护焊打底单面埋弧自动焊(8mm)施工工艺按照“G16-HDF15”执行。2.2.14二氧化碳保护焊打底双面埋弧自动焊(25mm)施工工艺按照“G16-HDF09”执行。2.2.15二氧化碳保护焊打底双面埋弧自动焊(14mm)施工工艺按照“G16-HDF16”执行。2.216二氧化碳保护焊打底双面埋弧自动焊(8mm)施工工艺按照“G16-HDF17”执行。2.3焊接工艺参数焊接工艺参数主要是指焊条直径、焊接电流、电弧电压、焊接速度等。而电弧电压和焊接速度,在手工电弧焊中不作原则规定,可根据具体情况掌握。根据我公司的具体工作条件和技术熟练程度,对手工电弧焊的焊接工艺参数做如下规定:2.3.1手工电弧焊适用的焊接工艺参数第2页共15页焊接空间位置焊接横断面形式焊件厚度或焊角尺寸(mm)第一层焊缝其他各层焊缝封底焊缝焊条直径(mm)焊接电流焊条直径焊接电流焊条直径(mm)焊接电流对接平焊缝2255~60--255~602.5~3.53.290~120--3.290~1204~54100~130--3.2100~1305160~200--4160~2106200~260--5220~2505~64160~2103.2100~130>=64160~2104160~2104180~2505220~2805220~260>=124160~2104160~210--5220~280--对接立焊缝222.5~43.25~63.27~103.24>=113.2412~18255~60--255~6090~120>=193.290~120--3.290~1204100~130--3.2100~130横角接焊缝4160~2104160~2103.2100~1305220~2804180~250立4160~2104160~210--第3页共15页角接焊缝5220~280--2.3.2自动埋弧焊盖面焊接工艺参数板厚电压电流备注736~39450~550U形坡口836~39450~550937~39525~6251037~39550~6501137~39575~6751237~39600~7001437~39650~7501637~39700~8001837~39750~850V形坡口1937~39750~8502037~39800~8502237~39800~8502537~39800~8502837~39850~9003037~39850~9003237~39850~9003537~39850~9002.3.3C02气体保护焊3.焊接作业控制3.1有技术部和质检部共同确定无损伤探伤位置,技术部画出“焊缝无损伤位置图”发生产部、质检部及船级社验船师。3.2焊工作业时除携带必要的焊接工具、防护用品外,还应携带电焊榔头、焊缝钢丝刷等辅助工具。3.3作业前,应首先检查焊机,使其保持完好状态由分管建造师或组长向焊工交代焊条型号规格、焊接形式、焊角大小、电流、电压等技术参数及要求。3.4施焊前,焊工应对焊接部位进行检查,清洁。3.5施焊过程中,施焊人员应严格按照《焊接工...

1、当您付费下载文档后,您只拥有了使用权限,并不意味着购买了版权,文档只能用于自身使用,不得用于其他商业用途(如 [转卖]进行直接盈利或[编辑后售卖]进行间接盈利)。
2、本站所有内容均由合作方或网友上传,本站不对文档的完整性、权威性及其观点立场正确性做任何保证或承诺!文档内容仅供研究参考,付费前请自行鉴别。
3、如文档内容存在违规,或者侵犯商业秘密、侵犯著作权等,请点击“违规举报”。

碎片内容

船舶焊接工艺

您可能关注的文档

确认删除?
VIP
微信客服
  • 扫码咨询
会员Q群
  • 会员专属群点击这里加入QQ群
客服邮箱
回到顶部