电脑桌面
添加小米粒文库到电脑桌面
安装后可以在桌面快捷访问

中考试题汇编酸碱盐VIP免费

中考试题汇编酸碱盐_第1页
1/11
中考试题汇编酸碱盐_第2页
2/11
中考试题汇编酸碱盐_第3页
3/11
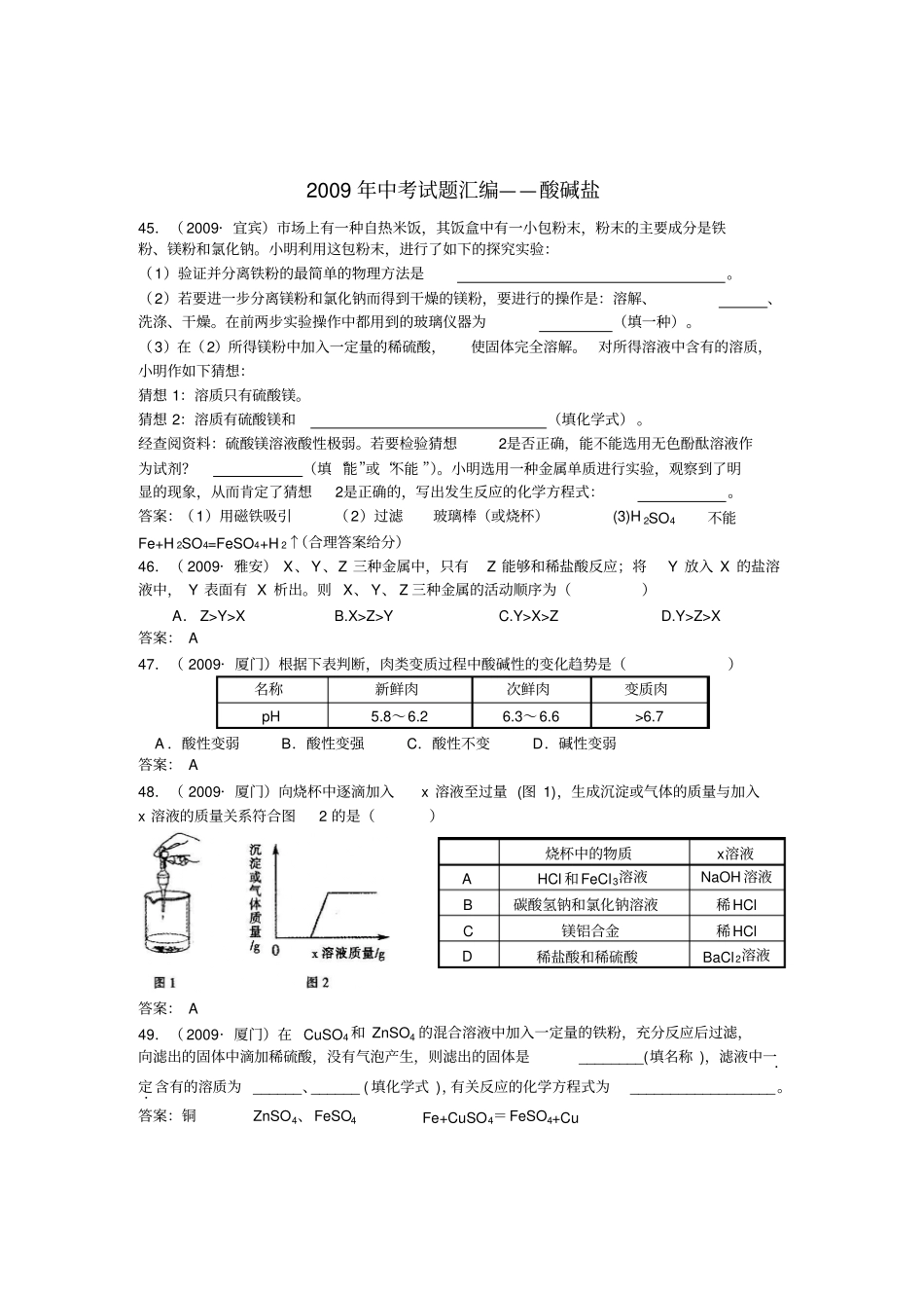
2009年中考试题汇编——酸碱盐45.(2009·宜宾)市场上有一种自热米饭,其饭盒中有一小包粉末,粉末的主要成分是铁粉、镁粉和氯化钠。小明利用这包粉末,进行了如下的探究实验:(1)验证并分离铁粉的最简单的物理方法是。(2)若要进一步分离镁粉和氯化钠而得到干燥的镁粉,要进行的操作是:溶解、、洗涤、干燥。在前两步实验操作中都用到的玻璃仪器为(填一种)。(3)在(2)所得镁粉中加入一定量的稀硫酸,使固体完全溶解。对所得溶液中含有的溶质,小明作如下猜想:猜想1:溶质只有硫酸镁。猜想2:溶质有硫酸镁和(填化学式)。经查阅资料:硫酸镁溶液酸性极弱。若要检验猜想2是否正确,能不能选用无色酚酞溶液作为试剂?(填“能”或“不能”)。小明选用一种金属单质进行实验,观察到了明显的现象,从而肯定了猜想2是正确的,写出发生反应的化学方程式:。答案:(1)用磁铁吸引(2)过滤玻璃棒(或烧杯)(3)H2SO4不能Fe+H2SO4=FeSO4+H2↑(合理答案给分)46.(2009·雅安)X、Y、Z三种金属中,只有Z能够和稀盐酸反应;将Y放入X的盐溶液中,Y表面有X析出。则X、Y、Z三种金属的活动顺序为()A.Z>Y>XB.X>Z>YC.Y>X>ZD.Y>Z>X答案:A47.(2009·厦门)根据下表判断,肉类变质过程中酸碱性的变化趋势是()名称新鲜肉次鲜肉变质肉pH5.8~6.26.3~6.6>6.7A.酸性变弱B.酸性变强C.酸性不变D.碱性变弱答案:A48.(2009·厦门)向烧杯中逐滴加入x溶液至过量(图1),生成沉淀或气体的质量与加入x溶液的质量关系符合图2的是()答案:A49.(2009·厦门)在CuSO4和ZnSO4的混合溶液中加入一定量的铁粉,充分反应后过滤,向滤出的固体中滴加稀硫酸,没有气泡产生,则滤出的固体是________(填名称),滤液中一.定.含有的溶质为______、______(填化学式),有关反应的化学方程式为__________________。答案:铜ZnSO4、FeSO4Fe+CuSO4=FeSO4+Cu烧杯中的物质x溶液AHCl和FeCl3溶液NaOH溶液B碳酸氢钠和氯化钠溶液稀HClC镁铝合金稀HClD稀盐酸和稀硫酸BaCl2溶液50.(2009·山西)实验测得某些食物的近似pH如下,下列说法正确的是()食物泡菜葡萄番茄苹果牛奶玉米粥pH3.44.24.43.16.57.8A、牛奶和玉米粥均属于碱性食物B、胃酸过多的人应少食泡菜C、番茄的酸性比苹果强D、用湿润的pH试纸蘸取葡萄汁测其pH答案:B51.(2009·山西)下列四种金属中,有一种金属的盐溶液与其它三种金属都能发生转换反应,这种金属是()A、AgB、CuC、FeD、Mg答案:A52.(2009·山西)已知A、B、C、D、E分别是稀盐酸、氢氧化钠溶液、硫酸铜溶液、氧化铁和一氧化碳中的一种,E是实验室一种常见溶液,它们之间的关系如图所示,“------”两端的物质在一定条件下可以反应。请回答:(1)C的一种用途是_________;D、E反应的化学方程式为________________________。(2)上述各物质间的反应均可用“甲+乙→丙+丁”表示,其中不属于四种基本反应类型,但能用上式表示的一个化学方程式是_______________。(3)若B、C、D、E都不变,五种物质之间的关系也不变,A还可能是________。答案:(1)除铁锈2NaOH+CuSO4=Na2SO4+Cu(OH)2↓(2)3CO+FeO32Fe+3CO2(3)C(或H2)53.(2009·乐山)结合下表中所列物质的pH判断,在下列各组物质中,分别能使紫色石蕊溶液变红、不变色、变蓝的是物质酱油厕所清洁剂血浆牙膏肥皂水橘汁草木灰水柠檬汁pH4.81.77.48.29.23.510.62.5A.柠檬汁、食盐水、厕所清洁剂B.牙膏、蒸馏水、肥皂水C.草木灰、蒸馏水、柠檬汁D.橘汁、食盐水、草木灰水答案:D54.(2009·乐山)右图是“△△牌发酵粉”的部分信息,课外化学兴趣小组的同学对其进行了如下探究(请你完成相应填空):【查阅资料】(1)酒石酸是一种易溶解于水的固体有机酸;(2)发酵粉能够使面团松软、发泡是因为发酵粉产生了CO2所致;(3)Na2CO3受热不分解。【提出问题】NaHCO3在发酵粉加水或加热时如何产生CO2?【猜想】甲.⋯⋯乙.酒石酸与NaHCO3在溶液中反应产生CO2高温EDABC丙.NaHCO3加热产生CO2【实验探究】(1)小明同学取少量NaHCO3粉末于试管中,加入适量水,无气体产生,从而否定了猜想甲,则猜想甲是。小明又将酒石...

1、当您付费下载文档后,您只拥有了使用权限,并不意味着购买了版权,文档只能用于自身使用,不得用于其他商业用途(如 [转卖]进行直接盈利或[编辑后售卖]进行间接盈利)。
2、本站所有内容均由合作方或网友上传,本站不对文档的完整性、权威性及其观点立场正确性做任何保证或承诺!文档内容仅供研究参考,付费前请自行鉴别。
3、如文档内容存在违规,或者侵犯商业秘密、侵犯著作权等,请点击“违规举报”。

碎片内容

中考试题汇编酸碱盐

您可能关注的文档

确认删除?
VIP
微信客服
  • 扫码咨询
会员Q群
  • 会员专属群点击这里加入QQ群
客服邮箱
回到顶部