电脑桌面
添加小米粒文库到电脑桌面
安装后可以在桌面快捷访问

五星级酒店各部门数据参数VIP专享VIP免费

五星级酒店各部门数据参数_第1页
1/12
五星级酒店各部门数据参数_第2页
2/12
五星级酒店各部门数据参数_第3页
3/12
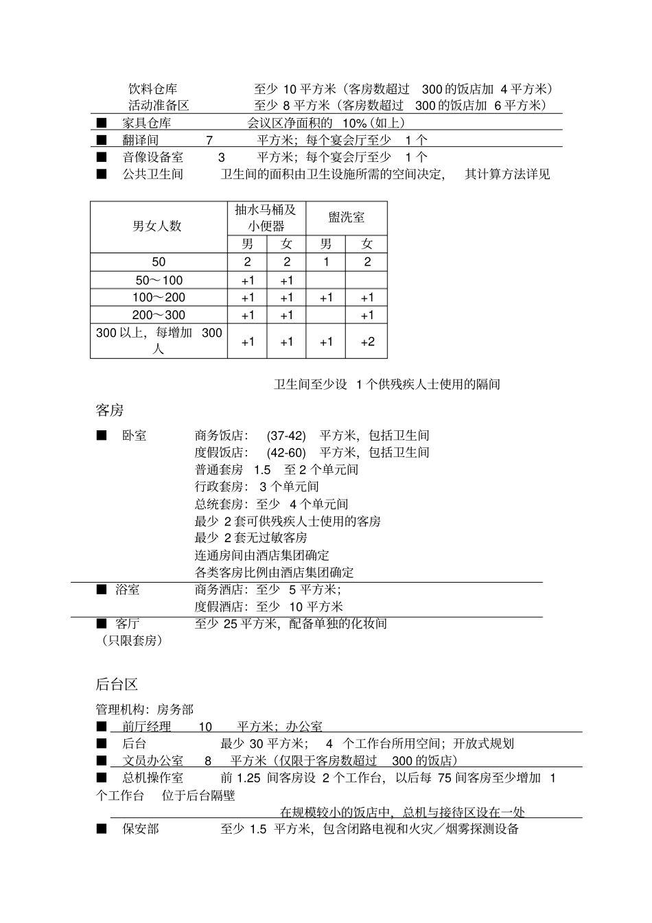
规划设计及数据标准公共区域■酒店大堂200平方米,房间数超过300的,每个房间再加上0.6平方米■总服务台每个台位1.5米(前125间客房要2个台位,之后每75间客房增加1个台位)柜台后侧与后墙间最小净距1.50米柜台高1.15米柜台台面最小宽度为0.40米工作台高0.92米工作台最小宽度为0.72米存包架高0.70米■问讯台每个台位1.50米■门童站5平方米■行李存放处每间客房0.05平方米,不小于20平方米■接待服务台每个台位1.50米■团体旅客登记柜台不小于4平方米■行政楼层登记柜台不小于2.50平方米■衣帽间不小于4平方米■贵重物品存放室不小于2.50平方米■保险箱检视区不小于4平方米■公共卫生间男女分设,各不小于5.5平方米(残疾人士可用,2套卫生设备)■走廊到会议设施的走廊宽度不小于3.0米到餐饮设施的走廊宽度不小于2.4米客房楼层单行走廊宽度不小于1.6米客房楼层双行走廊宽度不小于1.8米健身美容区的走廊宽度不小于1.2米■客用电梯每70间客房配备1部电梯;至少2部客用电梯。客用电必须配备供残疾人使用的装置。为客房提供服务的客用电梯不应停靠停车区楼层。·平台:2.10米(宽)×1.85米(深)·内部净面积:2.00米(宽)×1.60米(深)·净宽1.05米(中间净宽)·客用电梯净高至少为2.60米(高)■电梯层站最少2.50米宽(可采用当地更为严格的规范)■出口楼梯最少1.20米宽(可采用当地更为严格的规范)■出口走廊最少1.50米宽(可采用当地更为严格的规范)■礼品店仅销售杂货的商店最少5平方米销售精品及杂货的商店最少20平方米■商务中心每个最少30平方米;餐饮设施■全天营业餐厅至少50个座位,2平方米/座位,不包括展示区域(带有烹调展示)■特色/风味餐厅2.50平方米/座位■特色/风味餐厅2.70平方米/座位,不包括烹调展示区域(带有烹调展示)■主酒吧1.80平方米/座位(带有娱乐休闲室)■大堂酒廊2.0平方米/座位(不带娱乐设施)■其他酒吧、俱乐部、休息室会议区/商务中心各项目由于有着不同的可行性以及位置与运营上的特殊要求,功能区的总面积也会有所不同。会议区净面积(NCA)=(董事厅+会议室+功能区)的总面积会议区使用面积(OL)=NCA/1.50管道面积(PL)=OL×0.66×0.60■宴会前厅约占宴会厅的35%■会议室前厅约占会议室的35%■宴会服务经理12平方米;办公室办公室■董事厅总面积=客房数×0.15每间平均面积=30平方米2.50平方米/座位■会议室总面积=客房数×0.50每间平均面积=70平方米1.80平方米/座位■大宴会厅/功能区总面积=客房数×2.20■宴会厨房会议区净面积的20%■服务酒吧至少30平方米(如下)包括以下部分:服务区至少8平方米(客房数超过300的饭店加2平方米)固定仓库至少4平方米(客房数超过300的饭店加2平方米)饮料仓库至少10平方米(客房数超过300的饭店加4平方米)活动准备区至少8平方米(客房数超过300的饭店加6平方米)■家具仓库会议区净面积的10%(如上)■翻译间7平方米;每个宴会厅至少1个■音像设备室3平方米;每个宴会厅至少1个■公共卫生间卫生间的面积由卫生设施所需的空间决定,其计算方法详见男女人数抽水马桶及小便器盥洗室男女男女50221250~100+1+1100~200+1+1+1+1200~300+1+1+1300以上,每增加300人+1+1+1+2卫生间至少设1个供残疾人士使用的隔间客房■卧室商务饭店:(37-42)平方米,包括卫生间度假饭店:(42-60)平方米,包括卫生间普通套房1.5至2个单元间行政套房:3个单元间总统套房:至少4个单元间最少2套可供残疾人士使用的客房最少2套无过敏客房连通房间由酒店集团确定各类客房比例由酒店集团确定■浴室商务酒店:至少5平方米;度假酒店:至少10平方米■客厅至少25平方米,配备单独的化妆间(只限套房)后台区管理机构:房务部■前厅经理10平方米;办公室■后台最少30平方米;4个工作台所用空间;开放式规划■文员办公室8平方米(仅限于客房数超过300的饭店)■总机操作室前1.25间客房设2个工作台,以后每75间客房至少增加1个工作台位于后台隔壁在规模较小的饭店中,总机与接待区设在一处■保安部至少1.5平方米,包含闭路电视和火灾/烟雾探测设备位于后台附近仅用于客房数多于300间的酒店信息技术部■计算机房20平方米■I...

1、当您付费下载文档后,您只拥有了使用权限,并不意味着购买了版权,文档只能用于自身使用,不得用于其他商业用途(如 [转卖]进行直接盈利或[编辑后售卖]进行间接盈利)。
2、本站所有内容均由合作方或网友上传,本站不对文档的完整性、权威性及其观点立场正确性做任何保证或承诺!文档内容仅供研究参考,付费前请自行鉴别。
3、如文档内容存在违规,或者侵犯商业秘密、侵犯著作权等,请点击“违规举报”。

碎片内容

五星级酒店各部门数据参数

爱的疯狂+ 关注
实名认证
内容提供者

该用户很懒,什么也没介绍

确认删除?
VIP
微信客服
  • 扫码咨询
会员Q群
  • 会员专属群点击这里加入QQ群
客服邮箱
回到顶部