电脑桌面
添加小米粒文库到电脑桌面
安装后可以在桌面快捷访问

交联聚乙烯绝缘电力电缆有关参数VIP免费

交联聚乙烯绝缘电力电缆有关参数_第1页
1/41
交联聚乙烯绝缘电力电缆有关参数_第2页
2/41
交联聚乙烯绝缘电力电缆有关参数_第3页
3/41
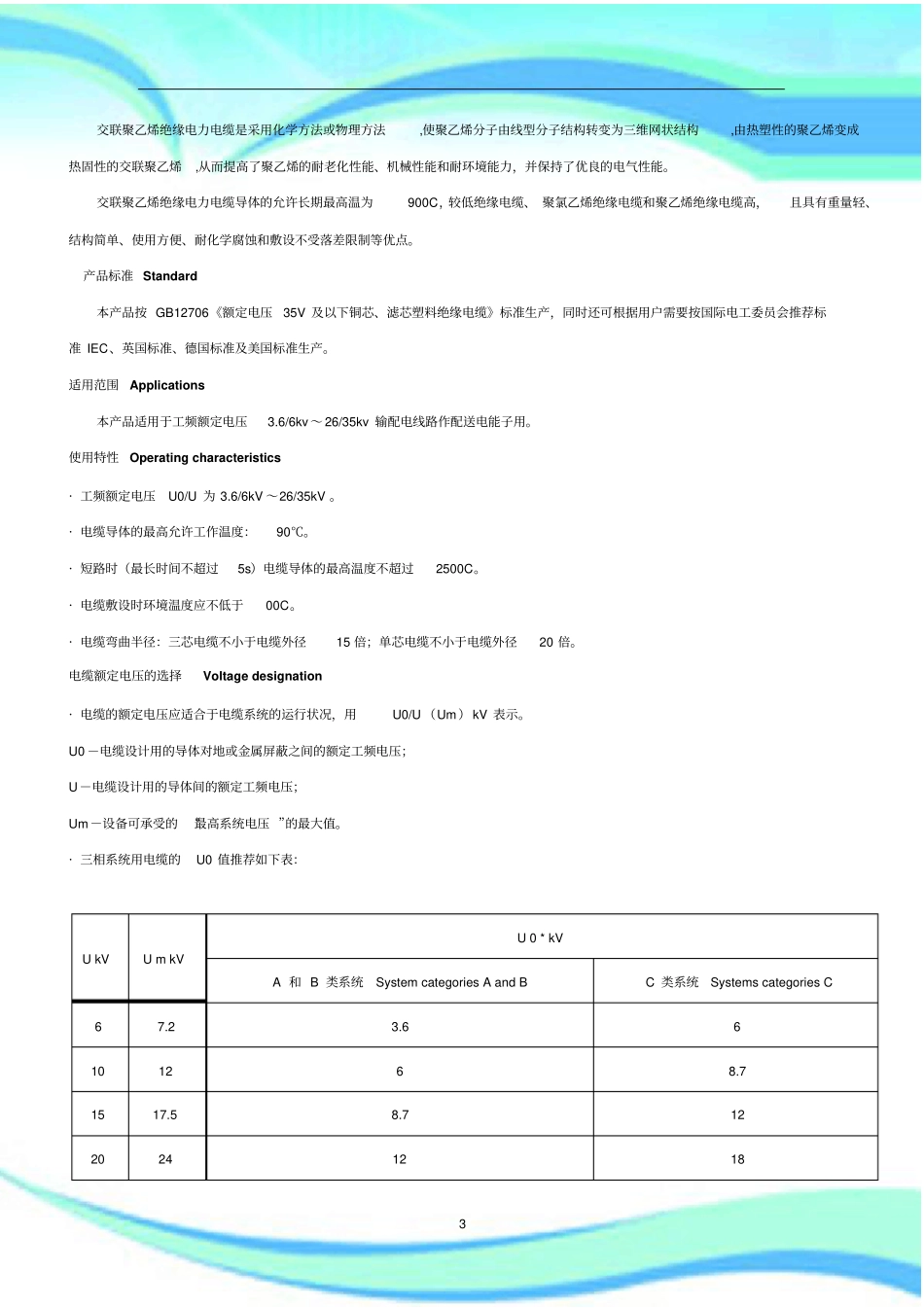
交联聚乙烯绝缘电力电缆有关参数2————————————————————————————————作者:————————————————————————————————日期:3交联聚乙烯绝缘电力电缆是采用化学方法或物理方法,使聚乙烯分子由线型分子结构转变为三维网状结构,由热塑性的聚乙烯变成热固性的交联聚乙烯,从而提高了聚乙烯的耐老化性能、机械性能和耐环境能力,并保持了优良的电气性能。交联聚乙烯绝缘电力电缆导体的允许长期最高温为900C,较低绝缘电缆、聚氯乙烯绝缘电缆和聚乙烯绝缘电缆高,且具有重量轻、结构简单、使用方便、耐化学腐蚀和敷设不受落差限制等优点。产品标准Standard本产品按GB12706《额定电压35V及以下铜芯、滤芯塑料绝缘电缆》标准生产,同时还可根据用户需要按国际电工委员会推荐标准IEC、英国标准、德国标准及美国标准生产。适用范围Applications本产品适用于工频额定电压3.6/6kv~26/35kv输配电线路作配送电能子用。使用特性Operatingcharacteristics·工频额定电压U0/U为3.6/6kV~26/35kV。·电缆导体的最高允许工作温度:90℃。·短路时(最长时间不超过5s)电缆导体的最高温度不超过2500C。·电缆敷设时环境温度应不低于00C。·电缆弯曲半径:三芯电缆不小于电缆外径15倍;单芯电缆不小于电缆外径20倍。电缆额定电压的选择Voltagedesignation·电缆的额定电压应适合于电缆系统的运行状况,用U0/U(Um)kV表示。U0-电缆设计用的导体对地或金属屏蔽之间的额定工频电压;U-电缆设计用的导体间的额定工频电压;Um-设备可承受的“最高系统电压”的最大值。·三相系统用电缆的U0值推荐如下表:UkVUmkVU0*kVA和B类系统SystemcategoriesAandBC类系统SystemscategoriesC67.23.66101268.71517.58.712202412184303618-3540.52126*:.A类系统──该类系统任何一相导体与地和接地导体接触时,能在1min内与系统分离B类系统──该类系统仅包括单相接地故障短时运行的条件,接地故障时间应不超过1h,但在任何情况下,最长不超过8h每年接地故障总持续时间不超过125h;C类系统──不属于A类、B类的系统。电缆的型号Typeofcable型号Type名称Designation适用范围ApplicationYJV铜芯交联聚乙烯绝缘氯乙烯护套电力电缆室内、隧道及电缆沟等场所,不能承受机械外力。单芯电缆不允许敷设在磁性管道中。YJLY铝芯交联聚乙烯绝缘乙烯护套电力电缆YJY铜芯交联聚乙烯绝缘氯乙烯护套电力电缆YJLY铝芯交联聚乙烯绝缘氯乙烯护套电力电缆YJV22铜芯交联聚乙烯绝缘钢带铠装聚氯乙烯护套电力电缆室内、隧道、电缆沟内,或埋地敷设等,能承受一定机械外力,但不能承受大的拉力。YJLV22铝芯交联聚乙烯绝缘钢带铠装聚氯乙烯护套电力电缆YJV23铜芯交联聚乙烯绝缘钢带铠装聚氯乙烯护套电力电缆YJLV23铝芯交联聚乙烯绝缘钢带铠装聚氯乙烯护套电力电缆YJV32铜芯交联聚乙烯绝缘细钢丝铠装聚氯乙烯护套电力电缆室内、隧道、电缆沟、竖井或埋地敷设等,能承受机械外力和一定的拉力。YJLV32铝芯交联聚乙烯绝缘细钢丝铠装聚氯乙烯护套电力电缆YJV33铜芯交联聚乙烯绝缘细钢丝铠装聚氯乙烯护套5电力电缆YJLV33铝芯交联聚乙烯绝缘钢带铠装聚氯乙烯护套电力电缆生产范围Productionrangeofcable型号芯数额定电压kV3.6/66/66/108.7/108.7/1512/2018/2018/3021/3526/35导体标称截面mm2YJVYJLVYJYYJLY125-80025-80025-80035-80050-63050-63050-630325-63025-63025-50035-50050-40050-40050-400YJV22YJLV22YJY23YJLY23125-80025-80025-80035-80050-63050-63050-630325-63025-63025-50035-50050-40050-40050-400YJV32YJLV32YJY33YJLY33125-80025-80025-80035-80050-63050-63050-630325-63025-63025-40035-40050-24050-18550-150电缆结构图67电缆结构尺寸Construction891011121314151617181920212223242526272829303132333435363738394041

1、当您付费下载文档后,您只拥有了使用权限,并不意味着购买了版权,文档只能用于自身使用,不得用于其他商业用途(如 [转卖]进行直接盈利或[编辑后售卖]进行间接盈利)。
2、本站所有内容均由合作方或网友上传,本站不对文档的完整性、权威性及其观点立场正确性做任何保证或承诺!文档内容仅供研究参考,付费前请自行鉴别。
3、如文档内容存在违规,或者侵犯商业秘密、侵犯著作权等,请点击“违规举报”。

碎片内容

交联聚乙烯绝缘电力电缆有关参数

爱的疯狂+ 关注
实名认证
内容提供者

该用户很懒,什么也没介绍

确认删除?
VIP
微信客服
  • 扫码咨询
会员Q群
  • 会员专属群点击这里加入QQ群
客服邮箱
回到顶部