电脑桌面
添加小米粒文库到电脑桌面
安装后可以在桌面快捷访问

交通标志标线规范VIP免费

交通标志标线规范_第1页
1/10
交通标志标线规范_第2页
2/10
交通标志标线规范_第3页
3/10
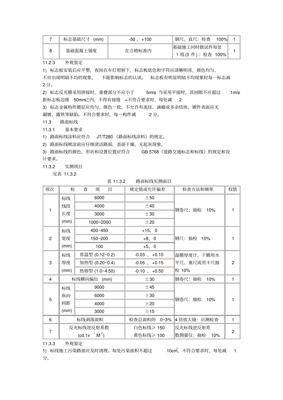
11交通安全设施11.1一般规定11.1.1交通安全设施产品须经有资质的检测机构检测,取得合格证,并经工地检验确认满足设计要求后方可使用。11.1.2用绿篱作隔离栅时,其质量和检验评定标准可参照第12章的有关规定。11.1.3桥梁混凝土护栏见第8章的有关规定。11.1.4本章未包括的其他交通安全设施工程项目,可根据设计文件和其他相关规范另行制订检验评定标准。11.1.5交通安全设施采用钢质材料时,必须进行防腐处理。11.1.6构件用螺栓组合时,材料的规格与质量应符合设计要求。11.2交通标志11.2.1基本要求1)交通标志的制作应符合GB5768(道路交通标志和标线)和JT/T279《公路交通标志板技术条件》的规定。2)交通标志在运输、安装过程中不应损伤标志面及金属构件的镀层。3)标志的位置、数量及安装角度应符合设计要求。4)大型标志的地基承载力应符合设计要求。大型标志柱、梁的焊接部分应符合钢结构焊接规范的质量要求,无裂缝、未熔合、夹渣等缺陷。5)标志面应平整完好,无起皱、开裂、缺损或凹凸变形,标志面任一处面积为50cm×50cm表面上,不得存在总面积大于10mm2的一个或一个以上气泡。6)反光膜应尽可能减少拼接,任何标志的字符不允许拼接,当标志板的长度或宽度、圆形标志的直径小于反光膜产品的最大宽度时,底膜不应有拼接缝。当粘贴反光膜不可避免出现接缝时,应按反光膜产品的最大宽度进行拼接。11.2.2实测项目见表11.2.2。表11.2.2交通标志实测项目项次检查项目规定值或允许偏差检查方法和频率权值1标志板外形尺寸(mm)±5。当边长尺寸大于1.2m时允许偏差为边长的±0.5%;三角形内角应为60°土5°钢卷尺、万能角尺、卡尺:检查100%1标志底板厚度(mm)不小于设计2标志汉字、数字、拉丁字的字体及尺寸(mm)应符合规定字体,基本字高不小于设计字体与标准字体对照,字高用钢卷尺:检查10%13标志面反光膜等级及逆反射系数(cd.1x-1·m-2)反光膜等级符合设计。逆反射系数值不低于JT/T279《公路交通标志板技术条件》规定反光膜等级用目测初定。便携式测定仪:检查100%24标志板下缘至路面净空高度及标志板内缘距路边缘距离(mm)+100,0直尺、水平尺或经纬仪:检查100%15立柱竖直度(mm/m)±3垂线、直尺:检查100%16标志金属构件镀层厚度(um)标志柱、横梁≥78,紧固件≥50测厚仪:检查100%27标志基础尺寸(mm)-50,+100钢尺、直尺:检查100%18基础混凝土强度在合格标准内基础施工同时做试件每处1组(3件):检查100%111.2.3外观鉴定1)标志板安装后应平整,夜间在车灯照射下,标志板底色和字符应清晰明亮,颜色均匀,不应出现明暗不均的现象,不能影响标志的认读。标志板有明显明暗不均现象时每一标志减2分。2)标志反光膜采用拼接时,重叠部分不应小于5mm。当采用平接时,其间隙不应超过1mm。距标志板边缘50mm之内,不得有接缝+不符合要求时,每处减23)标志金属构件镀层应均匀、颜色一致,不允许有流挂、滴瘤或多余结块,镀件表面应无漏镀、露铁等缺陷。不符合要求时,每一构件减2分。11.3路面标线11.3.1基本要求1)路面标线涂料应符合JT/T280《路面标线涂料》的规定。2)路面标线喷涂前应仔细清洁路面,表面干燥,无起灰现象。3)路面标线的颜色、形状和设置位置应符合GB5768《道路交通标志和标线》的规定和设计要求。11.3.2实测项目见表11.3.2表11.3.2路面标线实测面目项次检查项目规定值或允许偏差检查方法和频率权值1标线线段长度(mm)6000±50钢卷尺;抽检10%14000±403000±301000~2000±202标线宽度(mm)400~450+15,0钢尺:抽检10%1150~200+8,0100+5,03标线厚度(mm)常温型(0.12~0.2)-0.03,+0.10湿膜厚度计,干膜用水平尺、塞尺或用卡尺抽检10%2加热型(0.20~0.4)-0.05,+0.15热熔型(1.0~4.50)-0.10,+0.504标线横向偏位(mm)±30钢卷尺:抽检10%15标线纵向间距(mm)9000±45钢卷尺:抽检10%16000±304000±203000±156标线剥落面积检查总面积的0~3%4倍放大镜:目测检查17反光标线逆反射系数(cd.1x-1.M-2)白色标线≥150黄色标线≥100反光标线逆反射系数测量仪:抽检10%211.3.3外观鉴定1)标线施工污染路面应及时清理。每处污染面积不超过10cm2,不符合要求时,每处减1分。2)标线线形应流畅,与道路线...

1、当您付费下载文档后,您只拥有了使用权限,并不意味着购买了版权,文档只能用于自身使用,不得用于其他商业用途(如 [转卖]进行直接盈利或[编辑后售卖]进行间接盈利)。
2、本站所有内容均由合作方或网友上传,本站不对文档的完整性、权威性及其观点立场正确性做任何保证或承诺!文档内容仅供研究参考,付费前请自行鉴别。
3、如文档内容存在违规,或者侵犯商业秘密、侵犯著作权等,请点击“违规举报”。

碎片内容

交通标志标线规范

您可能关注的文档

确认删除?
VIP
微信客服
  • 扫码咨询
会员Q群
  • 会员专属群点击这里加入QQ群
客服邮箱
回到顶部