电脑桌面
添加小米粒文库到电脑桌面
安装后可以在桌面快捷访问

室外地上式消火栓安装图VIP免费

室外地上式消火栓安装图_第1页
1/64
室外地上式消火栓安装图_第2页
2/64
室外地上式消火栓安装图_第3页
3/64
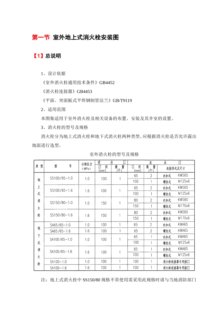
第一节室外地上式消火栓安装图【1】总说明1、设计依据《室外消火栓通用技术条件》GB4452《消火栓连接器》GB4453《平面、突面板式平焊钢制管法兰》GB/T91192、适用范围本图集适用于室外消火栓及相关设备的布置、安装及其井室的设置。3、消火栓的型号及规格消火栓分为地上式消火栓和地下式消火栓两种类型。应根据消火栓是否允许露出地面进行选型。室外消火栓的型号及规格注:地上式消火栓中SS150/80规格不常使用需采用此规格时请与当地消防部门联系。4、消火栓的结构及特点(1)消火栓一般由栓体、内置出水阀、泄水装置、法兰接管和弯管底座等组成。(2)消火栓进水口采用法兰连接。(3)消火栓出水口与消防水带采用内扣式连接与消防车吸水管采用螺纹连接。SA100-1.0和SA100-1.6型消火栓与消火栓连接器采用快速接头方式连接。(4)检修蝶阀采用对夹式连接。检修闸间采用法兰连接。(5)压力为1.0MPa的弯管底座与给水管道、给水管道相互之间除特别注明外均采用承插连接。1)压力为1.6MPa的弯管底座与给水管道、给水管道相互之间除特别注明外均采用法兰连接。2)压力为1.0MPa的铸铁消火栓三通与给水管道采用承插连接。3)钢制消火栓三通、等径钢制弯头采用法兰连接。法兰连接尺寸执行国家标准《平面、突面板式平焊钢制管法兰》GB/T9119。(6)为适应冰冻深度的需要在消火栓栓体中间、内置出水间之上可按档加设法兰接管每档250mm。覆土深度最多不得大于3m(订货时应说明法兰接管的长度)。(7)消火栓设有自动泄水装置当内置出水间关闭时自动放空消火栓内留存的积水以防消火栓冻裂。(8)法兰接管、弯管底座、等径钢制弯头、消火栓三通和检修蝶闲(对夹式蝶阀)均由消火栓厂配套供货。5、消火栓安装形式(1)消火栓的安装形式分为支管安装和干管安装。支管安装又分为浅装和深装。地上式消火栓干管安装形式根据是否设有检修蝶阀和阀门井室分为I型和II型。(2)消火栓给水管道覆土深度的选择应考虑地面荷载并需使消火栓泄水口位于冰冻线以下。(3)支管浅装:1)消火栓安装在支管上且管道覆土深度≤1000mm。2)地上式消火栓:消火栓下部直埋检修闸阀设闸阀套筒。适用于冰冻深度≤200mm。3)地下式消火栓:消火栓上部设砖砌井室下部直埋检修闸阀设闸阀套简。适用于冰冻深度≤400mm。(4)支管深装:1)消火栓安装在支管上且支管覆土深度>1000mm。2)地上式消火栓:消火栓下部直埋检修闸阀设闸井。3)地下式消火栓:消火栓位于井室内在栓体下部设有检修蝶阀。消火栓通过弯管底座与给水支管连接。(5)干管安装:1)消火栓安装在给水干管上。2)地上式消火栓:①I型安装:消火栓下部直埋通过消火栓三通与给水干管连接。②II型安装:消火栓下部直埋设有检修蝶阀和阀门井室通过弯头和消火栓三通与给水干管连接。3)地下式消火栓:消火栓位于井室内,在栓体下部设有检修蝶阀通过消火栓三通与给水干管连接。(6)为了便于检修消火栓在地下式消火栓支管浅装的安装形式中增设了检修闸阀及闸阔套筒,在地下式消火栓的支管深装和干管安装的安装形式中增设了检修蝶阀当给水干管允许短时间停水时也可将增设的检修阀门取消。6、闸阀井、井盖、支座、保温井口、爬梯的选用及做法(1)无地下水时,选用砖砌圆形立式闸阀井;有地下水时,选用混凝土圆形立式闸阀井。(2)圆形立式闸阀井的做法和要求详见国标图集07MS101-2井盖及支座、保温井口、爬梯等做法和要求详见国标图集06MS201-6、7。7、施工及安装要求(1)安装形式为浅装的消火栓从干管接出的支管宜尽量短。(2)消火栓弯管底座或消火栓三通下设支墩,支墩必须托紧弯管或三通底部。(3)当泄水口位于井室之外时应在泄水口处做卵石渗水层师石粒径为20~30mm铺设半径不小于500mm,铺设深度自泄水口以上200mm至槽底。铺设卵石时应注意保护好泄水装置。【2】室外地上式消火栓安装图(55100/65型支管浅装)【2.1】平面图【2.2】1-1剖面图【2.3】主要设备及材料表【2.4】说明【3】室外地上式消火栓安装图(55150/80型支管浅装)【3.1】平面图【3.2】1-1剖面图【3.3】主要设备及材料表【3.4】说明【4】室外地上式消火栓安装图(SS100/65型支管深装)【4.1】平面图...

1、当您付费下载文档后,您只拥有了使用权限,并不意味着购买了版权,文档只能用于自身使用,不得用于其他商业用途(如 [转卖]进行直接盈利或[编辑后售卖]进行间接盈利)。
2、本站所有内容均由合作方或网友上传,本站不对文档的完整性、权威性及其观点立场正确性做任何保证或承诺!文档内容仅供研究参考,付费前请自行鉴别。
3、如文档内容存在违规,或者侵犯商业秘密、侵犯著作权等,请点击“违规举报”。

碎片内容

室外地上式消火栓安装图

确认删除?
VIP
微信客服
  • 扫码咨询
会员Q群
  • 会员专属群点击这里加入QQ群
客服邮箱
回到顶部