电脑桌面
添加小米粒文库到电脑桌面
安装后可以在桌面快捷访问

级配碎石垫层施工方案VIP免费

级配碎石垫层施工方案_第1页
1/9
级配碎石垫层施工方案_第2页
2/9
级配碎石垫层施工方案_第3页
3/9
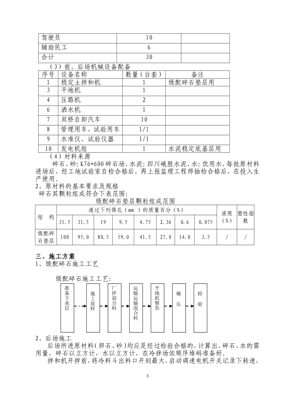
省道455线色达亚龙至甘孜县锣锅梁子段公路改建工程级配碎石专项施工方案编制:审核:四川川交路桥工程有限公司色锣路B标项目部二零一七年七月三十一日1级配碎石垫层专项施工方案一、工程概况省道455线色达亚龙至甘孜县锣锅梁子段公路改建工程,位于甘孜州色达县和甘孜县境内,是甘孜县至色达县的重要连接通道。本项目路线起于甘孜县奶龙山与A合同段段路(K54+700)相接,路线途经甘孜县奶龙山、四通达乡、炉霍县充古乡,止于甘孜县下雄乡锣锅梁子。路线全长46.81公里。该工程主要由路基工程、涵洞工程、砌筑防护工程、路面工程、桥梁工程组成,其中路面结构采用3.5cm厚SBS-13C上面层+4cm厚AC-16C下面层+18cm厚水泥稳定碎石基层+18cm厚水泥稳定碎石底基层+15cm厚级配碎石垫层,级配碎石工程量:488259m2,。二、施工准备1、准备工作组织工程,试验人员分组进行路基交验工作,在路基表面应无离析及弹簧现象,同时路基宽度、高程、压实度、弯沉、横坡等各项检测指标应符合设计要求,软土地基地段应对工后沉降进行评定,结合沉降观测资料,确保路基连续两个月沉降速率小于规定值。(1)前场人员配备:职务名称配备人数(人)备注施工员2水准司仪2记录、计算1立尺1指挥卸料1平地机手1压路机手1试验人员2辅助民工10合计20(2)后场人员配备职务名称配备人数(人)备注施工员1控制室2装载机手2修理工2试验员22驾驶员10辅助民工6合计30(3)前、后场机械设备配备序号设备名称数量(台套)备注1稳定土拌和机1级配碎石垫层用3平地机14压路机26洒水机17双桥自卸汽车108管理用车、试验用车1/19水准仪、试验仪器1/110发电机组1水泥稳定底基层用(4)材料来源碎石、砂:K76+600碎石场,水泥:四川峨胜水泥,水:饮用水,每批原材料进场后,经工地试验室自检合格后,再上报监理工程师抽检合格后,在投入生产使用。2、原材料的基本要求及规格碎石其颗粒组成符合下表范围:级配碎石垫层颗粒组成范围结构通过下列筛孔(mm)的质量百分(%)液限(%)塑性指数31.531.5199.54.752.360.60.075级配碎石垫层10095.080.559.041.527.014.03.5//三、施工方案1、级配碎石施工工艺级配碎石施工工艺:2、后场施工后场所进原材料(卵石、砂)均应是经过检验合格的,计算出、碎石、水的需用量,碎石以立方计,水以立方计,在冷拌场依顺序堆码准备好。拌和机开拌前,将冷料斗出料口开到最大,启动调速电机开关记录下转速,3准备下承层施工放样厂拌混合料运输运输混合料平地机整形碾压检验让级配碎石在传送带上成带状分布,截取传送带长1m范围内的级配碎石称重,重复以上步骤,使拌和机产量达到600t/h后待机。根据设计配合比,调试用水控制器,使用水达到设计要求的最佳含水量后待机,调试完毕后,试拌一次测定级配、含水量、如有误差则个别调整后再试拌,直至完全满足设计要求。另外,考虑运输途中含水量的流失,拌和时含水量应略大于最佳含水量。3、前场施工(1)对路床按质量检验标准验收,恢复中线,下承层必须满足相应的质量指标,对下承层进行彻底清扫,并适量洒水,保持下承层湿润,同时用石灰标出两条边线,在两侧路基边缘外0.4m处设置标桩,标桩上用红油漆标出垫层边缘15cm高时的设计高和顶面设计高并预留松铺厚度(松铺系数按1.25),在铺筑地段用石灰按计算划出车方布料网格经计算,垫层15cm厚每10m用料约23m3,每车实际装载约7.5m3,则每10米布料约3车。布料方式如下:网格布料线道路中线10m10m(2)实施(1)运至前场的级配碎石垫层混合料,由专人指挥卸料,使之尽量布置均匀,以保证平地机平整后满足预计松铺厚度的要求,平地机根据边桩高度均匀摊铺,首先用压路机静压一遍后,进行第一遍振压,完成后纵向10米,横向每行车道边缘点和交界点放样测定高程,进行复平、复压,精平、精压,直至满足规范和设计要求为止。在整个过程中,工序应紧密衔接,安排要合理,以缩短混合料从出厂到碾压成形的时间。(2)碾压规则碾压程序:静压—微振—强振—静压碾压原则:先轻后重,先慢后快,先边后中,先低后高。直线段由两侧路肩向路中心碾压,超高地段由内侧向外侧进行碾压。压路机在碾压过程中,每次重叠1/3轮宽...

1、当您付费下载文档后,您只拥有了使用权限,并不意味着购买了版权,文档只能用于自身使用,不得用于其他商业用途(如 [转卖]进行直接盈利或[编辑后售卖]进行间接盈利)。
2、本站所有内容均由合作方或网友上传,本站不对文档的完整性、权威性及其观点立场正确性做任何保证或承诺!文档内容仅供研究参考,付费前请自行鉴别。
3、如文档内容存在违规,或者侵犯商业秘密、侵犯著作权等,请点击“违规举报”。

碎片内容

级配碎石垫层施工方案

您可能关注的文档

确认删除?
VIP
微信客服
  • 扫码咨询
会员Q群
  • 会员专属群点击这里加入QQ群
客服邮箱
回到顶部