电脑桌面
添加小米粒文库到电脑桌面
安装后可以在桌面快捷访问

制冷课后习题VIP免费

制冷课后习题_第1页
1/27
制冷课后习题_第2页
2/27
制冷课后习题_第3页
3/27
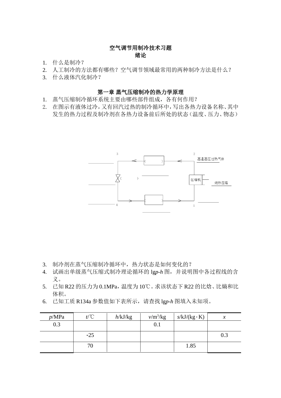
空气调节用制冷技术习题绪论1.什么是制冷?2.人工制冷的方法都有哪些?空气调节领域最常用的两种制冷方法是什么?3.什么液体汽化制冷?第一章蒸气压缩制冷的热力学原理1.蒸气压缩制冷循环系统主要由哪些部件组成,各有何作用?2.在图示有液体过冷,又有回汽过热的制冷循环中,写出各热力设备名称、其中发生的热力过程及制冷剂在各热力设备前后所处的状态(温度、压力、物态)3.制冷剂在蒸气压缩制冷循环中,热力状态是如何变化的?4.试画出单级蒸气压缩式制冷理论循环的lgp-h图,并说明图中各过程线的含义。5.已知R22的压力为0.1MPa,温度为10℃。求该状态下R22的比焓、比熵和比体积。6.已知工质R134a参数值如下表所示,请查找lgp-h图填入未知项。p/MPat/℃h/kJ/kgv/m3/kgs/kJ/(kg×K)x0.30.1-250.3701.857.什么单位容积制冷能力、跨临界循环8.有一个单级蒸气压缩式制冷系统,高温热源温度为30℃,低温热源温度为-15℃,分别采用R22和R717为制冷剂,试求其工作时理论循环的性能指标。9.单级蒸气压缩式制冷实际循环与理论循环有何区别?试说明针对这些区别应如何改善理论循环。10.什么是回热循环?它对制冷循环有何影响?11.某空调用制冷系统,制冷剂为氨,所需制冷量为48kW,空调用冷水温度tc=10℃,冷却水温度tw=32℃,试进行制冷剂的热力计算。计算中取蒸发器端部传热温差δt0=5℃,冷凝器端部传热温差δtk=8℃,节流前制冷剂液体过冷度δtsc=5℃,吸气管路有害过热度δtsh=5℃,压缩机容积效率ηv=0.8,指示效率ηi=0.8。12.在同一T-S图上绘出理想循环(逆卡诺循环)与理论循环的循环过程,比较两种循环,指出理论循环有哪些损失(在图中用阴影面积表示)。针对这些损失说明如何改善蒸汽压缩制冷的理论循环。13.活塞式压缩机,制冷量为1120kw,各状态点参数如下:h1=1780kJ/kg,ν1=0.25m3/kg,h2=1950kJ/kg,h4=650kJ/kg,计算q0、qk、qv、wc、Mr、φk、Pth、εth。14.液体过冷对循环各性能参数有何影响?15.如何确定双级压缩制冷循环的最佳中间压力?16.什么叫中间完全冷却、中间不完全冷却?17.什么是复叠式制冷循环?为什么要采用复叠式制冷循环?18.制冷剂在通过节流元件时压力降低,温度也大幅下降,可以认为节流过程近似为绝热过程,那么制冷剂降温时的热量传给了谁?19.压缩机吸气管道中的热交换和压力损失对制冷循环有何影响?20.请说明制冷剂的单位质量制冷能力q0和单位容积制冷能力qv的关系;在相同的工作条件下,不同制冷剂的q0与qv是否相同,为什么?21.热泵循环的供热系数μ与制冷循环的制冷系数ε有何区别,二者之间有无关系22.某R22制冷循环,其蒸发温度为0℃,冷凝温度为35℃,膨胀阀前的液体温度为30℃,压缩机吸入干饱和蒸汽,试计算该理论循环的制冷系数εth及制冷效率ηR。23.将一级节流、中间不完全冷却的双级压缩制冷循环表示在lgp-h和T-s图上,并推导该循环的理论制冷系数εth的计算公式。24.在图1-27所示的R22一级节流、中间不完全冷却双级压缩式制冷循环中,其冷凝温度为35℃,蒸发温度为-38℃,膨胀阀2前的液体温度为30℃,膨胀阀1前的液体温度为0℃,低压级压缩机的吸气过热度为5℃。1(1)请画出如图所示制冷系统的压焓图。(2)请问中间压力取多少较为适宜?(3)欲获得10Rt(冷吨,1Rt≈3.86kW)的制冷量,请问:高、低压级压缩机的实际输气量各为多少m3/s?(4)该制冷循环的理论耗功率为多少kW?25.一台单级蒸气压缩制冷机工作在高温热源为40℃、低温热源温度为-20℃之间试求分别用R134a,R22,R717工作时理论循环的性能指标。26,蒸气压缩制冷循环系统主要由哪些部件组成,各有何作用?27.制冷剂在蒸气压缩制冷循环中,热力状态是如何变化的?28.什么是回热循环?它对制冷循环有何影响?29.某空调用制冷系统,制冷剂为氨,所需制冷量为48kW,空调用冷水温度tc=10℃,冷却水温度tw=32℃,试进行制冷剂的热力计算。计算中取蒸发器端部传热温差δt0=5℃,冷凝器端部传热温差δtk=8℃,节流前制冷剂液体过冷度δtsc=5℃,吸气管路有害过热度δtsh=5℃,压缩机容积效率ηv=0.8,指示效率ηi=0.8。30.在同一T-S图上绘出理想循环(逆卡诺循环)与理论循环...

1、当您付费下载文档后,您只拥有了使用权限,并不意味着购买了版权,文档只能用于自身使用,不得用于其他商业用途(如 [转卖]进行直接盈利或[编辑后售卖]进行间接盈利)。
2、本站所有内容均由合作方或网友上传,本站不对文档的完整性、权威性及其观点立场正确性做任何保证或承诺!文档内容仅供研究参考,付费前请自行鉴别。
3、如文档内容存在违规,或者侵犯商业秘密、侵犯著作权等,请点击“违规举报”。

碎片内容

制冷课后习题

您可能关注的文档

确认删除?
VIP
微信客服
  • 扫码咨询
会员Q群
  • 会员专属群点击这里加入QQ群
客服邮箱
回到顶部