电脑桌面
添加小米粒文库到电脑桌面
安装后可以在桌面快捷访问

土方工程签证单VIP免费

土方工程签证单_第1页
1/5
土方工程签证单_第2页
2/5
土方工程签证单_第3页
3/5
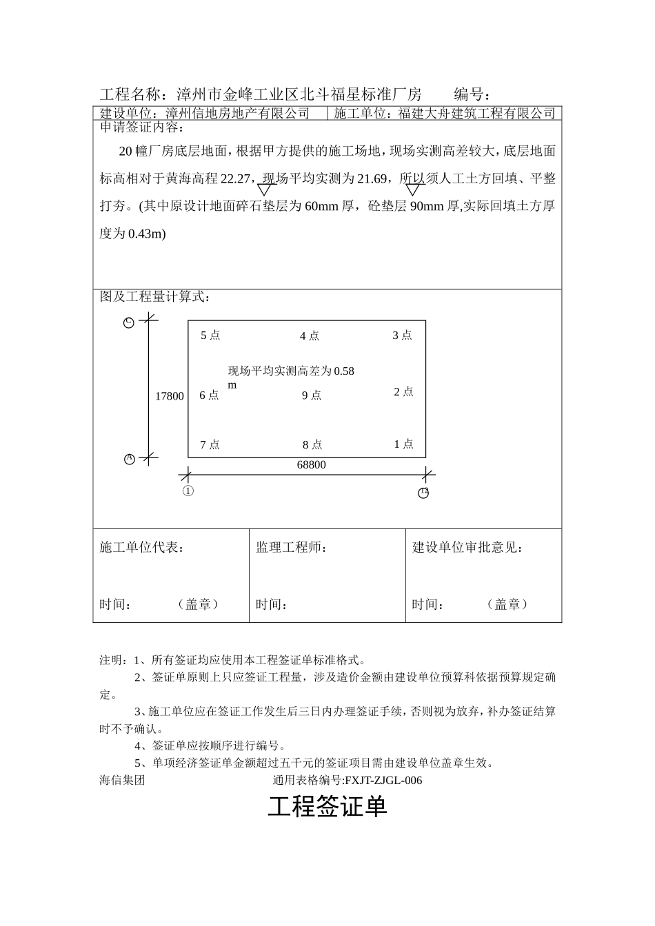
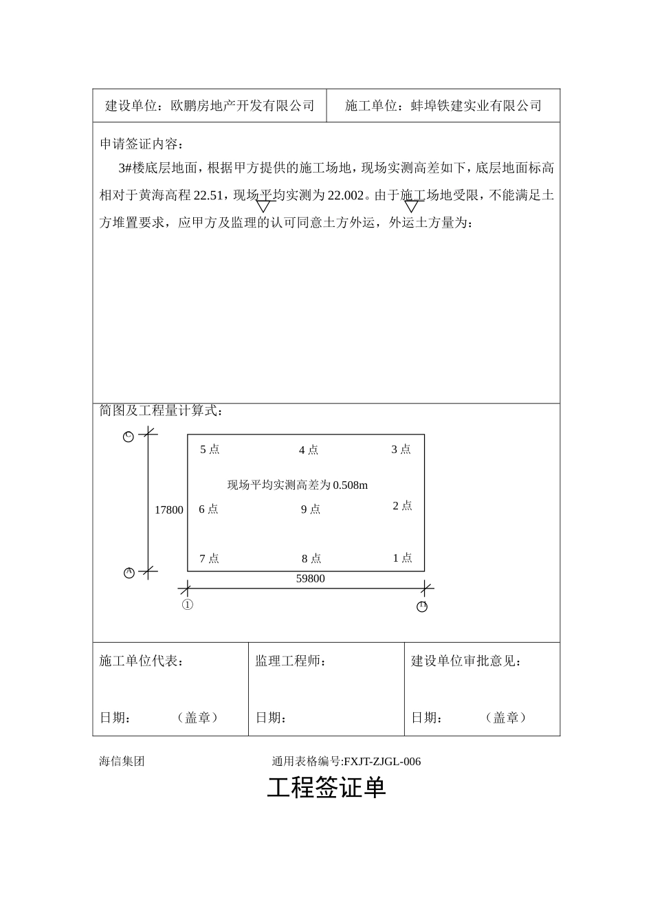
工程签证单工程名称:阜阳京九新村安居工程3#楼编号:001海信集团通用表格编号:FXJT-ZJGL-006工程签证单建设单位:欧鹏房地产开发有限公司施工单位:蚌埠铁建实业有限公司申请签证内容:3#楼底层地面,根据甲方提供的施工场地,现场实测高差如下,底层地面标高相对于黄海高程22.51,现场平均实测为22.002。由于施工场地受限,不能满足土方堆置要求,应甲方及监理的认可同意土方外运,外运土方量为:简图及工程量计算式:施工单位代表:日期:(盖章)监理工程师:日期:建设单位审批意见:日期:(盖章)6点5点7点4点3点2点1点9点8点现场平均实测高差为0.508m1780059800①11AC工程名称:漳州市金峰工业区北斗福星标准厂房编号:注明:1、所有签证均应使用本工程签证单标准格式。2、签证单原则上只应签证工程量,涉及造价金额由建设单位预算科依据预算规定确定。3、施工单位应在签证工作发生后三日内办理签证手续,否则视为放弃,补办签证结算时不予确认。4、签证单应按顺序进行编号。5、单项经济签证单金额超过五千元的签证项目需由建设单位盖章生效。海信集团通用表格编号:FXJT-ZJGL-006工程签证单建设单位:漳州信地房地产有限公司施工单位:福建大舟建筑工程有限公司申请签证内容:20幢厂房底层地面,根据甲方提供的施工场地,现场实测高差较大,底层地面标高相对于黄海高程22.27,现场平均实测为21.69,所以须人工土方回填、平整打夯。(其中原设计地面碎石垫层为60mm厚,砼垫层90mm厚,实际回填土方厚度为0.43m)图及工程量计算式:施工单位代表:时间:(盖章)监理工程师:时间:建设单位审批意见:时间:(盖章)6点5点7点4点3点2点1点9点8点现场平均实测高差为0.58m1780068800①12AC工程名称:漳州市金峰工业区北斗福星标准厂房编号:注明:1、所有签证均应使用本工程签证单标准格式。2、签证单原则上只应签证工程量,涉及造价金额由建设单位预算科依据预算规定确定。3、施工单位应在签证工作发生后三日内办理签证手续,否则视为放弃,补办签证结算时不予确认。4、签证单应按顺序进行编号。5、单项经济签证单金额超过五千元的签证项目需由建设单位盖章生效。海信集团通用表格编号:FXJT-ZJGL-006建设单位:漳州信地房地产有限公司施工单位:福建大舟建筑工程有限公司申请签证内容:19幢厂房底层地面,根据甲方提供的施工场地,现场实测高差较大,底层地面标高相对于黄海高程22.61,现场平均实测为22.297,所以须人工土方回填、平整打夯。(其中原设计地面碎石垫层为60mm厚,砼垫层90mm厚,实际回填土方厚度为0.163m)图及工程量计算式:施工单位代表:时间:(盖章)监理工程师:时间:建设单位审批意见:时间:(盖章)6点5点7点4点3点2点1点9点8点现场平均实测高差为0.313m1780068800①12AC工程签证单工程名称:漳州市金峰工业区北斗福星标准厂房编号:注明:1、所有签证均应使用本工程签证单标准格式。2、签证单原则上只应签证工程量,涉及造价金额由建设单位预算科依据预算规定确定。3、施工单位应在签证工作发生后三日内办理签证手续,否则视为放弃,补办签证结算时不予确认。4、签证单应按顺序进行编号。5、单项经济签证单金额超过五千元的签证项目需由建设单位盖章生效。建设单位:漳州信地房地产有限公司施工单位:福建大舟建筑工程有限公司申请签证内容:17幢厂房底层地面,根据甲方提供的施工场地,现场实测高差较大,底层地面标高相对于黄海高程22.82,现场平均实测为23.141,所以须人工挖除土方及人工外运。(其中原设计地面碎石垫层为60mm厚,砼垫层90mm厚,实际挖除土方为0.471m厚)图及工程量计算式:施工单位代表:时间:(盖章)监理工程师:时间:建设单位审批意见:时间:(盖章)6点5点7点4点3点2点1点9点8点现场平均实测高差为0.321m1780050300①12AC

1、当您付费下载文档后,您只拥有了使用权限,并不意味着购买了版权,文档只能用于自身使用,不得用于其他商业用途(如 [转卖]进行直接盈利或[编辑后售卖]进行间接盈利)。
2、本站所有内容均由合作方或网友上传,本站不对文档的完整性、权威性及其观点立场正确性做任何保证或承诺!文档内容仅供研究参考,付费前请自行鉴别。
3、如文档内容存在违规,或者侵犯商业秘密、侵犯著作权等,请点击“违规举报”。

碎片内容

土方工程签证单

确认删除?
VIP
微信客服
  • 扫码咨询
会员Q群
  • 会员专属群点击这里加入QQ群
客服邮箱
回到顶部