电脑桌面
添加小米粒文库到电脑桌面
安装后可以在桌面快捷访问

市政污水隐蔽报验全套资料完整版VIP免费

市政污水隐蔽报验全套资料完整版_第1页
1/32
市政污水隐蔽报验全套资料完整版_第2页
2/32
市政污水隐蔽报验全套资料完整版_第3页
3/32
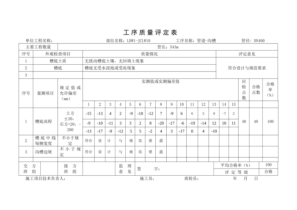
沟槽开挖报验申请表工程名称:编号:致:山东新世纪工程项目管理咨询有限公司(监理单位)我单位已完成了龙德大街LDW1-JCLW10污水沟槽开挖工作,现报上该工程报验申请表,请予以审查和验收。附:1、工程检验批质量验收记录2、隐蔽工程检查验收记录3、工序质量评定表承包单位(章)项目经理日期审核意见:项目监理机构:山东新世纪工程项目管理咨询有限公司总/专业监理工程师日期沟槽开挖检验批质量验收记录编号工程名称分部工程名称污水施工管道分项工程名称沟槽开挖施工单位专业工长项目经理验收批名称、部位LDW1-JCLW10污水沟槽开挖检验批质量验收记录表分包单位分包项目经理施工班组长主控项目质量验收规范规定的检查项目及验收标准GB50268--2008监理(建设)单位验收记录14.6.1.1原地基土无扰动、受水浸泡或受冻24.6.1.2地基承载力满足设计要求34.6.1.3进行地基处理时,压实度、厚度满足设计要求一般项目1槽底高程±20mm-15-1342-9-10-127-96650-72-9-10-113328-20-17-6-19-14121011-13-17-9-1255-243-17-82-96604-102槽底中线每侧宽度≥300(mm)符合设计与规范要求3沟槽边坡不陡于1:0.33符合设计与规范要求施工单位检查评定结果主控与一般项目全部合格,符合质量验收规范要求。项目专业质量检查员:年月日监理(建设)单位验收结论监理工程师:(建设单位项目专业技术负责人)年月日工序质量评定表单位工程名称:部位名称:LDW1-JCLW10工序名称:管道-沟槽管径:DN400主要工程数量管长:543m序号外观检查项目质量情况评定意见1槽底土质无扰动槽底土壤,无回填土现象符合设计与规范要求2槽底槽底无受水浸泡或受冻现象3序号量测项目规定值或允许偏差(mm)实测值或实测偏差值应检点数合格点数合格率(%)1234567891011121314151槽底高程土方±20,石方+20,-200-15-1342-9-10-127-96650-724848100-9-10-113328-20-17-6-19-14121011-13-17-9-1255-243-1704-102槽底中线每侧宽度不小于规定符合设计与规范要求3沟槽边坡不小于规定符合设计与规范要求交方班组接方班组监理意见签字:平均合格率(%)100评定等级合格施工项目技术负责人:施工员:质检员:年月日隐蔽工程检查验收记录工程名称施工单位隐检项目沟槽开挖隐检范围LDW1-JCLW10沟槽开挖隐检内容及检查情况1、基槽挖深至设计高程;2、基槽无积水、浸泡、扰动土;3、基槽槽底高程、轮廓尺寸。隐检内容已完成,请予以检查。验收意见处理意见复查人:年月日施工项目技术负责人质检员监理单位建设单位管道基础报验申请表工程名称:编号:致:山东新世纪工程项目管理咨询有限公司(监理单位)我单位已完成了龙的大街LDW1-JCLW10污水管道基础工作,现报上该工程报验申请表,请予以审查和验收。附:1、管道基础检验批质量验收记录表2、隐蔽工程检查验收记录3、工序质量评定表承包单位(章)项目经理日期审核意见:项目监理机构山东新世纪工程项目管理咨询有限公司总/专业监理工程师日期管道基础检验批质量验收记录工程名称分部工程名称污水施工管道分项工程名称管道基础施工单位专业工长项目经理验收批名称、部位LDW1-JCLW10污水管道基础检验批质量验收记录表分包单位分包项目经理施工班组长主控项目质量验收规范规定的检查项目及验收标准GB50268--2008监理(建设)单位验收记录15.10.1.1原地基的承载力符合设计要求25.10.1.2砂石基础压实度、厚度满足设计要求一般项目1高程0,-15mm-11-9-7-6-4-7-7-5-12-3-12-10-13-15-14-1-6-2-13-15-8-5-4-3-2-70-1-7-11-2-3-6-9-8-6-9-13-11-12-5-7-8-12-14-6-14-7-15-8-6-5-4-172中线每侧宽度不小于设计要求符合设计与规范要求3厚度不小于设计要求符合设计与规范要求施工单位检查评定结果主控与一般项目全部合格,符合质量验收规范要求。项目专业质量检查员:年月日监理(建设)单位验收结论监理工程师:(建设单位项目专业技术负责人)年月日工序质量评定表单位工程名称:部位名称:LDW1-JCLW10工序名称:管道-基础管径:DN400主要工程数量管长543序号外观检查项目质量情况评定意见1原地基的承载力符合设计要求2砂石基础压实度、厚度满足设计要求序号量测项目规定值或允许偏差(mm)实测值或实测偏差值应...

1、当您付费下载文档后,您只拥有了使用权限,并不意味着购买了版权,文档只能用于自身使用,不得用于其他商业用途(如 [转卖]进行直接盈利或[编辑后售卖]进行间接盈利)。
2、本站所有内容均由合作方或网友上传,本站不对文档的完整性、权威性及其观点立场正确性做任何保证或承诺!文档内容仅供研究参考,付费前请自行鉴别。
3、如文档内容存在违规,或者侵犯商业秘密、侵犯著作权等,请点击“违规举报”。

碎片内容

市政污水隐蔽报验全套资料完整版

您可能关注的文档

确认删除?
VIP
微信客服
  • 扫码咨询
会员Q群
  • 会员专属群点击这里加入QQ群
客服邮箱
回到顶部