电脑桌面
添加小米粒文库到电脑桌面
安装后可以在桌面快捷访问

食品快速检测实验室建设方案VIP免费

食品快速检测实验室建设方案_第1页
1/28
食品快速检测实验室建设方案_第2页
2/28
食品快速检测实验室建设方案_第3页
3/28
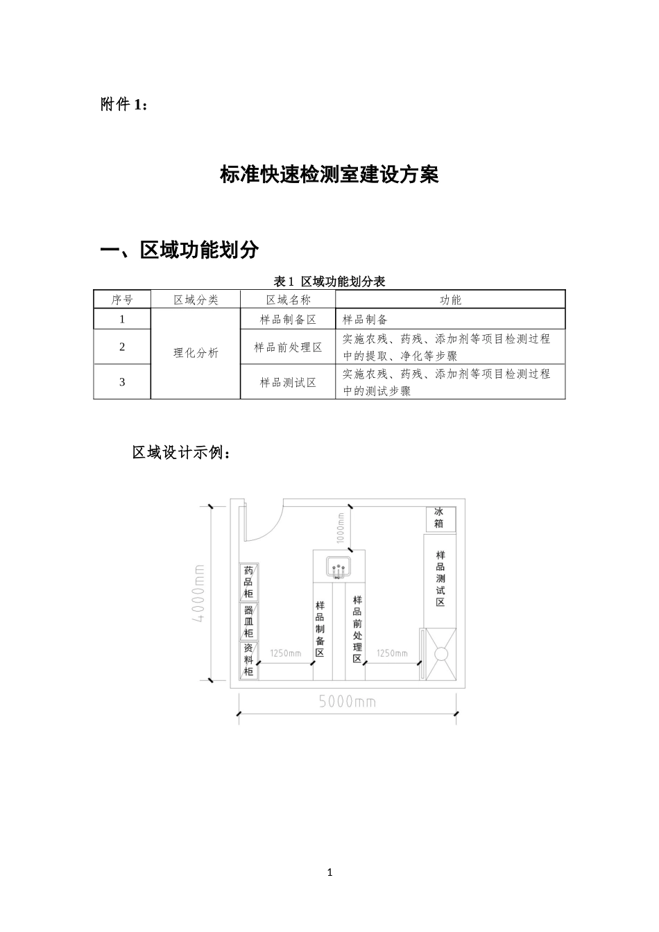
1附件1:标准快速检测室建设方案一、区域功能划分表1区域功能划分表序号区域分类区域名称功能1理化分析样品制备区样品制备2样品前处理区实施农残、药残、添加剂等项目检测过程中的提取、净化等步骤3样品测试区实施农残、药残、添加剂等项目检测过程中的测试步骤区域设计示例:2装修基本要求:样品室:地面平整、防滑,墙面为乳胶漆,有防鼠设施和空调。理化实验室:地面平整、防滑防腐,墙面为乳胶漆,有空调。二、快速检测实验室家具配置表2快速检测实验室家具配置表序号设备名称用途1实验边台操作台面2中央台操作台面3试剂柜存放固体试剂4样品柜存放样品5器皿柜(架)存放玻璃器皿6冰箱(带冷冻)存放样品和试剂7通风系统实验室通风8台式冲眼发生化学伤害时急救9不锈钢台微生物检验10吧台椅可升降(实验室用)11办公桌椅办公12文件柜存放文件三、设备选型及配置表3设备选型及配置表序号设备名称*用途及规格一检测设备1酶标仪兽药、真菌毒素检测2读卡仪农残、兽药检测3食品安全综合检测仪部分农药残留4pH计酸度测定5肉类水分速测仪肉类水分含量,辨别是否为注水畜产品6重金属检测仪重金属检测7分子生物学检测平台食源性致病菌、动物源性食品38可移动食品安全检测平台-二辅助设备1移液器2~20μL10~200μL1mL2电子天平精度0.01g3离心机5000r/min,100mL、10mL、5mL10000r/min,1.5mL4振荡器-5搅肉机-6粉碎机-7烘箱-8电热恒温水浴锅4孔1孔9纯水制备仪-10电炉500W、100W三办公用品1电脑数据分析和保存2打印机-3台式复印机-*可根据实际情况进行增减四、检测项目表4食品快速检测检测项目参考表大类小类检测项目检测方法新鲜蔬菜叶菜类有机磷农药残留量或氨基甲酸酯类农药残留试纸卡农药残留检测仪全项快筛系统茄瓜果类根茎类鳞茎类豆类水生类芽菜类其他类鲜肉类猪牛羊肉盐酸克伦特罗或莱克多巴胺或沙丁胺醇酶标仪胶体金拉曼光谱食品安全快速综合分析仪水产品淡水鱼孔雀石绿(或硝基呋喃)酶标仪胶体金多功能食品安全检测仪4拉曼光谱食品安全快速综合分析仪全项快筛系统茶叶茶叶有机磷农药残留量或氨基甲酸酯类农药残留试纸卡农药残留检测仪全项快筛系统或美术绿试剂盒多参数食品安全检测仪全项快筛系统现场制售糕点硼砂试剂盒卤菜(熟肉)菌落总数微生物快速检测仪a煎炸用食用油酸价食用油品质检测仪试剂盒散装食品豆制品吊白块试剂盒多功能食品安全检测仪拉曼光谱食品安全快速综合分析仪全项快筛系统粉丝、粉条、粉皮二氧化硫试剂盒多功能食品安全检测仪全项快筛系统食用菌干果干菜腌腊肉亚硝酸盐多功能食品安全检测仪鸭血甲醛试剂盒a:开展微生物快速检测,应设置微生物检测区。备注:以上快速检测项目供参考,各地可根据实际情况确定检测项目。5附件2:简易快速检测室检测建设方案一、区域功能划分表1区域功能划分表序号区域名称功能1样品制备区样品制备2检测区实施农残、药残、添加剂等项目检测二、快速检测实验室家具配置表2快速检测实验室家具配置表序号设备名称用途1实验边台操作台面2试剂柜存放固体试剂3样品柜存放样品4文件柜存放文件5冰箱(带冷冻)存放样品和试剂6办公桌椅办公6三、设备选型及配置表3设备选型及配置表序号设备名称*用途及规格一检测设备1酶标仪兽药、真菌毒素检测2读卡仪农残、兽药检测3肉类水分速测仪肉类水分含量,辨别是否为注水畜产品二辅助设备1移液器2~20μL10~200μL1mL2电子天平精度0.01g3离心机5000r/min,100mL、10mL、5mL10000r/min,1.5mL4振荡器-5搅肉机-6粉碎机-7电热恒温水浴锅4孔1孔三办公用品1电脑数据分析和保存2打印机-*可根据实际情况进行增减四、检测项目表4食品快速检测检测项目参考表大类小类检测项目检测方法新鲜蔬菜叶菜类有机磷农药残留量或氨基甲酸酯类农药残留试纸卡农药残留检测仪全项快筛系统茄瓜果类根茎类鳞茎类豆类水生类芽菜类其他类鲜肉类猪牛羊肉盐酸克伦特罗或莱克多巴胺酶标仪7或沙丁胺醇胶体金拉曼光谱食品安全快速综合分析仪水产品淡水鱼孔雀石绿(或硝基呋喃)酶标仪胶体金多功能食品安全检测仪拉曼光谱食品安全快速综合分析仪全项快筛系统备注:以上快速检测项目供参考,各地可根据实际情况确定检测项目。附...

1、当您付费下载文档后,您只拥有了使用权限,并不意味着购买了版权,文档只能用于自身使用,不得用于其他商业用途(如 [转卖]进行直接盈利或[编辑后售卖]进行间接盈利)。
2、本站所有内容均由合作方或网友上传,本站不对文档的完整性、权威性及其观点立场正确性做任何保证或承诺!文档内容仅供研究参考,付费前请自行鉴别。
3、如文档内容存在违规,或者侵犯商业秘密、侵犯著作权等,请点击“违规举报”。

碎片内容

食品快速检测实验室建设方案

您可能关注的文档

确认删除?
VIP
微信客服
  • 扫码咨询
会员Q群
  • 会员专属群点击这里加入QQ群
客服邮箱
回到顶部