电脑桌面
添加小米粒文库到电脑桌面
安装后可以在桌面快捷访问

挖掘机技能竞赛方案VIP免费

挖掘机技能竞赛方案_第1页
1/8
挖掘机技能竞赛方案_第2页
2/8
挖掘机技能竞赛方案_第3页
3/8
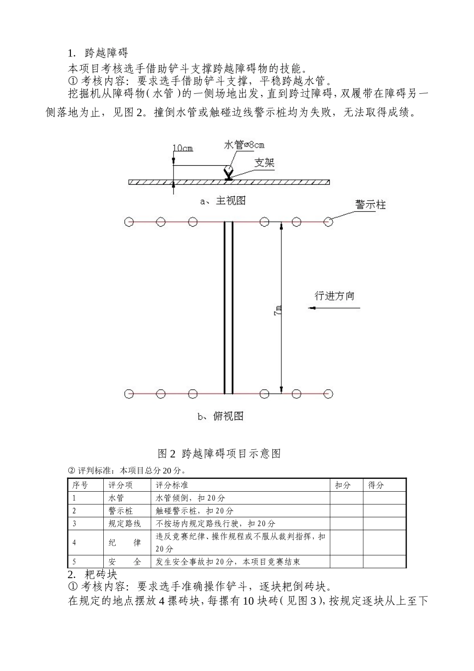
挖掘机技能竞赛技术方案根据《关于举办全省公路局系统筑养路机械(小型挖掘机)操作手技能竞赛的通知》(粤公竞函〔2010〕1005号),制定本方案。一、竞赛内容和评判标准(一)综合理论知识考核。主要内容包括机械基础知识;筑路、养护基本知识;挖掘机使用和安全技术操作规程,相关法规等,共800题。综合理论知识考核100分,占竞赛总成绩的30%。采用无纸化考试,竞赛内容由计算机随机组合,每套试卷100道题,每题1分。考试时间为40分钟,时间终了计算机考试系统将自行关闭。(二)操作技能考核。操作技能考核100分,占竞赛总成绩的70%。挖掘机技能竞赛由4个项目组成,分别为:跨越障碍、耙砖块、投篮球、垒铁块,各项目连续进行,总时间为18分钟。挖掘机竞赛总流程见图1。裁判员下达开始指令后,操作手自行按下计时器开始键(计时开始)。选手操纵挖掘机从停机区域驶出,依次完成项目1、项目2、项目3的操作,项目3操作完毕,挖掘机停机位置不变,机身回转,进行项目4的操作。当选手竞赛完成后,操作手自行按下计时器停止键。计时器为倒计时方式,若限定时间结束而仍未完成全部项目时,裁判员下达竞赛结束指令,计算已经完成项目的成绩作为总成绩。图1挖掘机竞赛总流程图1.跨越障碍本项目考核选手借助铲斗支撑跨越障碍物的技能。①考核内容:要求选手借助铲斗支撑,平稳跨越水管。挖掘机从障碍物(水管)的一侧场地出发,直到跨过障碍,双履带在障碍另一侧落地为止,见图2。撞倒水管或触碰边线警示桩均为失败,无法取得成绩。图2跨越障碍项目示意图②评判标准:本项目总分20分。序号评分项评分标准扣分得分1水管水管倾倒,扣20分2警示桩触碰警示桩,扣20分3规定路线不按场内规定路线行驶,扣20分4纪律违反竞赛纪律、操作规程或不服从裁判指挥,扣20分5安全发生安全事故扣20分,本项目竞赛结束2.耙砖块①考核内容:要求选手准确操作铲斗,逐块耙倒砖块。在规定的地点摆放4摞砖块,每摞有10块砖(见图3),按规定逐块从上至下依次剥落,剥上面一块时其下面的砖不倒下为正确操作。每摞砖块耙落最上面的5块即可,可以取得该分项目分数。对已经碰倒的砖块,不得再进行任何操作。图3砖块位置示意图②评判标准:本项目总分20分。序号评分项配分评分标准扣分得分1砖块20从上至下,逐块依次剥落,耙落最上面的5块即为完成。每正确完成1摞砖块,得5分2规定路线不按场内规定路线行驶,扣20分3纪律违反竞赛纪律、操作规程或不服从裁判指挥,扣20分4安全发生安全事故扣20分,本项目竞赛结束3.投篮球本项目考核选手操作挖掘机快速装卸物料的技能。①考核内容:要求选手用铲斗将篮球挖起,并投入篮筐内。图4投篮球项目场地与器材示意图场地内共有篮球6个,分两排均匀摆放。篮球放在玻璃杯上,玻璃杯再置于平台顶端,如图4所示。操纵机械把球挖起,再将机身旋转一定角度后,将球投入篮筐中。铲斗不允许碰倒玻璃杯和篮筐。②评判标准:本项目总分30分。序号评分项配分评分标准扣分得分1球30将球挖起并投入篮筐内,每个可得5分;操作不当造成球损坏,每个扣10分,损坏球挖取和投入不再计分2玻璃杯将玻璃杯碰倒或损坏,每个扣2分3篮筐碰倒篮筐扣10分,计算已得分数,本项目竞赛结束;损坏篮筐扣20分4规定路线不按场内规定路线行驶,扣30分5纪律违反竞赛纪律、操作规程或不服从裁判指挥,扣30分6安全发生安全事故扣30分,本项目竞赛结束4.垒铁块本项目考核选手精准挖掘的技能。图5垒铁块项目场地与器材①考核内容:要求选手用铲斗将铁块挖起,并垒在平台顶部,垒铁块项目场地与器材如图5所示。竞赛场地内共有铁块8枚,铁块尺寸如图6所示,把手与铁块间为间隙配合。竞赛结束后选手须将铲斗置于竞赛结束铲斗停放区内。该项目中选手可以自行决定提前结束竞赛,若将铲斗放在竞赛结束铲斗停放区,裁判将认定竞赛结束。图6铁块尺寸②评判标准:本项目总分30分。序号评分项配分评分标准扣分得分1垒积铁块301.按竞赛过程中所垒积的铁块数量计分,每块5分;2.完成6块铁块的垒积,竞赛结束,继续垒积不再加分;3.竞赛过程中,铲斗与铁块的把手脱离后铁块倾倒,该块不计入总数;4.竞赛时间截止时,铲斗与铁块的把手...

1、当您付费下载文档后,您只拥有了使用权限,并不意味着购买了版权,文档只能用于自身使用,不得用于其他商业用途(如 [转卖]进行直接盈利或[编辑后售卖]进行间接盈利)。
2、本站所有内容均由合作方或网友上传,本站不对文档的完整性、权威性及其观点立场正确性做任何保证或承诺!文档内容仅供研究参考,付费前请自行鉴别。
3、如文档内容存在违规,或者侵犯商业秘密、侵犯著作权等,请点击“违规举报”。

碎片内容

挖掘机技能竞赛方案

您可能关注的文档

确认删除?
VIP
微信客服
  • 扫码咨询
会员Q群
  • 会员专属群点击这里加入QQ群
客服邮箱
回到顶部