电脑桌面
添加小米粒文库到电脑桌面
安装后可以在桌面快捷访问

室外雨污水管网专项施工方案VIP免费

室外雨污水管网专项施工方案_第1页
1/12
室外雨污水管网专项施工方案_第2页
2/12
室外雨污水管网专项施工方案_第3页
3/12
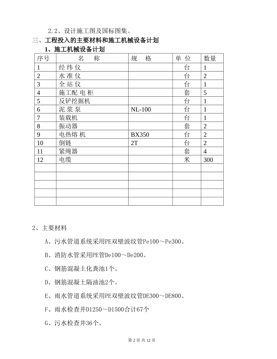
室外雨污水管网专项施工方案一、工程概况及特点金隅微观化工有限公司年产四万吨胶粘剂及年产五万吨聚羚酸项目厂区供污水、雨水、给排水管网、工程主要由生产生活给水、消防给水、雨水、污水等四大管网系统及阀门井、检查井、雨水井等组成。其中给水管网采用聚乙烯(PE100)给水管热熔连接。排水管网采用HDPE双壁波纹管、橡胶圈承插接口连接。消防给水管道采用PE管。污水管网采用PE双壁波纹管橡胶圈承插接口连接。雨水管道采用HDPE双壁波纹管、橡胶圈承插接口连接。整个工程雨污水管大约有3000多米管道安装和90个砖砌雨水收集口、108个钢筋混凝土井,1座化粪池、1座一体化污水处理设备、2个水封井、3个雨水汇集井施工。本工程地下管网建在自然地理、地质条件较差,气候炎热多风,次海洋气候作用影响,地下水较丰富和复杂的气候、地质给地下管网施工带来了较大困难。另外,该区域同时交叉作业施工,现场人员、材料设备较多,工作面多而大,给施工造成极大不便,故而公司将组建强有力的项目部和施工班组,给本工程顺利完成奠定基础。本工程室内标高正负零为黄海高程3.90m,室外环境标高与之高差有高有低,管网处于原壮土区和回填土交界面上,由于本工程工期较紧,结合现场具体情况,故特编制本施工方案,并严格实施。二、编制依据2.1、国家颁发的有关规范、规程和标准。序号代号规范、标准名称备注1GB50015-2003建筑给水排水设计规范国标2GB50268-2008给水排水及采暖工程施工质量验收规范国标3GB50014-2006室外排水设计规范国标4CECS122:2001埋地硬聚氯乙烯排水管道工程技术规程5DG/TJ08-308-2002埋地塑料排水管道工程技术规程第1页共12页2.2、设计施工图及国标图集。三、工程投入的主要材料和施工机械设备计划1、施工机械设备计划序号名称规格单位数量1经纬仪台12水准仪台23全站仪台14施工配电柜套55反铲挖掘机台16泥浆泵NL-100台17装载机台18振动器套29电热熔机BX350台210倒链2T台211紧绳器套412电缆米3002、主要材料A、污水管道系统采用PE双壁波纹管Pe100~Pe300。B、消防水管采用PE管De100~De200。C、钢筋混凝土化粪池1个。D、钢筋混凝土隔油池2个。E、雨水管道系统采用PE双壁波纹管DE300~DE800。F、雨水检查井D1250~D1500合计67个G、污水检查井36个。第2页共12页H、雨水口90个。3、原材料的选用1)本工程使用的工程材料我方选购是到大型生产厂家购买,除应由厂家提供的质保书外,还应按设计、施工规范进行现场检验,并提前向有关部门进行材料报验。四、施工作业条件1、认真作好设计图纸会审,熟悉施工图纸及有关技术资料。2、认真作好技术、质量、安全交底,并熟悉雨污水、循环回水、给排水管道安装施工工艺的操作方法,并做好相应的交底记录。3、清除作业施工场地的障碍物。4、管材、配件及辅助材料均须进场到位。5、管材及机具均须备齐,并经检验合格并运进现场。五、主要施工顺序因现场目前有多个施工队进场施工,为避免工作面交叉,需要合理安排施工顺序,才能保证正常施工,拟采用如下施工顺序:1、总体施工顺序:在其他施工单位未完成主体结构施工,先介入管网施工,首先施工过路雨污管道。依次施工其他管网。2、管网施工顺序:总体施工是先施工按由深到浅、从大管到小管的顺序施工,污水管网→雨水管网→循环回水管网。第3页共12页五、施工工期安排管网总体施工按60天控制。六、施工工艺流程定位放线——管沟开挖——管道基础施工——下管和稳管——管道连接(接口)——砌筑附属构筑物——验收——土方回填。七、工程质量控制1、原材料报验用于本工程的相关材料,进场后应先向监理工程师报验,合格后方可使用在工程上。2、工序报验各道施工工序完成后,应事先向监理工程师报验,经现场复核合格后方可进入下道工序施工。八、施工测量(一)、施工测量放线1、距离测量:仪器采用经纬仪,测量时照射二次读数取平均值为距离测量值(导线测量时须返方向测量作为校核),二次读数较差不大于10mm。小范围距离测量采用普通钢尺测距,主要技术要求须满足规范的规定。(1)采用坐标、经纬仪测量法,测速快、准确和操作简便;能在超远距离内和不同标高位置直接进行施测,不用在...

1、当您付费下载文档后,您只拥有了使用权限,并不意味着购买了版权,文档只能用于自身使用,不得用于其他商业用途(如 [转卖]进行直接盈利或[编辑后售卖]进行间接盈利)。
2、本站所有内容均由合作方或网友上传,本站不对文档的完整性、权威性及其观点立场正确性做任何保证或承诺!文档内容仅供研究参考,付费前请自行鉴别。
3、如文档内容存在违规,或者侵犯商业秘密、侵犯著作权等,请点击“违规举报”。

碎片内容

室外雨污水管网专项施工方案

您可能关注的文档

确认删除?
VIP
微信客服
  • 扫码咨询
会员Q群
  • 会员专属群点击这里加入QQ群
客服邮箱
回到顶部