电脑桌面
添加小米粒文库到电脑桌面
安装后可以在桌面快捷访问

最新设备维护计划VIP免费

最新设备维护计划_第1页
1/11
最新设备维护计划_第2页
2/11
最新设备维护计划_第3页
3/11
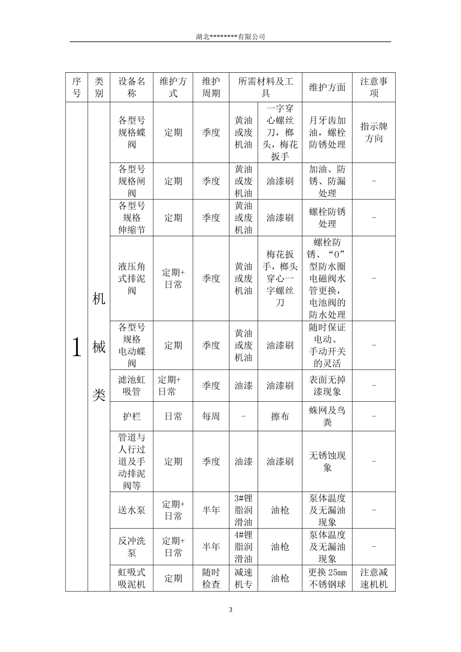
湖北********有限公司设备维护计划运营部二零一五年一月1湖北********有限公司维护保养计划设备是保证我公司正常生产运营的重要硬件设施,因此为使所有仪器设备能处于正常运行状态或具备正常运行的条件,确保公司日常工作的正常进行,特制定本计划。一、仪器设备维护的范围及内容1、仪器设备的维护保养(1)做好仪器设备的维护保养工作,是每位公司人员的职责各岗位人员要切实履行自己的职责,作好仪器设备的使用和管理工作。2、仪器设备要进行例行保养和定期保养(1)例行保养要求:要对生产使用中仪器设备进行清洁、检查、调整、紧固以及替换个别易损件的工作,例行保养工作由该仪器设备的使用人员班组人员及相关技术人员共同维护。(2)定期保养要求:每台仪器设备运行到规定的时间周期(保养周期),不论其运行状况好坏,都应该按规定进行保养工作保养周期要根据各类仪器设备的磨损规律、运行条件、操作维护水平因素确定。仪器设备出厂说明书中规定有保养周期的,按说明书规定执行;无规定周期的,根据实际情况制定。凡大型、贵重精密仪器设备的定期保养周期计划,都要报相关责任领导负责执行。(3)仪器设备的保养要按规程进行,维护的主要内容是进行清洁润滑、紧固、通电检查、更换磨损零件等。(4)每次定期保养要求记录相关技术数据,并作为日后安排修理计划的依据。3、仪器设备如果较长时间搁置不用,应间隔一定时间进行通电检查,或通电运行并经常对仪器设备作清洁卫生。二、仪器设备维护种类1、机械类(阀门、管道、电机、泵等)2、电气类(发电机、变压器、控制柜、配电柜、电葫芦、开关、电机等)3仪表类(流量计、压力表、压力变送器、浊度仪、余氯仪等)4化验室(灭菌箱、干燥箱、搅拌器、恒温箱、高压灭菌锅等)5自控类(plc模块类、通讯线路、端口、自控电脑、ups电源等)6其他类(与生产相关所用到工具如摇表、验电棒、拉杆等)三、设备维护保养人员安排1、工艺技术人员、设备管理员、代班、机修及各班组相关人员。四、设备维护内容2湖北********有限公司序号类别设备名称维护方式维护周期所需材料及工具维护方面注意事项1机械类各型号规格蝶阀定期季度黄油或废机油一字穿心螺丝刀,榔头,梅花扳手月牙齿加油,螺栓防锈处理指示牌方向各型号规格闸阀定期季度黄油或废机油油漆刷加油、防锈、防漏处理-各型号规格伸缩节定期季度黄油或废机油油漆刷螺栓防锈处理-液压角式排泥阀定期+日常季度黄油或废机油梅花扳手,榔头穿心一字螺丝刀螺栓防锈、“O”型防水圈电磁阀水管更换,电池阀的防水处理-各型号规格电动蝶阀定期季度黄油或废机油油漆刷随时保证电动、手动开关的灵活-滤池虹吸管定期+日常季度油漆油漆刷表面无掉漆现象-护栏日常每周-擦布蛛网及鸟粪-管道与人行过道及手动排泥阀等定期季度油漆油漆刷无锈蚀现象-送水泵定期+日常半年3#锂脂润滑油油枪泵体温度及无漏油现象-反冲洗泵定期+日常半年4#锂脂润滑油油枪泵体温度及无漏油现象-虹吸式吸泥机定期随时检查减速机专油枪更换25mm不锈钢球注意减速机机3湖北********有限公司运行状况用机油阀油,是否有地漏现象JT摆线针轮减速机定期随时检查减速机情况减速机专用机油油枪更换专用机油-搅拌机(矾液池用)定期+日常随时检查运行状况机油保养有无异常声响及机架无抖动现象运行时注意搅拌机叶片是否脱落矾液提升泵定期随时检查运行状况机油保养有无异常声响检查运行时运转是否正常,有无矾液滴漏水环真空泵定期随时检查运行状况机油保养随时保证汽水分离罐内的额定水位起重设备定期随时检查运行状况机油保养行走及电缆是否正常检查电动葫芦运转是否正常刚绳有无裂痕泵站潜水泵定期随时检查运行状况实际情况加油是否正常启停及异常声响注意工程师站和操作站界面现实的数据中和塔碱泵定期每月每月应正常暖机5分钟是否正常启停及异常声响-中和塔风机定期每月每月应正常暖机6分钟是否正常启停及异常声响-原水进水格栅定期季度钉耙主要清理表面污垢-4湖北********有限公司2电气类搅拌机电机定期随时检查运行状况3#锂脂润滑油油枪定时给电机轴承加油运行时观察电机运行情况矾液提升泵电机定期随时检查运行状况擦拭表面...

1、当您付费下载文档后,您只拥有了使用权限,并不意味着购买了版权,文档只能用于自身使用,不得用于其他商业用途(如 [转卖]进行直接盈利或[编辑后售卖]进行间接盈利)。
2、本站所有内容均由合作方或网友上传,本站不对文档的完整性、权威性及其观点立场正确性做任何保证或承诺!文档内容仅供研究参考,付费前请自行鉴别。
3、如文档内容存在违规,或者侵犯商业秘密、侵犯著作权等,请点击“违规举报”。

碎片内容

最新设备维护计划

金钥匙书屋+ 关注
实名认证
内容提供者

热爱教育事业,爱好互联网行业

确认删除?
VIP
微信客服
  • 扫码咨询
会员Q群
  • 会员专属群点击这里加入QQ群
客服邮箱
回到顶部