电脑桌面
添加小米粒文库到电脑桌面
安装后可以在桌面快捷访问

人教版高中物理必修一牛顿运动定律试验和计算题VIP免费

人教版高中物理必修一牛顿运动定律试验和计算题_第1页
1/13
人教版高中物理必修一牛顿运动定律试验和计算题_第2页
2/13
人教版高中物理必修一牛顿运动定律试验和计算题_第3页
3/13
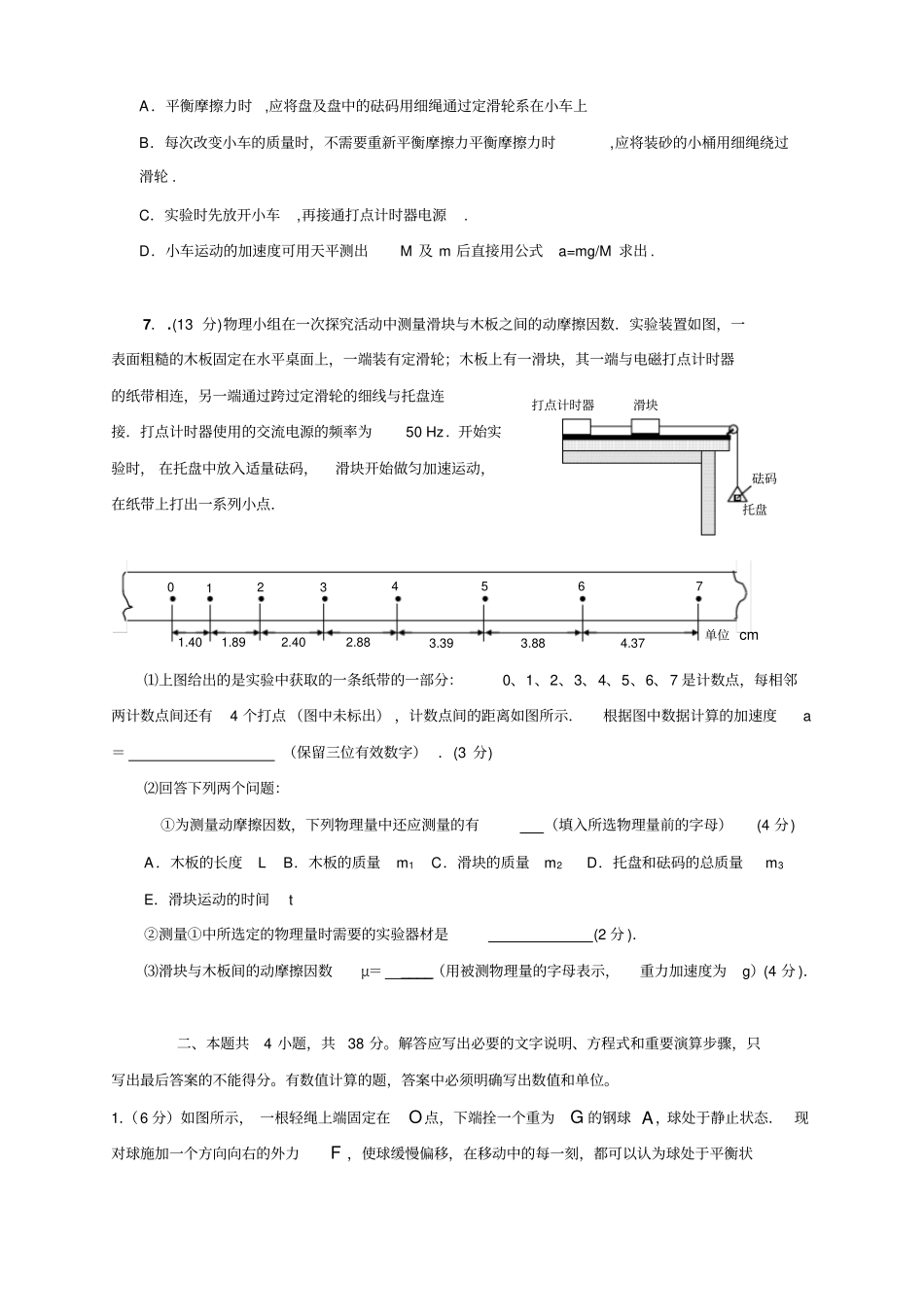
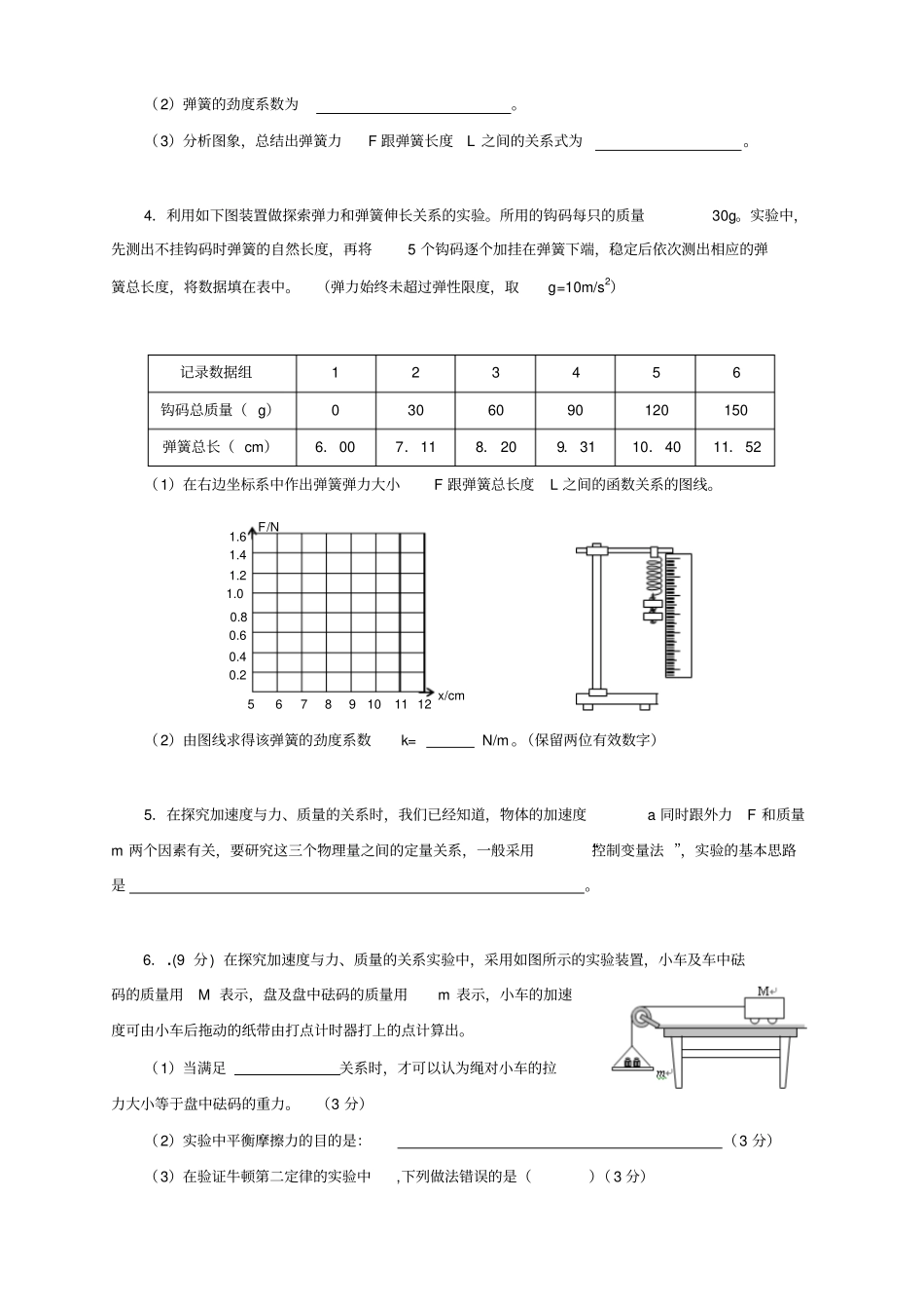
高中物理学习材料(灿若寒星**整理制作)牛顿运动定律实验和计算题一、实验题1.一小车做匀变速直线运动,某段时间的运动情况如图所示,已知打点计时器所用的交流电的频率为50Hz,图中A、B、C、D、E、F是所选定的计数点,每两个计数点之间均包括四个点。测出A、B间距离为50mm,D、E间距离为35mm,则小车的加速度大小为m/s2;若再测出E、F间距为30mm,则打点计时器打计数点E时小车的速度大小为m/s。2.某同学在做“验证力的平行四边形定则”实验时,根据测量结果在白纸上画出如图所示的图,其中O为橡皮筋与细绳的结点。(1)图中的是F1和F2的合力的理论值;是F1和F2的合力的实际测量值。(2)本实验采用的科学方法是(填字母代号)A.理想实验法B.等效替代法C.控制变量法D.建立物理模型法3.在“探究弹力和弹簧伸长关系”的实验中,某实验小组将不同数量的钩码分别挂竖直弹簧下端,进行测量,根据实验所测数据,利用描点法做出了所持钩码的重力G与弹簧总长L的关系图象,根据图象回答以下问题。(1)弹簧的原长为。(2)弹簧的劲度系数为。(3)分析图象,总结出弹簧力F跟弹簧长度L之间的关系式为。4.利用如下图装置做探索弹力和弹簧伸长关系的实验。所用的钩码每只的质量30g。实验中,先测出不挂钩码时弹簧的自然长度,再将5个钩码逐个加挂在弹簧下端,稳定后依次测出相应的弹簧总长度,将数据填在表中。(弹力始终未超过弹性限度,取g=10m/s2)(1)在右边坐标系中作出弹簧弹力大小F跟弹簧总长度L之间的函数关系的图线。(2)由图线求得该弹簧的劲度系数k=N/m。(保留两位有效数字)5.在探究加速度与力、质量的关系时,我们已经知道,物体的加速度a同时跟外力F和质量m两个因素有关,要研究这三个物理量之间的定量关系,一般采用“控制变量法”,实验的基本思路是。6..(9分)在探究加速度与力、质量的关系实验中,采用如图所示的实验装置,小车及车中砝码的质量用M表示,盘及盘中砝码的质量用m表示,小车的加速度可由小车后拖动的纸带由打点计时器打上的点计算出。(1)当满足关系时,才可以认为绳对小车的拉力大小等于盘中砝码的重力。(3分)(2)实验中平衡摩擦力的目的是:(3分)(3)在验证牛顿第二定律的实验中,下列做法错误的是()(3分)记录数据组123456钩码总质量(g)0306090120150弹簧总长(cm)6.007.118.209.3110.4011.5256789101112x/cmF/N1.61.20.80.41.41.00.60.2A.平衡摩擦力时,应将盘及盘中的砝码用细绳通过定滑轮系在小车上B.每次改变小车的质量时,不需要重新平衡摩擦力平衡摩擦力时,应将装砂的小桶用细绳绕过滑轮.C.实验时先放开小车,再接通打点计时器电源.D.小车运动的加速度可用天平测出M及m后直接用公式a=mg/M求出.7..(13分)物理小组在一次探究活动中测量滑块与木板之间的动摩擦因数.实验装置如图,一表面粗糙的木板固定在水平桌面上,一端装有定滑轮;木板上有一滑块,其一端与电磁打点计时器的纸带相连,另一端通过跨过定滑轮的细线与托盘连接.打点计时器使用的交流电源的频率为50Hz.开始实验时,在托盘中放入适量砝码,滑块开始做匀加速运动,在纸带上打出一系列小点.⑴上图给出的是实验中获取的一条纸带的一部分:0、1、2、3、4、5、6、7是计数点,每相邻两计数点间还有4个打点(图中未标出),计数点间的距离如图所示.根据图中数据计算的加速度a=(保留三位有效数字).(3分)⑵回答下列两个问题:①为测量动摩擦因数,下列物理量中还应测量的有(填入所选物理量前的字母)(4分)A.木板的长度LB.木板的质量m1C.滑块的质量m2D.托盘和砝码的总质量m3E.滑块运动的时间t②测量①中所选定的物理量时需要的实验器材是(2分).⑶滑块与木板间的动摩擦因数μ=____(用被测物理量的字母表示,重力加速度为g)(4分).二、本题共4小题,共38分。解答应写出必要的文字说明、方程式和重要演算步骤,只写出最后答案的不能得分。有数值计算的题,答案中必须明确写出数值和单位。1.(6分)如图所示,一根轻绳上端固定在O点,下端拴一个重为G的钢球A,球处于静止状态.现对球施加一个方向向右的外力F,使球缓慢偏移,在移动中的每一刻,都...

1、当您付费下载文档后,您只拥有了使用权限,并不意味着购买了版权,文档只能用于自身使用,不得用于其他商业用途(如 [转卖]进行直接盈利或[编辑后售卖]进行间接盈利)。
2、本站所有内容均由合作方或网友上传,本站不对文档的完整性、权威性及其观点立场正确性做任何保证或承诺!文档内容仅供研究参考,付费前请自行鉴别。
3、如文档内容存在违规,或者侵犯商业秘密、侵犯著作权等,请点击“违规举报”。

碎片内容

人教版高中物理必修一牛顿运动定律试验和计算题

您可能关注的文档

文库当当响+ 关注
实名认证
内容提供者

该用户很懒,什么也没介绍

确认删除?
VIP
微信客服
  • 扫码咨询
会员Q群
  • 会员专属群点击这里加入QQ群
客服邮箱
回到顶部