电脑桌面
添加小米粒文库到电脑桌面
安装后可以在桌面快捷访问

海尔集团低成本控制VIP免费

海尔集团低成本控制_第1页
1/15
海尔集团低成本控制_第2页
2/15
海尔集团低成本控制_第3页
3/15
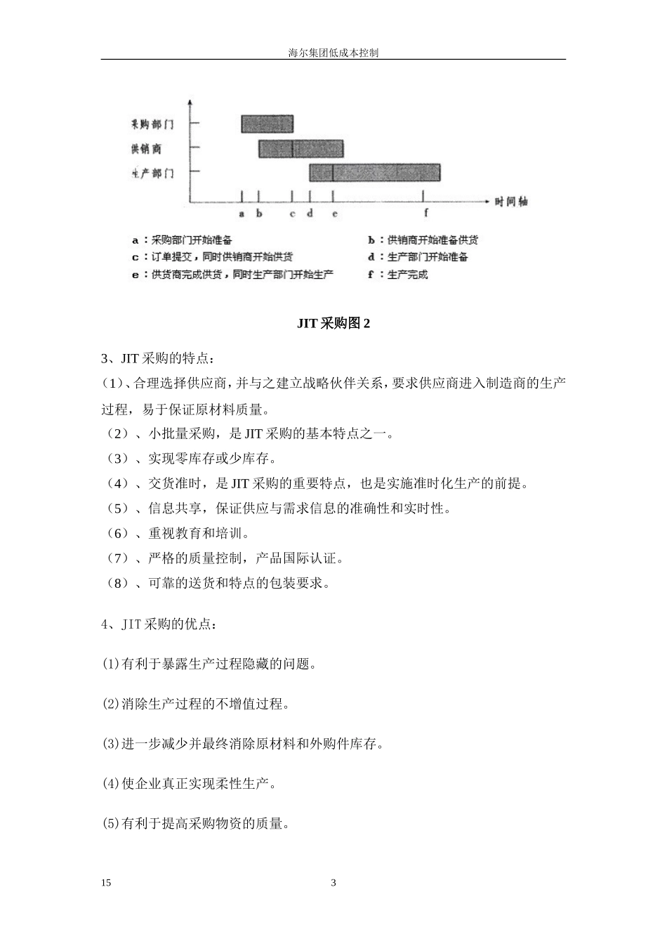
海尔集团低成本控制海尔集团低成本控制【摘要】物流成本的管理与控制一直是企业关注的焦点。本小组以海尔集团为案例,从采购、运输、存储、配送、供应链五大块介绍分析其低成本控制的成功方法,对JIT采购、JIT配送、零库存等进行具体阐述,通过资料的搜集与小组的理解,得出几点启示以供借鉴。【关键词】海尔集团;JIT采购;JIT配送;零库存;供应链;低成本控制正文一、海尔集团简介海尔集团创立于1984年,它是在引进德国利勃海尔电冰箱生产技术成立的青岛电冰箱总厂基础上发展起来的大型企业集团,其总部设在青岛。现任董事局主席、首席执行官张瑞敏是海尔的主要创始人。海尔集团是中国第一大白色家电制造商。自2002年以来,海尔品牌价值连续8年蝉联中国最有价值品牌榜首。海尔品牌旗下冰箱、空调、洗衣机、电视机、热水器、电脑、手机、家居集成等19个产品被评为中国名牌。2009年,海尔品牌价值高达812亿元。截至2009年,海尔集团在全球建立了29个制造基地,8个综合研发中心,19个海外贸易公司,全球员工超过6万人。2010年实现全球营业额1357亿元人民币,同比增长9%,其中海尔品牌出口和海外销售额55亿美元,占总营业额的26%,全年实现利润62亿元人民币。2010年12月中旬,世界权威市场调查机构欧睿国际(Euromonitor)发布最新的全球家用电器市场调查结果显示:海尔品牌在大型白色家用电器市场占有率为6.9%,再次蝉联全球第一,同比提升1.8个百分点。其中,海尔在冰箱、洗衣机、酒柜三个产品的市场占有率排名中继续蝉联全球第一。二、海尔集团采购成本控制---JIT采购(一)理论1、JIT采购原理:(1)用户需要什么,就送什么,品种规格符合客户需要;151海尔集团低成本控制(2)用户需要什么质量,就送什么质量,品种质量符合客户需要,拒绝次品和废品;(3)用户需要多少就送多少,不少送,也不多送;(4)用户什么时候需要,就什么时候送货,不晚送,也不早送,非常准时;(5)用户在什么地点需要,就送到什么地点。2、JIT采购流程客户订单→销售部门→生产部门→采购部门→供应商→生产部门详细过程如图1、图2所示:JIT采购图1152海尔集团低成本控制JIT采购图23、JIT采购的特点:(1)、合理选择供应商,并与之建立战略伙伴关系,要求供应商进入制造商的生产过程,易于保证原材料质量。(2)、小批量采购,是JIT采购的基本特点之一。(3)、实现零库存或少库存。(4)、交货准时,是JIT采购的重要特点,也是实施准时化生产的前提。(5)、信息共享,保证供应与需求信息的准确性和实时性。(6)、重视教育和培训。(7)、严格的质量控制,产品国际认证。(8)、可靠的送货和特点的包装要求。4、JIT采购的优点:(1)有利于暴露生产过程隐藏的问题。(2)消除生产过程的不增值过程。(3)进一步减少并最终消除原材料和外购件库存。(4)使企业真正实现柔性生产。(5)有利于提高采购物资的质量。153海尔集团低成本控制(6)有利于降低原材料和外购件的价格。5、JIT采购与传统采购的比较:6、传统采购和再造采购的比较154海尔集团低成本控制JIT采购的原理,流程、特点,优点及与采购方式的比较都决定了海尔在原材料的采购方式要选择JIT采购。(二)分析1、JIT采购在海尔集团的应用流程,如下图所示:由于所有的采购基于订单,采购周期减少到3天;所有的生产基于订单,海尔改储存物资的仓库为过站式的配送中心,实现4小时送料到工位,当天便能完成生产任务;所有的配送基于订单,产品一下线,中心城市在8小时内,辐射区域在24小时内,全国平均4.5天内即能送达。时间的缩减,为海尔集团在各方面的成本得以降低,同时为海尔创造了时间效益。2、JIT采购策略下具体实施的采购行为(1)、海尔对全集团所有物资源进行了合理配置和重组,将过去分散在产品事业部的采购业务合并,实行统一采购,以达到或接近全集团的JIT采购,不但节约了采购成本,更有效的节约了库存。155海尔集团低成本控制(2)、进行全球统一采购。海尔产品所需的材料有1.5万个品种,这些原材料基本上要进行统一采购,而且是全球范围的采购,所以它的JIT采购是全球范围里最低价格进行统一采购,对物流成本的降低有非常直接的影响。...

1、当您付费下载文档后,您只拥有了使用权限,并不意味着购买了版权,文档只能用于自身使用,不得用于其他商业用途(如 [转卖]进行直接盈利或[编辑后售卖]进行间接盈利)。
2、本站所有内容均由合作方或网友上传,本站不对文档的完整性、权威性及其观点立场正确性做任何保证或承诺!文档内容仅供研究参考,付费前请自行鉴别。
3、如文档内容存在违规,或者侵犯商业秘密、侵犯著作权等,请点击“违规举报”。

碎片内容

海尔集团低成本控制

确认删除?
VIP
微信客服
  • 扫码咨询
会员Q群
  • 会员专属群点击这里加入QQ群
客服邮箱
回到顶部