电脑桌面
添加小米粒文库到电脑桌面
安装后可以在桌面快捷访问

人教版高中物理选修1多用电表同步练习xVIP免费

人教版高中物理选修1多用电表同步练习x_第1页
1/3
人教版高中物理选修1多用电表同步练习x_第2页
2/3
人教版高中物理选修1多用电表同步练习x_第3页
3/3
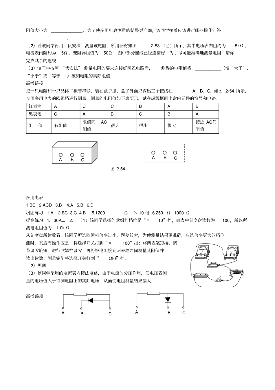
高中物理学习材料(灿若寒星**整理制作)多用电表同步练习1.关于多用电表上的电阻刻度线,下列说法正确的是()A.零电阻刻度线与零电流刻度线重合B.零电阻刻度线与电流表满偏刻度线重合C.电阻刻度是不均匀的,电阻值越大,刻度线越密D.电阻刻度是不均匀的,电阻值越小,刻度线越密2.用多用电表欧姆档测电阻时,下列说法正确的是()A.测量前必须调零,而且每测一次电阻都要重新调零B.为了使测量值比较准确,应该用两手分别将两表笔与待测电阻两端紧紧捏在一起,以使表笔与待测电阻接触良好C.待测电阻若是连接在电路中,应当先把它与其它元件断开后再测量D.使用完毕应当拔出表笔,并把选择开关旋到OFF档或交流电压最高档3.用多用表测直流电压U或测电阻R时,若红表笔插入多用表的正(+)插孔,则A.前者(测电压U)电流从红表笔流人多用电表,后者(测电阻)从红表笔流出多用电表B.两者电流都从红表笔流入多用表C.两者电流都从红表笔流出多用表D.前者电流从红表笔流出多用表,后者电流从红表笔流入多用表4.下列说法中正确的是()A.欧姆表的每一档的测量范围是0~∞B.用不同档的欧姆表测量同一电阻的阻值时,误差大小是一样的C.用欧姆表测电阻时,指针越接近刻度盘中央,误差越大D.用欧姆表测电阻,选不同量程时,指针越靠近右边误差越小5.把一个量程为5mA的电流表改装成欧姆表R×1档,电流表的内阻是50Ω,电池的电动势是1.5V,经过调零之后测电阻,当欧姆表指针指到满偏的3/4位置时,被测电阻的阻值是()A.50ΩB.100ΩC.16.7ΩD.400Ω6.一个标有“220V,40W”的白炽灯泡,当用多用电表的欧姆档去测量它们的电阻时,测得的阻值()A.接近1210ΩB.接近5.5ΩC.明显大于1210ΩD.明显小于1210Ω7.如图2-48所示是多用表欧姆表的原理示意图,其中电流表的满偏电流为Ig=300μA,内阻rg=100Ω,调零电阻的最大值50kΩ,串联的固定电阻为50Ω,电池电动势1.5V,用它测量电阻Rx,能准确测量的阻值范围是()GRR0Rx黑笔E红笔图2-48A.30kΩ∽80KΩB.3kΩ∽8kΩC.300Ω∽800ΩD.30Ω∽80Ω巩固练习1.如图2-49(a)所示足一个欧姆表的外部构造示意图,其正、负插孔内分别插有红、黑表笔,则虚线内的电路图应是(b)图中的图().2.用多用电表的欧姆档(×1KΩ)检查性能良好的晶体二极管,发现多用电表的表针向右偏转角度很小,这说明()A.二极管加有正向电压,故测得电阻很小B.二极管加有反向电压,故测得电阻很大C.此时红表笔接的是二极管的正极D.此时红表笔接的是二极管的负极3.欧姆表电路及刻度盘如图2-50所示,现因表头损坏,换用一个新表头.甲表头满偏电流为原来表头的2倍,内阻与原表头相同;乙表头满偏电流与原表头相同,内阻为原表头的2倍,则换用甲表头和换用乙表头后刻度盘的中值电阻分别为()A.100Ω,100ΩB.200Ω,100ΩC.50Ω,100ΩD.100Ω,200Ω4.一个多用电表内的电池已使用很久了,但是转动调零旋钮时,仍可使表针调至零欧姆刻度处.用这只多用表测出的电阻值R’,与被测电阻的真实值R相比()A.R’=RB.R’>RC.R’<RD.无法确定5.如图2-52所示是把量程为3mA的电流表改装成欧姆表的示意图,其中E1=1.5V。结束后若将原电流表3mA刻度处定为零阻值位置,则2mA刻度处应标多少?ImA刻度处应标多少?提高练习1.一只灵敏电流表满偏电流为200μA,把它改装成欧姆表后,用它测量10kΩ电阻时,表针恰好指在100μA处,用它测量另一只电阻Rx时,表针指在50μA处,则Rx=。2.某同学测量一只未知阻值的电阻.(1)他先用多用电表进行测量,按照正确的步骤操作后,测量的结果如图2-53(甲)所示.请你读出其图2-49图2-50图2-52图2-53阻值大小为_____________.为了使多用电表测量的结果更准确,该同学接着应该进行哪些操作?答:_________________.(2)若该同学再用“伏安法”测量该电阻,所用器材如图2-53(乙)所示,其中电压表内阻约为5kΩ,电流表内阻约为5Ω,变阻器阻值为50Ω.图中部分连线已经连接好,为了尽可能准确地测量电阻,请你完成其余的连线.(3)该同学按照“伏安法”测量电阻的要求连接好图乙电路后,测得的电阻值将___________(填“大...

1、当您付费下载文档后,您只拥有了使用权限,并不意味着购买了版权,文档只能用于自身使用,不得用于其他商业用途(如 [转卖]进行直接盈利或[编辑后售卖]进行间接盈利)。
2、本站所有内容均由合作方或网友上传,本站不对文档的完整性、权威性及其观点立场正确性做任何保证或承诺!文档内容仅供研究参考,付费前请自行鉴别。
3、如文档内容存在违规,或者侵犯商业秘密、侵犯著作权等,请点击“违规举报”。

碎片内容

人教版高中物理选修1多用电表同步练习x

您可能关注的文档

文库当当响+ 关注
实名认证
内容提供者

该用户很懒,什么也没介绍

确认删除?
VIP
微信客服
  • 扫码咨询
会员Q群
  • 会员专属群点击这里加入QQ群
客服邮箱
回到顶部