电脑桌面
添加小米粒文库到电脑桌面
安装后可以在桌面快捷访问

高一化学必修一第二章同步练习(附答案)(1)VIP免费

高一化学必修一第二章同步练习(附答案)(1)_第1页
1/7
高一化学必修一第二章同步练习(附答案)(1)_第2页
2/7
高一化学必修一第二章同步练习(附答案)(1)_第3页
3/7
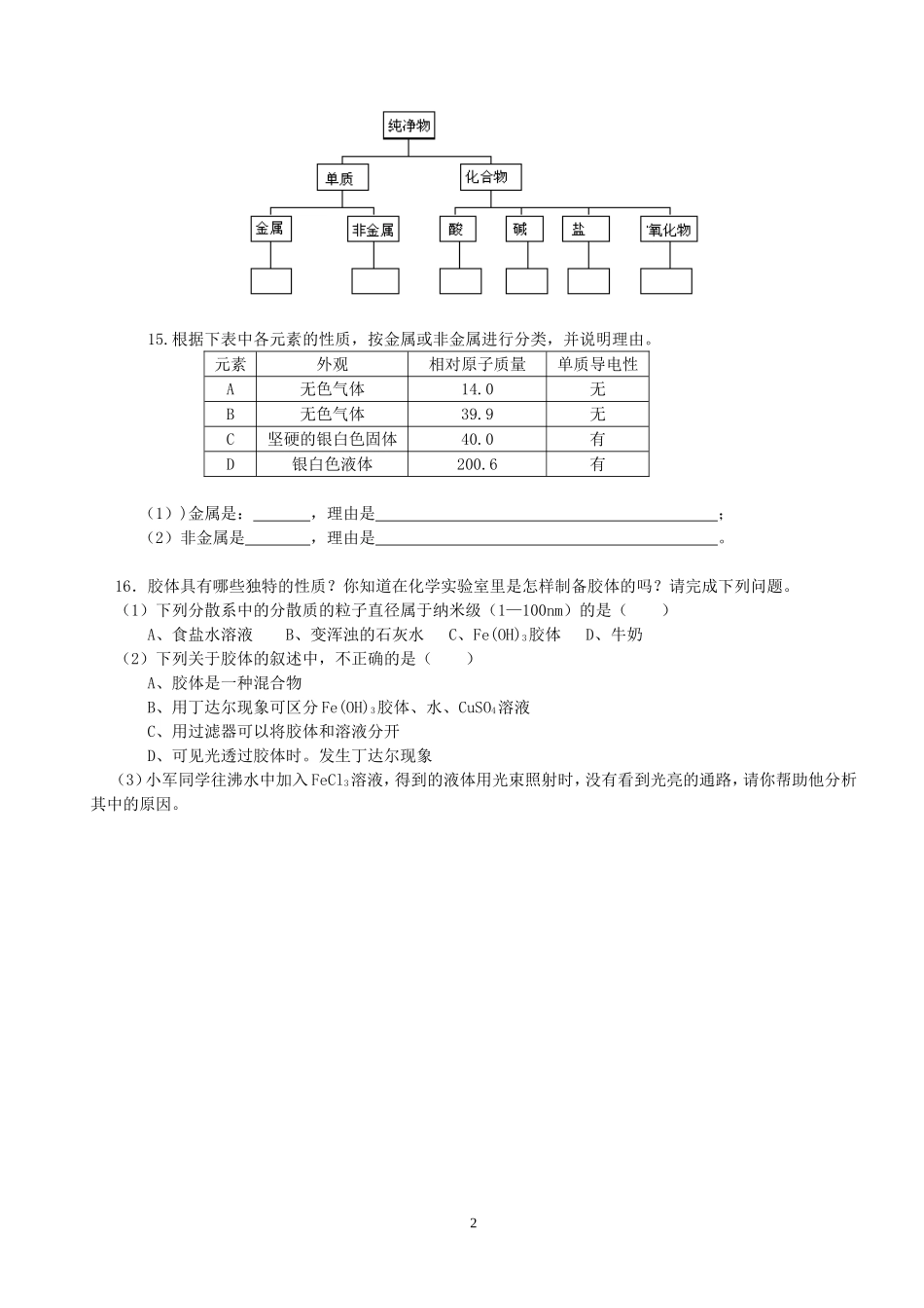
大乘文化学校课时练习第二章化学物质及其变化第一节物质的分类1.“白马非马”的论断正确性的原因()A.矛盾的对立统一B.事物总存在共性和特性C.论断随时代而变D.物质分类的结果2.给物质分类时由于标准不同往往会出现()A.树状分类法B.环状分类法C.球状分类法D.交叉分类法3.人们把球分成篮球、排球、羽毛球等属于()A.树状分类法B.环状分类法C.球状分类法D.交叉分类法4.给物质分类的好处在于:()A.有利于认识事物B.有利于弥补事物的先天不足C.有利于人们开拓视野D.有利于发现事物的特性5.根据分散剂和分散质的状态不同可以组成()种分散系A.3B.11C.9D.66.下关于列关于溶液的叙述正确的是()A.所有溶液都是无色的B.由分散质和分散剂组成的分散系一定是溶液C.、均一稳定的液体是溶液D.溶液是由溶质和溶剂组成的7.下列物质①过滤后的天然水②变浑浊的石灰水③石蕊试液④牛奶⑤盐酸⑥碘酒,其中属于溶液的是()A.①③B.②④C③⑤⑥D①③⑤⑥8.下列物质中属于溶液的是(),属于浊液的是(),属于胶体的是()A.将少量二氧化碳通入石灰水后得到的混合物B.液氮C.碘酒D.煮沸的FeCl3溶液9.下列关于胶体的性质叙述正确的是()A.只带正电荷B.能产生丁达尔效应C.相当稳定D.都是透明的10.从一杯蔗糖溶液的上部取一些溶液,测定它的密度为ag/cm3,再从下部取一些溶液,测定它的密度数值应为()A.大于aB.小于aC.等于aD.无法确定11.当分散系是水或其他液体时,如果按照分散质粒子大小可以把分散系分为、、。12.通常使用的分类方法是、。13.将A中的人按B中的分类标准分类,14.请按下列线条提示,画出Fe、Cu、S、H2、HCl、NaOH、H2So4、Ba(OH)2、NaHCO3、K2O、CuO、NaCl的树状分类图:115.根据下表中各元素的性质,按金属或非金属进行分类,并说明理由。元素外观相对原子质量单质导电性A无色气体14.0无B无色气体39.9无C坚硬的银白色固体40.0有D银白色液体200.6有(1))金属是:,理由是;(2)非金属是,理由是。16.胶体具有哪些独特的性质?你知道在化学实验室里是怎样制备胶体的吗?请完成下列问题。(1)下列分散系中的分散质的粒子直径属于纳米级(1—100nm)的是()A、食盐水溶液B、变浑浊的石灰水C、Fe(OH)3胶体D、牛奶(2)下列关于胶体的叙述中,不正确的是()A、胶体是一种混合物B、用丁达尔现象可区分Fe(OH)3胶体、水、CuSO4溶液C、用过滤器可以将胶体和溶液分开D、可见光透过胶体时。发生丁达尔现象(3)小军同学往沸水中加入FeCl3溶液,得到的液体用光束照射时,没有看到光亮的通路,请你帮助他分析其中的原因。2第二节离子反应1.下列关于电解质的说法正确的是()A.液态HCl不导电,所以HCl不是电解质B.NH3溶于水形成的溶液能导电,所以NH3是电解质C.SO2溶于水能导电,所以SO2是电解质D.BaSO4在水溶液中难导电,但熔融下能导电所以BaSO4是电解质2.下列物质属于电解质的是()A.CO2B.Cl2C.Na2CO3D.NH33.在下列化合物中,只有在溶液状态下才能导电的电解质是()A.NaClB.酒精C.H2SO4D.NH4HCO34.下列各组均为两种化合物溶于水时电离出的离子,其中由酸电离的是()A.Na+、OH-、SO42-B.H+、Cl-、SO42-C.Na+、K+、OH-D.Na+、K+、NO3-5.要使溶液中存在大量的K+、Na+、H+、NO3-和SO42-五种离子,则在蒸馏水中至少溶解几种物质?()A.2种B.3种C.4种D.5种6.在某溶液中仅存在Na+、Fe3+、SO42-三种离子,已知Na+和SO42-个数比为3∶2,则Na+、Fe3+和SO42-三种离子的个数比为()A.9:1:6B.3:1:2C.1:1:1D.6:1:97.下列说法正确的是()A.电离时生成的阳离子全部是氢离子的化合物叫做酸B.只有酸电离时,阳离子才是氢离子C.电离时生成的阴离子全部是氢氧根离子的化合物叫做碱D.所有的盐电离时都生成金属离子和酸根离子8.能用H++OH-=H2O表示的化学方程式为()A.稀H2SO4和Ba(OH)2溶液反应B.氢氧化铜和稀盐酸反应C.氢氧化钾和稀H2SO4反应D.氢氧化钠和醋酸反应9.下列离子方程式书写正确的是()A.Na与水反应:Na+H2O=Na++OH-+H2↑B.Fe与盐酸反应:2Fe+6H+=2Fe3+3H2↑C.Cu和AgNO溶液反应:Cu+Ag+=Cu2++Ag+D.石灰石与盐酸反应:CaCO3+2H+=Ca2++H2O+CO2↑10.对四种无色溶液进行所含离子的检验,结论如下,错误的是()A.K+、Na+...

1、当您付费下载文档后,您只拥有了使用权限,并不意味着购买了版权,文档只能用于自身使用,不得用于其他商业用途(如 [转卖]进行直接盈利或[编辑后售卖]进行间接盈利)。
2、本站所有内容均由合作方或网友上传,本站不对文档的完整性、权威性及其观点立场正确性做任何保证或承诺!文档内容仅供研究参考,付费前请自行鉴别。
3、如文档内容存在违规,或者侵犯商业秘密、侵犯著作权等,请点击“违规举报”。

碎片内容

高一化学必修一第二章同步练习(附答案)(1)

您可能关注的文档

确认删除?
VIP
微信客服
  • 扫码咨询
会员Q群
  • 会员专属群点击这里加入QQ群
客服邮箱
回到顶部