电脑桌面
添加小米粒文库到电脑桌面
安装后可以在桌面快捷访问

仪器设备期间核查计划VIP免费

仪器设备期间核查计划_第1页
1/11
仪器设备期间核查计划_第2页
2/11
仪器设备期间核查计划_第3页
3/11
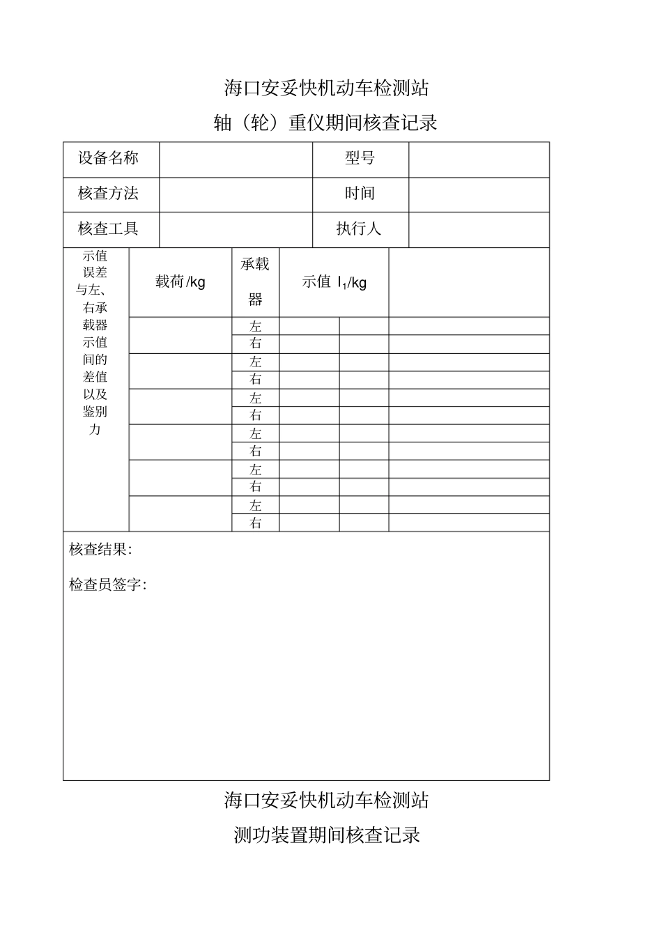
宜宾市汽车运输也车辆综合性能检测站2014年仪器设备期间核查计划1目的为了证明本站在用测量设备、检验设备在两次检定/校准间隔内,保持其准确可靠,特制定本程序2适用范围适用于本站在用测量设备、检验设备的期间核查;3职责3.1检测组负责人负责期间核查方案的制定和实施;3.2技术管理者负责审批期间核查方案,组织实施;3.3办公室负责对期间核查实施监督管理。4程序4.1需进行期间核查的对象;4.1.1新购的仪器设备及首次使用的标准物质等;4.1.2仪器设备稳定性考核结果证明其检定数据超出稳定性允差的;4.1.3携带到现场检测的仪器设备和使用频繁的仪器设备;4.1.4仪器设备在运行过程中,有可疑现象发生等。4.2期间核查可选用的方法:4.2.1采用高一精度等级的仪器设备或有证标准物质进行核查;4.2.2采用同等精度的仪器设备进行比对;4.2.3选用稳定性好,灵敏度高的样品在不同时期不同地点进行多次重复测量,并采用统计技术对每次测量结果进行评估;4.2.4通过对样品不同特性检验结果相关性进行验算。4.3制定期间核查方案4.3.1检测组负责人根据仪器设备稳定性考核记录确定期间核查对象;4.3.2技术负责人选择核查方法,确定核查间隔及结果评定要求,按照核查对象归类编制核查方案;4.3.3技术管理者对核查方案审核批准后,组织实施。4.4期间核查的实施4.4.1检验人员按照期间核查方案的要求开展期间核查并记录;4.4.2检测组负责人负责对核查结果进行确认;4.4.3办公室负责对期间核查监督管理;4.4.4经期间核查确认该仪器设备为失准的,按《仪器设备使用维护、保养管理程序》办理。4.4.5期间核查计划表序号设备名称期间核查方式责任人计划时间1汽车侧滑检测台比对试验黄涛2014.05比对试验黄涛2014.102前大灯检测仪比对试验黄涛2014.05比对试验黄涛2014.103底盘测功机(车速)比对试验黄涛2014.05比对试验黄涛2014.104声级计比对试验黄涛2014.05比对试验黄涛2014.105汽车制动检测台比对试验黄涛2014.05比对试验黄涛2014.106废气分析仪比对试验黄涛2014.05比对试验黄涛2014.107汽车轴重检测仪比对试验黄涛2014.05比对试验黄涛2014.108不透光烟度计比对试验黄涛2014.05比对试验黄涛2014.105、相关文件《仪器期间核查程序》CXWJ018《仪器设备使用维护、保养管理程序》CXWJ017《量值溯源程序》CXWJ023《实验室对比/能力验证程序》CXWJ025编制人:批准人:二0一四年一月三日海口安妥快机动车检测站轴(轮)重仪期间核查记录设备名称型号核查方法时间核查工具执行人示值误差与左、右承载器示值间的差值以及鉴别力载荷/kg承载器示值I1/kg左右左右左右左右左右左右核查结果:检查员签字:海口安妥快机动车检测站测功装置期间核查记录设备名称型号核查方法时间核查工具执行人内侧母线平行度转矩方向力值砝码/Nm标准转矩/Nm测功装置示值/Nm进程回程123平均值123平均值顺向核查结果:核查人员签字:海口安妥快机动车检测站制动检验台期间核查记录设备名称型号核查方法时间核查工具执行人示值误差标准值(kg)制动台增载减载仪表示值(dan)示值误差%仪表示值(dan)123123左右左右左右左右左右左右核查结果:核查人员签字:海口安妥快机动车检测站踏板力期间核查记录设备名称型号核查方法时间核查工具执行人检定点示值(N)示值误差(%)12核查结果核查人员签字:海口安妥快机动车检测站侧滑检验台期间核查记录设备名称型号核查方法时间核查工具执行人零点漂移示值误差滑板方向仪表示值m/km百分表示值mm示值误差m/km123平均左左35710报警点误差侧滑板动力右35710右左35710右35710核查结果:核查人员签字:海口安妥快机动车检测站废气分析仪期间核查记录设备名称型号核查方法时间核查工具执行人HCHC标准值(10-6vol)气体测试仪示值(10-6)示值误差Δa(绝对误差)(10-6vol)示值误差Δb(相对误差)(%)123平均COCO标准值(%vol)气体测试仪示值(10-6)示值误差Δa(绝对误差)(%vol)示值误差Δb(相对误差)(%)123平均核查结果:核查人员签字:海口安妥快机动车检测站烟度计期间核查记录设备名称型号核查方法时间核查工具执行人烟度卡标准值(FSN)烟度计示值(FSN)示值误差(FSN)123平均核查结果:核查人员签字:海口安妥快机...

1、当您付费下载文档后,您只拥有了使用权限,并不意味着购买了版权,文档只能用于自身使用,不得用于其他商业用途(如 [转卖]进行直接盈利或[编辑后售卖]进行间接盈利)。
2、本站所有内容均由合作方或网友上传,本站不对文档的完整性、权威性及其观点立场正确性做任何保证或承诺!文档内容仅供研究参考,付费前请自行鉴别。
3、如文档内容存在违规,或者侵犯商业秘密、侵犯著作权等,请点击“违规举报”。

碎片内容

仪器设备期间核查计划

您可能关注的文档

确认删除?
VIP
微信客服
  • 扫码咨询
会员Q群
  • 会员专属群点击这里加入QQ群
客服邮箱
回到顶部