电脑桌面
添加小米粒文库到电脑桌面
安装后可以在桌面快捷访问

山东省龙口市九年级物理上学期期中试卷VIP免费

山东省龙口市九年级物理上学期期中试卷_第1页
1/13
山东省龙口市九年级物理上学期期中试卷_第2页
2/13
山东省龙口市九年级物理上学期期中试卷_第3页
3/13
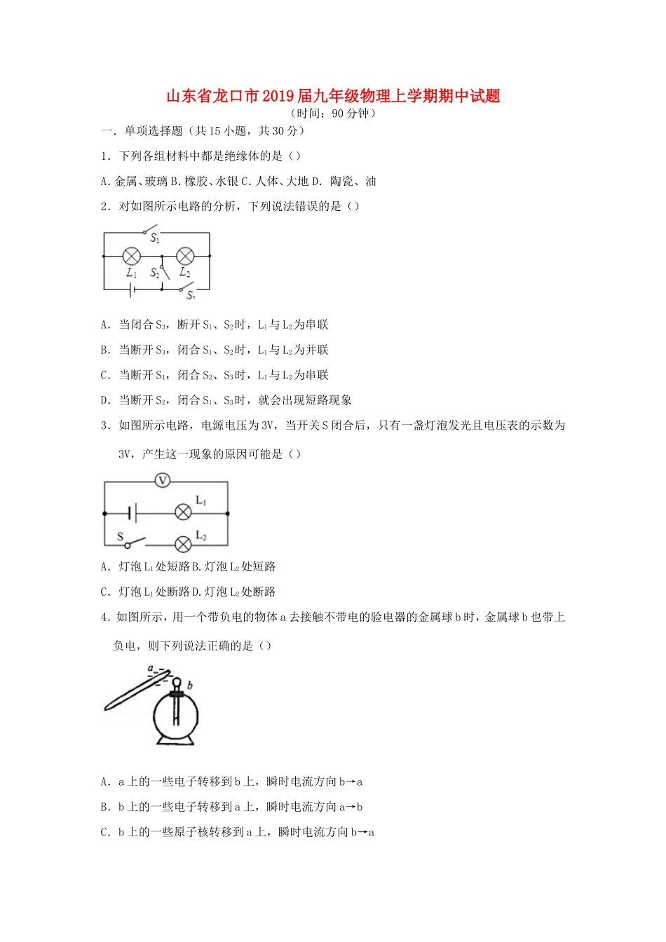
山东省龙口市2019届九年级物理上学期期中试题(时间:90分钟)一.单项选择题(共15小题,共30分)1.下列各组材料中都是绝缘体的是()A.金属、玻璃B.橡胶、水银C.人体、大地D.陶瓷、油2.对如图所示电路的分析,下列说法错误的是()A.当闭合S3,断开Sl、S2时,L1与L2为串联B.当断开S3,闭合S1、S2时,L1与L2为并联C.当断开S1,闭合S2、S3时,L1与L2为串联D.当断开S2,闭合Sl、S3时,就会出现短路现象3.如图所示电路,电源电压为3V,当开关S闭合后,只有一盏灯泡发光且电压表的示数为3V,产生这一现象的原因可能是()A.灯泡L1处短路B.灯泡L2处短路C.灯泡L1处断路D.灯泡L2处断路4.如图所示,用一个带负电的物体a去接触不带电的验电器的金属球b时,金属球b也带上负电,则下列说法正确的是()A.a上的一些电子转移到b上,瞬时电流方向b→aB.b上的一些电子转移到a上,瞬时电流方向a→bC.b上的一些原子核转移到a上,瞬时电流方向b→aD.a上的一些原子核转移到b上,瞬时电流方向a→b5.如图5所示的电路,闭合开关S后发现L1正常发光,L2只能微弱发光,以下对于这一现象产生原因的分析中,合理的是()A.灯泡L2发生了断路B.灯泡L2发生了短路C.由于灯泡L2的电阻较大,其实际功率较小D.由于灯泡L2的电阻较小,其实际功率较小6.小明将两个分别标有“6V0.5A”和“2V0.3A”字样的小灯泡L1、L2串联接入电路,测得通过L2的电流是0.3A,则通过L1的电流是()A.0.2AB.0.3AC.0.5AD.0.8A7.如图的四个电路中,电源电压U相同,R1<R2,电路的总电阻由小到大的顺序是()A.甲乙丙丁B.丁甲乙丙C.丁乙丙甲D.丙乙甲丁8.根据欧姆定律可导出公式R=,依此可测定导体的电阻,下列说法中正确的是()A.导体的电阻与导体两端的电压成正比B.导体的电阻与本身的材料和属性有关,与电压、电流无关C.导体的电阻既与导体两端的电压成正比,又与导体中的电流成反比D.导体的电阻与导体中的电流成反比9.在研究电流与电阻的关系时,小刚先用5Ω的定值电阻进行实验,使电压表的示数为3V,记下电流表的示数,接着换用10Ω的定值电阻后,闭合开关,他下一步的操作是()A.记录电流表和电压表的示数B.将变阻器滑片向左移动直至电压表示数恢复3VC.将变阻器滑片向右移动直至电压表示数恢复3VD.增加电阻的数值直至电压表示数恢复3V10.某规格热敏电阻的阻值随环境温度的变化如图所示,如果设计一个通过电表示数反映热敏电阻随环境温度变化的电路,要求温度升高时电表示数减小,下列如图所示的电路中符合要求的可能是()AB.C.D.11.一盏标有“36V40W”的电灯接在某电路上,通过灯的电流是1A,则这盏灯的实际功率为()A.等于40WB.大于40WC.等于36WD.小于36W12.如图所示的电路中,电源电压保持不变,R1为定值电阻,开关S闭合,滑动变阻器的滑片P向左移动,下列说法正确的是()A.电压表示数变小,电压表与电流表示数乘积变大B.电压表示数变小,电压表与电流表示数之比不变C.电压表示数变大,电压表与电流表示数乘积变小D.电压表示数变大,电压表与电流表示数之比不变13.有甲、乙两盏电灯,甲灯上标有“36V60W”,乙灯上标有“220V60W”,当它们分别在其额定电压下工作发光时,其亮度()A.乙灯比甲灯更亮B.甲灯比乙灯更亮C.两盏灯一样亮D.无法判断哪盏灯更亮14.标有“6V3W”的小灯泡,通过它的电流与电压的关系如图所示.若把它与一只电阻并联接在电压为4V的电路中,则小灯泡消耗的功率为()A.3WB.1.3WC.1.6WD.5W15.标着“220V40W”的电风扇和电烙铁,都正常工作10min,则正确的说法是()A.做的功和产生的热量都一样多B.电风扇所做的功多,电烙铁产生的热量多C.消耗的电能一样多,但做的功不一样多D.消耗的电能一样多,但电烙铁产生的热量多二.填空题(共6小题,共24分)16.如图是自动测量油箱的油量装置图.其中Rˊ是定值电阻,R是弧形变阻器,它的金属滑片是金属杠杆的一端,此装置中油量表是由改装的,油位越高,油量表的偏转越。16题17题17.如图所示,是研究电流热效应的部分实验电路,甲电阻丝的阻值小于乙电阻丝的阻值.比较通电后两根电阻丝两端的电压...

1、当您付费下载文档后,您只拥有了使用权限,并不意味着购买了版权,文档只能用于自身使用,不得用于其他商业用途(如 [转卖]进行直接盈利或[编辑后售卖]进行间接盈利)。
2、本站所有内容均由合作方或网友上传,本站不对文档的完整性、权威性及其观点立场正确性做任何保证或承诺!文档内容仅供研究参考,付费前请自行鉴别。
3、如文档内容存在违规,或者侵犯商业秘密、侵犯著作权等,请点击“违规举报”。

碎片内容

山东省龙口市九年级物理上学期期中试卷

确认删除?
VIP
微信客服
  • 扫码咨询
会员Q群
  • 会员专属群点击这里加入QQ群
客服邮箱
回到顶部