电脑桌面
添加小米粒文库到电脑桌面
安装后可以在桌面快捷访问

初三化学第五单元常见的酸和碱知识精讲 鲁教版 试题VIP免费

初三化学第五单元常见的酸和碱知识精讲 鲁教版 试题_第1页
1/15
初三化学第五单元常见的酸和碱知识精讲 鲁教版 试题_第2页
2/15
初三化学第五单元常见的酸和碱知识精讲 鲁教版 试题_第3页
3/15
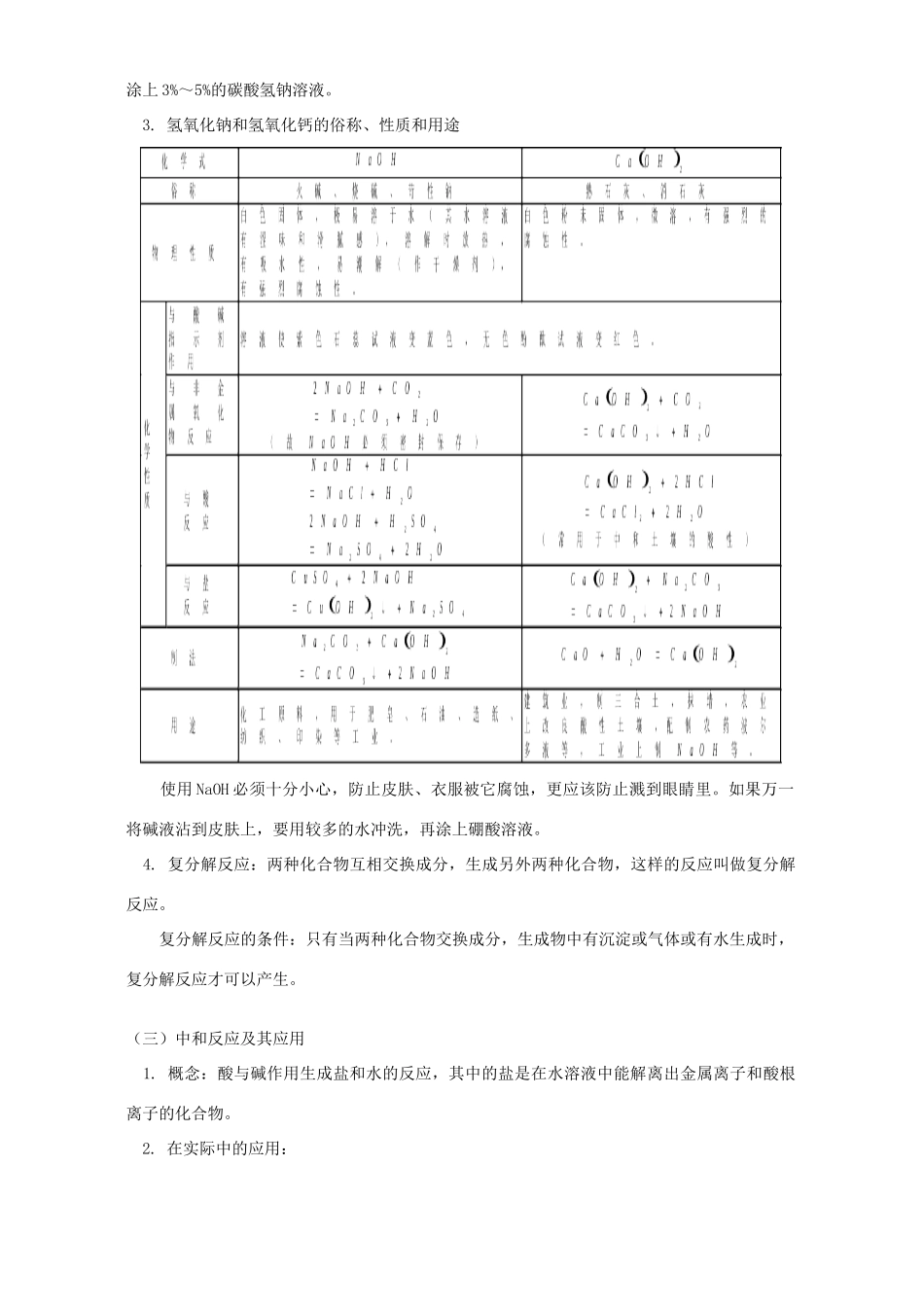
初三化学第五单元常见的酸和碱知识精讲一.本周教学内容:第五单元常见的酸和碱[主要内容]1.认识酸碱指示剂。化学反应。3.知道溶液的酸碱度——pH4.掌握酸和碱各自的化学性质以及常见的酸、碱的物理性质、化学性质及用途,并能灵活运用。5.理解中和反应及其应用。6.掌握利用化学方程式进行有关反应物、生成物质量简单计算的方法和技能,理解质量守恒定律是利用化学方程式进行计算的依据。[知识要点](一)生活中的酸和碱1.酸碱指示剂2.溶液酸碱性的强弱程度(1)溶液的酸碱性强弱程度叫溶液的酸碱度。溶液的酸碱度常用pH来表示,pH的范围通常在0~14之间。pH和溶液的酸碱性:pH>7,溶液显碱性pH=7,溶液呈中性pH<7,溶液显酸性测定溶液pH最简单的方法是用pH试纸。使用方法是用玻璃棒蘸取被测溶液滴到试纸上,把试纸显示的颜色与标准比色卡比较,即可得出被测液体的pH。(2)了解溶液的酸碱性的重要意义①科学实验及工厂生产有许多反应必须在一定pH溶液中才能进行。②农作物一般适宜在pH接近或等于7的土壤中茁壮生长。③测定雨水的pH能了解空气污染程度。④测定人体内或排出的液体的pH,可以了解人的健康状况。(二)酸和碱的性质1.盐酸和硫酸的性质和用途2.浓硫酸的稀释(1)在稀释浓硫酸时,一定要把浓硫酸沿器壁慢慢注入水中,并不断搅拌,切不可将水倒进浓硫酸里。(2)如果不慎将浓硫酸沾到皮肤或衣服上,应立即用抹布擦拭。再用大量水冲洗,然后涂上3%~5%的碳酸氢钠溶液。3.氢氧化钠和氢氧化钙的俗称、性质和用途使用NaOH必须十分小心,防止皮肤、衣服被它腐蚀,更应该防止溅到眼睛里。如果万一将碱液沾到皮肤上,要用较多的水冲洗,再涂上硼酸溶液。4.复分解反应:两种化合物互相交换成分,生成另外两种化合物,这样的反应叫做复分解反应。复分解反应的条件:只有当两种化合物交换成分,生成物中有沉淀或气体或有水生成时,复分解反应才可以产生。(三)中和反应及其应用1.概念:酸与碱作用生成盐和水的反应,其中的盐是在水溶液中能解离出金属离子和酸根离子的化合物。2.在实际中的应用:(1)改变土壤的酸碱性。如:酸性土壤中加入熟石灰。(2)处理工厂的废水。如:用熟石灰处理硫酸厂的污水。(3)用于医药:如用氢氧化铝中和胃酸。(四)化学反应中的有关计算1.解题步骤:(1)设未知量。(2)写出反应的化学方程式。(3)找出已知量和未知量之间的关系。(4)列比例式求解。(5)写出简明答案。(6)回顾检查:检查所依据的方程式是否正确,已知量和未知量之间的关系是否正确,单位是否正确,数值大小是否合理,有效数字是否正确。2.对计算步骤及方法的理解要注意以下几点:(1)计算过程必须规范。(2)各代入量均指纯净物的质量。若物质不纯,必须换算成纯净物的质量才能代入化学方程式进行计算。(3)计算中所用的质量必须是实际参加反应的物质的质量。(4)计算过程中的各物理量的单位必须对应统一,单位要带入计算过程。例1.欲将含有盐酸的氯化钙溶液中和至中性,在不用指示剂的条件下,应加入的试剂是()A.石灰粉末B.生石灰C.熟石灰D.纯碱答案:A分析:例2.下列各组内的两种物质之间,不能发生复分解反应的是()A.(2)(3)(7)(8)B.(1)(4)(6)(7)C.(3)(5)(6)(7)D.(3)(4)(5)(8)答案:C例3.某正二价金属1g与适量的稀硫酸完全反应,得到5g硫酸盐,则该金属的相对原子质量为____________。答案:24解:设该正二价金属M的相对原子质量为x答:则该金属的相对原子质量为24。例4.某化合物完全燃烧,需要4.8g氧气,同时只生成4.4g二氧化碳和2.7g水,则该化合物中()A.含有碳、氢、氧三种元素B.只含有碳、氢两种元素C.只含有碳、氧两种元素D.无法计算答案:A解:所以原化合物中含氧元素。(答题时间:90分钟)一.选择题。1.使酚酞试液变红色的溶液,能使紫色石蕊试液()A.变红色B.变蓝色C.变无色D.不变色2.某环境监测兴趣小组的同学监测到南京市近60%的降雨pH<5.6,这种雨水()A.能使酚酞试液变红B.呈中性C.显酸性D.显碱性3.混有水蒸气的下列气体中,可用固体氢氧化钠干燥的是()A.氢气B.氯化氢C.二氧化碳D.二氧化硫4.一些物质...

1、当您付费下载文档后,您只拥有了使用权限,并不意味着购买了版权,文档只能用于自身使用,不得用于其他商业用途(如 [转卖]进行直接盈利或[编辑后售卖]进行间接盈利)。
2、本站所有内容均由合作方或网友上传,本站不对文档的完整性、权威性及其观点立场正确性做任何保证或承诺!文档内容仅供研究参考,付费前请自行鉴别。
3、如文档内容存在违规,或者侵犯商业秘密、侵犯著作权等,请点击“违规举报”。

碎片内容

初三化学第五单元常见的酸和碱知识精讲 鲁教版 试题

您可能关注的文档

星河书苑+ 关注
实名认证
内容提供者

从事历史教学,热爱教育,高度负责。

确认删除?
VIP
微信客服
  • 扫码咨询
会员Q群
  • 会员专属群点击这里加入QQ群
客服邮箱
回到顶部