电脑桌面
添加小米粒文库到电脑桌面
安装后可以在桌面快捷访问

企业汽车修理工技术等级标准VIP免费

企业汽车修理工技术等级标准_第1页
1/12
企业汽车修理工技术等级标准_第2页
2/12
企业汽车修理工技术等级标准_第3页
3/12
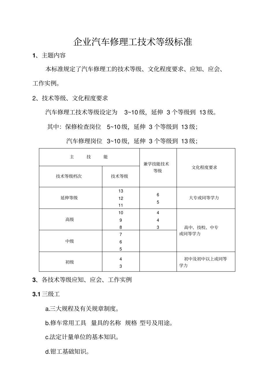
企业汽车修理工技术等级标准1、主题内容本标准规定了汽车修理工的技术等级、文化程度要求、应知、应会、工作实例。2、技术等级、文化程度要求汽车修理工技术等级设定为3~10级,延伸3个等级到13级。其中:保修检查岗位5~10级,延伸3个等级到13级;汽车修理岗位3~10级,延伸3个等级到13级;主技能兼学技能技术等级文化程度要求技术等级档次技术等级延伸等级13121165大专或同等学力高级1098443高中、技校、中专或同等学力中级765初级43初中及初中以上或同等学力3、各技术等级应知、应会、工作实例3.1三级工a.三大规程及有关规章制度。b.修车常用工具量具的名称规格型号及用途。c.法定计量单位的基本知识。d.钳工基础知识。e.螺纹标准的基本知识。f.车辆维护的目的及其调整、紧固、润滑作业范围。g.汽车常用各种燃料、润滑剂牌号、一般性能、用途及识别方法。h.汽车常用衬垫材料的性质、用途。i.汽车及拖挂的一般构造,各总成部件的名称、作用。a.执行三大规程及有关规章制度。b.正确使用通用工具、常用量具和安全生产设备。.c.及时、准确地配合主修技工做好修车前的准备工作。d.正确安装汽车一般螺纹紧固件和销类连接件。e.钳工基本操作技能(錾、锉、锯、铆)要点。f.选用合适的材料制作常用衬垫(不包括汽缸垫、排气歧管垫)g.选用燃油、润滑剂、液压油。h.拆装底盘各总成连接,拆装顺序正确,安装达到旋紧度要求,装配关系正确。i.简单的调整作业和一般的紧固作业。J.一般车辆润滑点的润滑作业。a.正确使用工机具,正确选用润滑剂,完成东风EQ1091车型底盘润滑点的润滑作业。b.按技术操作规程,正确拆装(不含解体)东风EQ1091车型传动轴总成,装配达到技术规范要求。c.载重汽车横拉杆的保养作业,安装符合技术规范要求。d.制作一付EQ6100型发动机衬垫,符合装配要求。3.2四级工a.常用仪表、量具、机具设备名称、性能和用途。b.法定计量单位及其换算方法。c.常用金属和非金属材料的分类、牌号及性能、用途。d.汽车各级保养作用技术规范。e.了解车辆常用的主要数据。f.了解汽车各主要总成的构造、作用和工作过程。g.本单位一般车辆各总成的主要零部件的拆装顺序及其作用。h.发动机零件的装配记号及其用途,熟悉记号的标记方法。i.一般汽车主要螺栓旋紧扭力标准。j.汽车修理作业的一般工艺方法,简单的机加工工艺。k.机械制图的基本知识。i.钳工基本知识。a.使用通用量具和专用工具(如米尺、千分尺、卡尺、一般拉器、扭力扳手等)。b.通用修车机具设备的维护、保养。c.完成车辆的一般检查,调整作业项目,在指导下正确完成较复杂的调整作业项目。d.部分总成的拆卸工作,清洗内部零件,并能正确分类、摆放。e.独立完成一般小修换件作业(如水泵、刹车分泵、传动轴、驱动轮毂等)。f.在指导下安装、刮削、校合发动机主要滑动轴承。g.简单零件草图、看懂简单零件图。h.绘制简单零件草图,看懂简单零件图。i.钳工基本操作技能。a.检修EQ1091载重汽车传动轴,达到技术规范要求。b.更换EQ6100型发动机汽缸垫,达到使用技术要求。c.检修EQ6100型发动机水泵,达到使用标准。d.EQ1091型载重汽车驱动轮毂保养,达到二级保养验收标准。3.3五级工a.汽车电工学基础知识。b.机械制图基础知识。c.常用仪器、仪表规格、名称及使用要求。d.主要配合件之间的公差配合要求及一般检验方法。e.一般车辆的技术性能参数及本单位其他类型车辆的特殊要求。f.本单位汽车修理作业的常规工艺过程。g.汽车用轴承、油封的种类、规格和使用要求。h.汽车简单故障的分析、检查方法。i.汽车各主要总成的工作原理。j.汽车修理作业的一般计算知识。k.修车专用机具的构造原理及使用方法。a.使用、维护修车装用工机具及常用仪器、仪表。b.汽车二级保养、较复杂的调修作业项目。c.进行发动机零部件、附件的分装、调修工作。d.汽车各部主要总成件的解体及一般零部件的检验工作。e.总成件的一般调整、检修作业。f.汽车简单故障的排除和检修。g.绘制一般零件图、正确标注尺寸和技术要求。a.拆修EQ1091型汽车方向机总成,达到装配、使用技术要求。b.EQ1091型汽车制动总泵的拆修、调整,达到使用技术。c.EQ1091型汽车汽泵总成的拆修...

1、当您付费下载文档后,您只拥有了使用权限,并不意味着购买了版权,文档只能用于自身使用,不得用于其他商业用途(如 [转卖]进行直接盈利或[编辑后售卖]进行间接盈利)。
2、本站所有内容均由合作方或网友上传,本站不对文档的完整性、权威性及其观点立场正确性做任何保证或承诺!文档内容仅供研究参考,付费前请自行鉴别。
3、如文档内容存在违规,或者侵犯商业秘密、侵犯著作权等,请点击“违规举报”。

碎片内容

企业汽车修理工技术等级标准

确认删除?
VIP
微信客服
  • 扫码咨询
会员Q群
  • 会员专属群点击这里加入QQ群
客服邮箱
回到顶部