电脑桌面
添加小米粒文库到电脑桌面
安装后可以在桌面快捷访问

2025年硬件设计规范VIP免费

2025年硬件设计规范_第1页
1/8
2025年硬件设计规范_第2页
2/8
2025年硬件设计规范_第3页
3/8
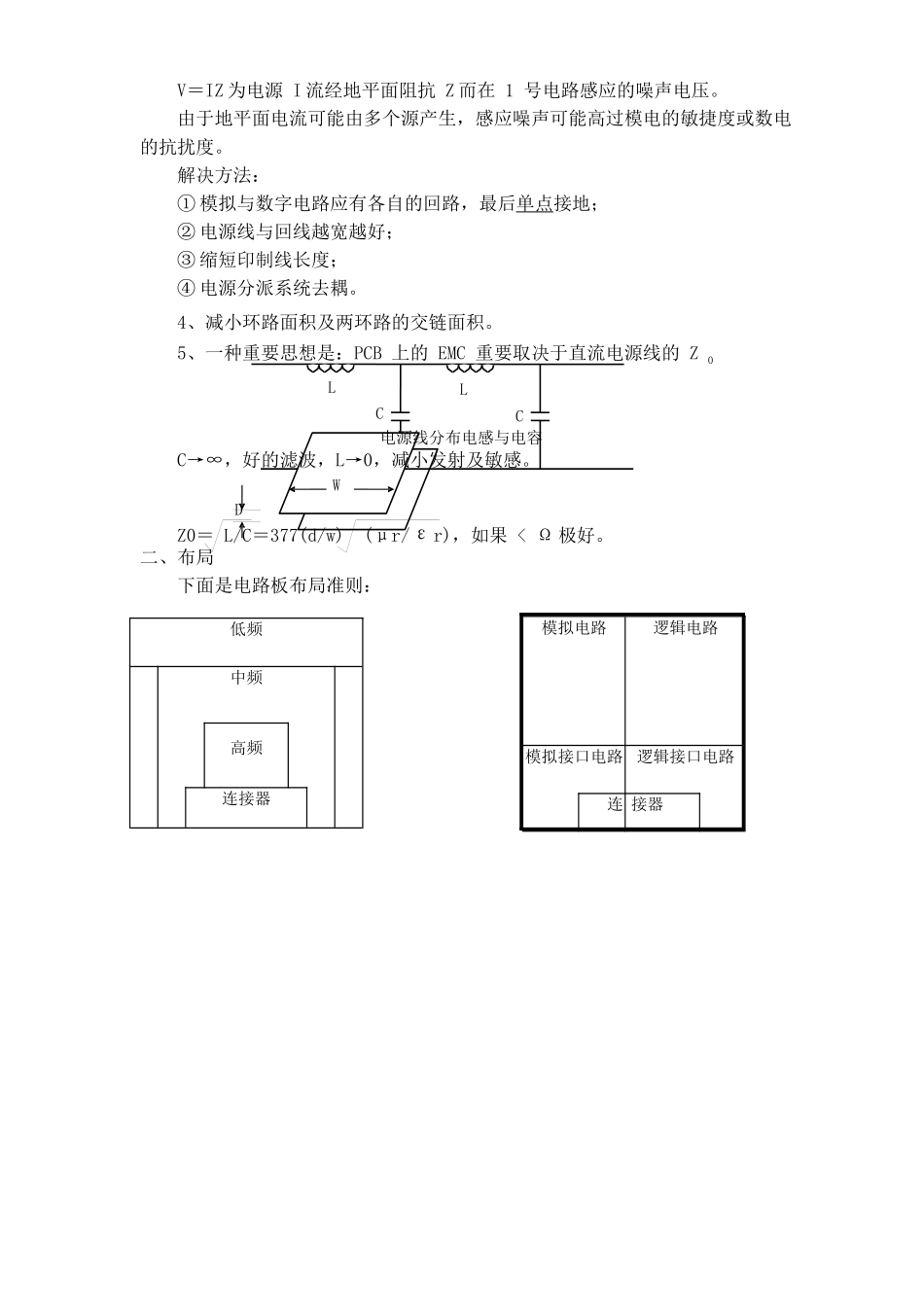
硬件EMC设计规范硬件EMC设计规范引言:本规范只简绍EMC的重要原则与结论,为硬件工程师们在开发设计中抛砖引玉。电磁干扰的三要素是干扰源、干扰传输途径、干扰接受器。EMC就围绕这些问题进行研究。最基本的干扰克制技术是屏蔽、滤波、接地。它们重要用来切断干扰的传输途径。广义的电磁兼容控制技术涉及克制干扰源的发射和提高干扰接收器的敏感度,但已延伸到其它学科领域。本规范重点在单板的EMC设计上,附带某些必须的EMC知识及法则。在印制电路板设计阶段对电磁兼容考虑将减少电路在样机中发生电磁干扰。问题的种类涉及公共阻抗耦合、串扰、高频载流导线产生的辐射和通过由互连布线和印制线形成的回路拾取噪声等。在高速逻辑电路里,这类问题特别脆弱,因素诸多:1、电源与地线的阻抗随频率增加而增加,公共阻抗耦合的发生比较频繁;2、信号频率较高,通过寄生电容耦合到步线较有效,串扰发生更容易;3、信号回路尺寸与时钟频率及其谐波的波长相比拟,辐射更加显着。4、引发信号线路反射的阻抗不匹配问题。一、总体概念及考虑1、五一五规则,即时钟频率到5MHz或脉冲上升时间不大于5ns,则PCB板须采用多层板。2、不同电源平面不能重叠。3、公共阻抗耦合问题。模型:I1ZS1VVZS2I2ZL2ZL1ZGVN1,2I1+I2模拟电路逻辑电路模拟接口电路逻辑接口电路连接器V=IZ为电源I流经地平面阻抗Z而在1号电路感应的噪声电压。由于地平面电流可能由多个源产生,感应噪声可能高过模电的敏捷度或数电的抗扰度。解决方法:①模拟与数字电路应有各自的回路,最后单点接地;②电源线与回线越宽越好;③缩短印制线长度;④电源分派系统去耦。4、减小环路面积及两环路的交链面积。5、一种重要思想是:PCB上的EMC重要取决于直流电源线的Z0LLCC电源线分布电感与电容C→∞,好的滤波,L→0,减小发射及敏感。WDZ0=L/C=377(d/w)(μr/εr),如果<Ω极好。二、布局下面是电路板布局准则:低频中频高频连接器时钟中继/低速逻辑电路低频数字I/O存储器摸-数转换器数-模转换器低频模拟I/O带状电缆连接器1、晶振尽量靠近解决器2、模拟电路与数字电路占不同的区域3、高频放在PCB板的边沿,并逐级排列4、用地填充空着的区域三、布线1、电源线与回线尽量靠近,最佳的办法各走一面。2、为模拟电路提供一条零伏回线,信号线与回程线小与5:1。3、针对长平行走线的串扰,增加其间距或在走线之间加一根零伏线。4、手工时钟布线,远离I/O电路,可考虑加专用信号回程线。5、核心线路如复位线等靠近地回线。6、为使串扰减至最小,采用双面#字型布线。7、高速线避免走直角。8、强弱信号线分开。四、屏蔽1屏蔽>模型:入射反射发射屏蔽材料吸取区域屏蔽效能SE(dB)=反射损耗R(dB)+吸取损耗A(dB)高频射频屏蔽的核心是反射,吸取是低频磁场屏蔽的核心机理。2、工作频率低于1MHz时,噪声普通由电场或磁场引发,(磁场引发时干扰,普通在几百赫兹以内),1MHz以上,考虑电磁干扰。单板上的屏蔽实体涉及变压器、传感器、放大器、DC/DC模块等。更大的涉及单板间、子架、机架的屏蔽。3、静电屏蔽不规定屏蔽体是封闭的,只规定高电导率材料和接地两点。电磁屏蔽不规定接地,但规定感应电流在上有通路,故必须闭合。磁屏蔽规定高磁导率的材料做封闭的屏蔽体,为了让涡流产生的磁通和干扰产生的磁通相消达成吸取的目的,对材料有厚度的规定。高频状况下,三者能够统一,即用高电导率材料(如铜)封闭并接地。4、对低频,高电导率的材料吸取衰减少,对磁场屏蔽效果不好,需采用高磁导率的材料(如镀锌铁)。5、磁场屏蔽还取决于厚度、几何形状、孔洞的最大线性尺寸。6、磁耦合感应的噪声电压U,(A为电路2闭合环路时面积;B为磁通密度;M为互感;I为干扰电路的电流。减少噪声电压,有两个途径,对接受电路而言,B、A和COS0必须减小;对干扰源而言,M和I必须减小。双绞线是个较好例子。它大大减小电路的环路面积,并同时在绞合的另一根芯线上产生相反的电动势。7、避免电磁泄露的经验公式:缝隙尺寸<λmin/20。好的电缆屏蔽层覆视率应为70%以上。五、接地1、300KHz下列普通单点接地,以上多点接地,混合接地频率范畴50KHz~10MHz。另一种分法是...

1、当您付费下载文档后,您只拥有了使用权限,并不意味着购买了版权,文档只能用于自身使用,不得用于其他商业用途(如 [转卖]进行直接盈利或[编辑后售卖]进行间接盈利)。
2、本站所有内容均由合作方或网友上传,本站不对文档的完整性、权威性及其观点立场正确性做任何保证或承诺!文档内容仅供研究参考,付费前请自行鉴别。
3、如文档内容存在违规,或者侵犯商业秘密、侵犯著作权等,请点击“违规举报”。

碎片内容

2025年硬件设计规范

您可能关注的文档

确认删除?
VIP
微信客服
  • 扫码咨询
会员Q群
  • 会员专属群点击这里加入QQ群
客服邮箱
回到顶部