电脑桌面
添加小米粒文库到电脑桌面
安装后可以在桌面快捷访问

2025年模拟电子技术课程标准VIP免费

2025年模拟电子技术课程标准_第1页
1/7
2025年模拟电子技术课程标准_第2页
2/7
2025年模拟电子技术课程标准_第3页
3/7
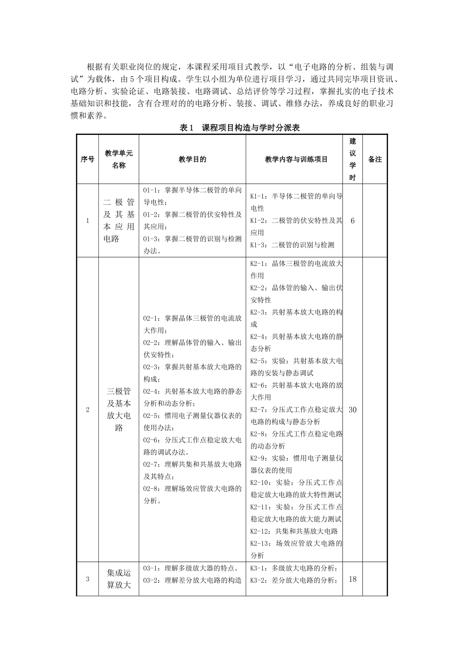
《模拟电子技术》课程原则合用专业:应用电子技术、电子信息工程技术课程代码:C2-2开设时间:第2学期学时数:90一、课程概述《模拟电子技术》是电子信息工程技术专业、应用电子技术专业的一门专业平台基础课程,它是针对中级电子元器件检查员、初中级电子设备装接工、初中级电子设备调试工初中级家用电子产品维修工等岗位工作人员从事的电子元器件测试、电子线路板装接与焊接、电子线路板调试、电子线路板检测、电子线路板故障分析,诊疗和维修、简朴电子线路设计等工作任务进行分析后,归纳总结出其所需的元件识别与测试、电路分析、电路装接、电路调试、电路测试、电路维修、电路设计等能力规定而设立的课程。二、教学目的(一)知识目的直流稳压电源的构成;整流电路的构成与原理;滤波电路的构成与原理;集成稳压电路的构成;集成稳压电源的安装;集成电源的调试与参数测量;直流电源的故障排除;开关直流稳压电源的构成框图;音频单管放大电路的构成;三极管的构造与特性;固定偏置放大电路的构成与分析;分压式放大电路的构成与分析;放大电路的频率特性;音频单管放大电路的设计与安装;音频单管放大电路的调试与测试;音频单管放大电路的故障排除;场效应管及其放大电路;集成放大电路的构成。(二)能力目的能识别、检测及选用电子元器件;能识读电子电路图;能进行电子电路的分析与计算;能使用惯用电子测量仪器仪表;能使用面包板制作电子线路;能进行电子线路板的调试和检测;能进行电子线路板故障分析、诊疗和维修;能进行简朴电子线路的设计;能运用信息媒体检索电子元器件数据手册及有关资料;能阅读电子元器件数据手册及有关资料;能进行电气安全操作;能独立制订工作计划、决策和实施,并精确进行自我评价和吸纳别人评价意见。(三)素质目的含有热爱本职工作、不停开拓创新的能力;劳动组织能力、集体意识和社会责任心;含有团体协作能力,人际交往和协商沟通能力;公共关系解决能力;含有良好的职业道德和规范和安全、环保、成本、质量控制等职业素质;良好的心理素质和克服困难与挫折的能力;人际交流能力;爱国、爱校、爱岗精神;诚信品质和遵纪遵法意识;勇于创新、敬业乐业的工作作风;安全意识,责任意识;文明、友善和团体协作精神。三、与前后课程的联系1.与前续课程的联系《电工基础》课程使学生含有了电路分析的基本能力,掌握了安全用电常识;《电子基本功实训》课程使学生掌握了电阻器、电容器、二极管等惯用电子元器件的识别与检测办法,初步掌握手工焊接技术,初步掌握电子电路的分析、分析、组装与调试能力。2.与后继课程的关系为学生后续《数字电子技术》、《电子产品生产与检查》、《单片机技术应用》、《EDA技术应用》、《信号检测与解决》、《嵌入式技术应用》、《智能产品规划与实施》等课程打下有关专业基础。四、教学内容与学时分派根据有关职业岗位的规定,本课程采用项目式教学,以“电子电路的分析、组装与调试”为载体,由5个项目构成。学生以小组为单位进行项目学习,通过共同完毕项目资讯、电路分析、实验论证、电路装接、电路调试、总结评价等学习过程,掌握扎实的电子技术基础知识和技能,含有合理对的的电路分析、装接、调试、维修办法,养成良好的职业习惯和素养。表1课程项目构造与学时分派表序号教学单元名称教学目的教学内容与训练项目建议学时备注1二极管及其基本应用电路O1-1:掌握半导体二极管的单向导电性;O1-2:掌握二极管的伏安特性及其应用;O1-3:掌握二极管的识别与检测办法。K1-1:半导体二极管的单向导电性K1-2:二极管的伏安特性及其应用K1-3:二极管的识别与检测62三极管及基本放大电路O2-1:掌握晶体三极管的电流放大作用;O2-2:理解晶体管的输入、输出伏安特性;O2-3:掌握共射基本放大电路的构成;O2-4:共射基本放大电路的静态分析和动态分析;O2-5:惯用电子测量仪器仪表的使用办法;O2-6:分压式工作点稳定放大电路的调试办法。O2-7:理解共集和共基放大电路及其特点;O2-8:理解场效应管放大电路的分析。K2-1:晶体三...

1、当您付费下载文档后,您只拥有了使用权限,并不意味着购买了版权,文档只能用于自身使用,不得用于其他商业用途(如 [转卖]进行直接盈利或[编辑后售卖]进行间接盈利)。
2、本站所有内容均由合作方或网友上传,本站不对文档的完整性、权威性及其观点立场正确性做任何保证或承诺!文档内容仅供研究参考,付费前请自行鉴别。
3、如文档内容存在违规,或者侵犯商业秘密、侵犯著作权等,请点击“违规举报”。

碎片内容

2025年模拟电子技术课程标准

读万卷书+ 关注
实名认证
内容提供者

各类经典PPT文档分享

确认删除?
VIP
微信客服
  • 扫码咨询
会员Q群
  • 会员专属群点击这里加入QQ群
客服邮箱
回到顶部