电脑桌面
添加小米粒文库到电脑桌面
安装后可以在桌面快捷访问

机械制造几何量公差与检测试卷及答案VIP免费

机械制造几何量公差与检测试卷及答案_第1页
1/23
机械制造几何量公差与检测试卷及答案_第2页
2/23
机械制造几何量公差与检测试卷及答案_第3页
3/23
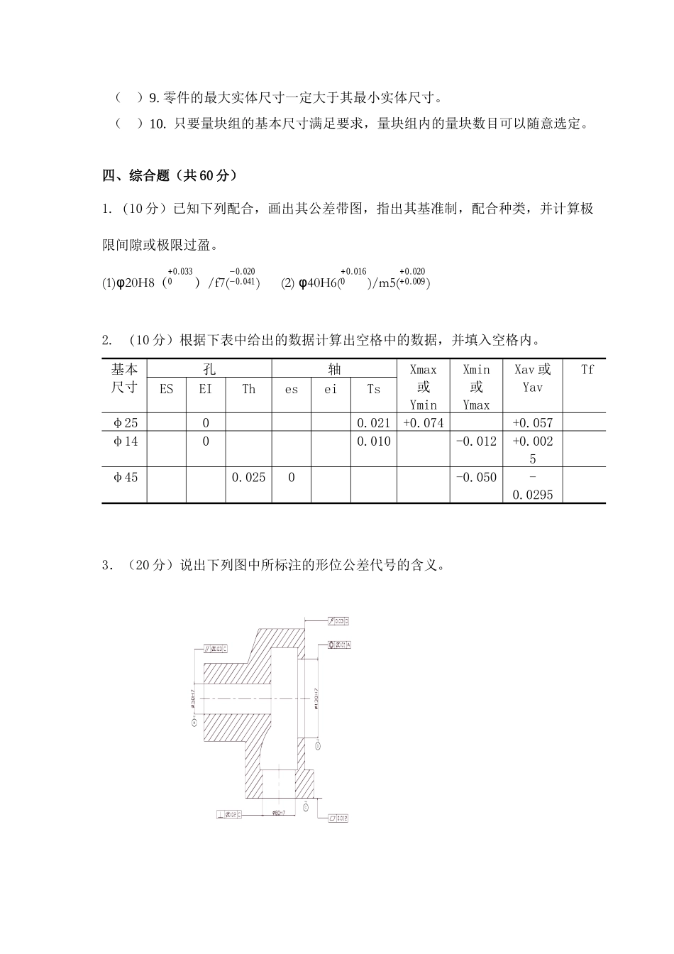
《互换性原理与技术测量》一、填空题(共20分,每空1分)1.一个孔或轴允许尺寸的两个极端称为。2.一零件表面切削加工要求轮廓的算术平均偏差Ra为6.3μm,在零件图上标注为____________。3.配合基准制分__________和__________两种。一般情况下优先选用______________。4.滚动轴承内圈与轴的配合采用基制,而外圈与箱体孔的配合采用基_________制。5.现代工业对齿轮传动的使用要求归纳起来有四项,分别为____________、_______________、________________、________________。6.普通螺纹结合的基本要求为__________、__________。7.零件的尺寸合格,其________应在上偏差和下偏差之间。8.公差原则分__________和相关要求,相关要求包括____________、_______________、________________、________四种。9.在同一尺寸段内,从IT01~IT18,公差等级逐渐降低,公差数值逐渐。二、选择题(共10分,每题1分)1.当孔与轴的公差带相互交叠时,其配合性质为()。A.间隙配合B.过渡配合C.过盈配合2.公差带的大小由()确定。A.实际偏差B.基本偏差C.标准公差3.下列孔与基准轴配合,组成间隙配合的孔是()。A.孔两个极限尺寸都大于基本尺寸B.孔两个极限尺寸都小于基本尺寸C.孔最大极限尺寸大于基本尺寸,最小极限尺寸小于基本尺寸4.基本偏差是()。A.上偏差B.下偏差C.上偏差和下偏差D.上偏差或下偏差5.标准规定形状和位置公差共有()个项目。A.8B.12C.14D.166.垂直度公差属于()。A.形状公差B.定位公差C.定向公差D.跳动公差7.如被测要素为轴线,标注形位公差时,指引线箭头应()。A.与确定中心要素的轮廓线对齐B.与确定中心要素的尺寸线对齐C.与确定中心要素的尺寸线错开8.最大实体尺寸是指()。A.孔和轴的最大极限尺寸B.孔和轴的最小极限尺寸C.孔的最大极限尺寸和轴的最小极限尺寸D.孔的最小极限尺寸和轴的最大极限尺寸9.径向全跳动公差带的形状与()的公差带形状相同。A.圆柱度B.圆度C.同轴度D.线的位置度10、孔、轴公差带的相对位置反映()程度。A.加工难易B.配合松紧C.尺寸精度三、判断题(共10分,每题1分)()1.在ф60H7/f6代号中,由于轴的精度高于孔,故以轴为基准件。()2.测表面粗糙度时,取样长度过短不能反映表面粗糙度的真实情况,因此越长越好。()3.螺纹的公称直径是指螺纹的大径。()4.尺寸φ30f7与尺寸φ30F8的精度相同。()5.未注公差尺寸是没有公差的尺寸。()6.选用公差等级的原则是,在满足使用要求的前提下,尽可能选用较高的公差等级。()7.相互配合的孔和轴,其基本尺寸必然相等。()8.表面粗糙度的评定参数Rz表示轮廓的算术平均偏差。()9.零件的最大实体尺寸一定大于其最小实体尺寸。()10.只要量块组的基本尺寸满足要求,量块组内的量块数目可以随意选定。四、综合题(共60分)1.(10分)已知下列配合,画出其公差带图,指出其基准制,配合种类,并计算极限间隙或极限过盈。(1)φ20H8(0+0.033)/f7(−0.041−0.020)(2)φ40H6(0+0.016)/m5(+0.009+0.020)2.(10分)根据下表中给出的数据计算出空格中的数据,并填入空格内。基本尺寸孔轴Xmax或YminXmin或YmaxXav或YavTfESEITheseiTsφ2500.021+0.074+0.057φ1400.010-0.012+0.0025φ450.0250-0.050-0.02953.(20分)说出下列图中所标注的形位公差代号的含义。4.(20分)改正图2-65中各项形位公差标注上的错误(不得改变形位公差项目)。5.试将下列技术要求标注在图2-64上。(1)圆锥面a的圆度公差为0.1mm。(2)圆锥面a对孔轴线b的斜向圆跳动公差为0.02mm。(3)基准孔轴线b的直线度公差为0.005mm。(4)孔表面c的圆柱度公差为0.01mm。(5)端面d对基准孔轴线b的端面全跳动公差为0.01mm。(6)端面e对端面d的平行度公差为0.03mm。答案一、填空题1.极限尺寸2.3.基孔制、基轴制、基孔制4.基孔制、基轴制5.准确性、平稳性、载荷分布的均匀性、侧隙6.开环、闭环7.加工误差8.独立原则、包容要求、最大实体要求、最小实体要求、可逆要求9.增大二、选择题1.(B)2.(C)3.(A)4.(D)5.(C)6.(C)7.(B)8.(D)9.(A)10.(B)三、判断题1.(×)2.(×)3.(√)4.(×)5.(×...

1、当您付费下载文档后,您只拥有了使用权限,并不意味着购买了版权,文档只能用于自身使用,不得用于其他商业用途(如 [转卖]进行直接盈利或[编辑后售卖]进行间接盈利)。
2、本站所有内容均由合作方或网友上传,本站不对文档的完整性、权威性及其观点立场正确性做任何保证或承诺!文档内容仅供研究参考,付费前请自行鉴别。
3、如文档内容存在违规,或者侵犯商业秘密、侵犯著作权等,请点击“违规举报”。

碎片内容

机械制造几何量公差与检测试卷及答案

您可能关注的文档

确认删除?
VIP
微信客服
  • 扫码咨询
会员Q群
  • 会员专属群点击这里加入QQ群
客服邮箱
回到顶部