电脑桌面
添加小米粒文库到电脑桌面
安装后可以在桌面快捷访问

某啤酒企业计量维修b岗岗位说明书VIP免费

某啤酒企业计量维修b岗岗位说明书_第1页
1/3
某啤酒企业计量维修b岗岗位说明书_第2页
2/3
某啤酒企业计量维修b岗岗位说明书_第3页
3/3
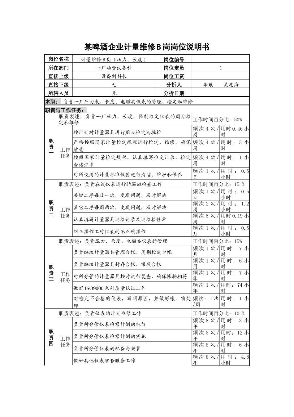
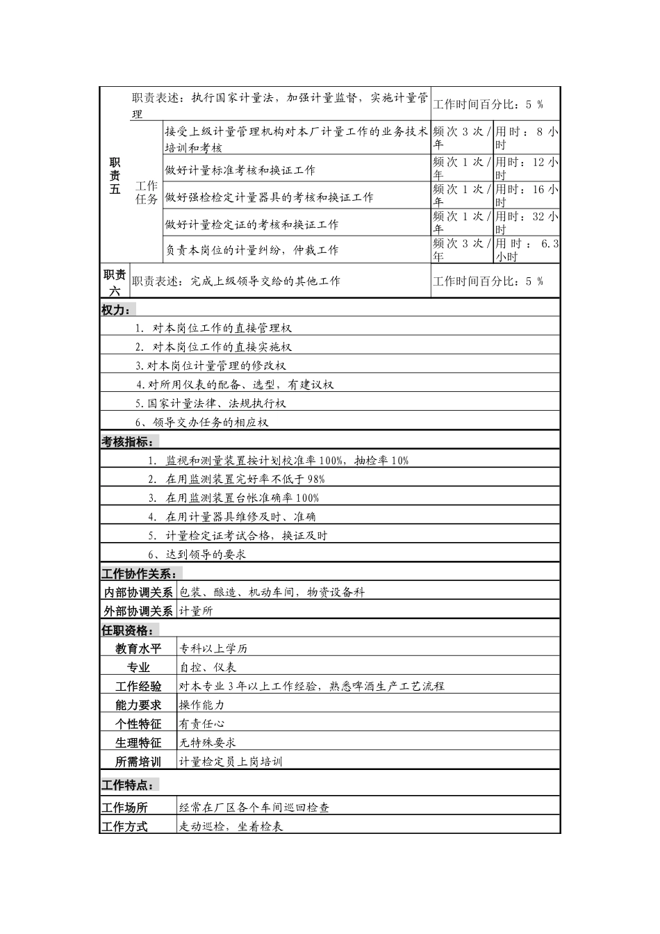
某啤酒企业计量维修B岗岗位说明书岗位名称计量维修B岗(压力、长度)岗位编号所在部门一厂物资设备科岗位定员1直接上级设备副科长岗位工资直接下级无分析人李娥吴志海所辖人员无分析日期本职:负责一厂压力表、长度、电磁类仪表的管理、检定和维修职责与工作任务:职责一职责表述:负责一厂压力、长度、强制检定仪表的周期检定和维修工作时间百分比:50%工作任务按计划对计量器具进行周期检定与抽检频次4次/周用时0.46小时严格按照国家计量检定规程进行检定、维修,确保质量频次4次/周用时:3小时按照国家计量检定规程,认真填写检定记录、检定合格证书频次4次/周用时:1小时对所使用的计量标准仪器进行清洁、维护和保养频次1次/日用时:0.5小时职责二职责表述:负责在线仪表进行的巡回检查工作工作时间百分比:15%工作任务关键工序每日一次,发现问题,及时解决频次1次/日用时:0.5小时其它工序每周两次,发现问题,及时解决频次2次/周用时:1.2小时认真填写计量器具巡检记录及巡检检修单频次5次/周用时0.19小时纠正操作工对仪表的不正确操作频次1次/月用时:0.5小时职责三职责表述:负责压力、长度、电磁类仪表的管理工作时间百分比:15%工作任务负责编改计量器具管理台帐、周期检定台帐频次1次/月用时:7小时负责编改计量器具封存台帐、报废台帐频次1次/月用时:6小时对所分管的计量器具按时进行复查,确保帐物相符频次1次/季用时:7小时做好ISO9000系列质量认证工作频次1次/年用时:74小时对检定不合格的仪表,写明原因,并做好帐、物处理频次:1次/周用时:1小时职责四职责表述:负责仪表的计划检修工作工作时间百分比:10%工作任务负责所分管仪表检修计划的拟订频次8次/年用时:3小时负责所分管仪表检修计划的实施频次8次/年用时:12小时负责所分管仪表的配备与安装频次8次/年用时:6小时做好其他仪表配套服务工作频次8次/年用时:4.8小时职责五职责表述:执行国家计量法,加强计量监督,实施计量管理工作时间百分比:5%工作任务接受上级计量管理机构对本厂计量工作的业务技术培训和考核频次3次/年用时:8小时做好计量标准考核和换证工作频次1次/年用时:12小时做好强检检定计量器具的考核和换证工作频次1次/年用时:16小时做好计量检定证的考核和换证工作频次1次/年用时:32小时负责本岗位的计量纠纷,仲裁工作频次3次/年用时:6.3小时职责六职责表述:完成上级领导交给的其他工作工作时间百分比:5%权力:1.对本岗位工作的直接管理权2.对本岗位工作的直接实施权3.对本岗位计量管理的修改权4.对所用仪表的配备、选型,有建议权5.国家计量法律、法规执行权6、领导交办任务的相应权考核指标:1.监视和测量装置按计划校准率100%,抽检率10%2.在用监测装置完好率不低于98%3.在用监测装置台帐准确率100%4.在用计量器具维修及时、准确5.计量检定证考试合格,换证及时6、达到领导的要求工作协作关系:内部协调关系包装、酿造、机动车间,物资设备科外部协调关系计量所任职资格:教育水平专科以上学历专业自控、仪表工作经验对本专业3年以上工作经验,熟悉啤酒生产工艺流程能力要求操作能力个性特征有责任心生理特征无特殊要求所需培训计量检定员上岗培训工作特点:工作场所经常在厂区各个车间巡回检查工作方式走动巡检,坐着检表工作时间特征白班,特殊情况加班工作环境一般环境体力精力消耗一般劳动保护无特殊要求使用工具/设备压力、长度标准仪器,万用表,相关的配套工具,计算机所需记录文档检定原始记录,巡检记录,报废记录,台帐备注:

1、当您付费下载文档后,您只拥有了使用权限,并不意味着购买了版权,文档只能用于自身使用,不得用于其他商业用途(如 [转卖]进行直接盈利或[编辑后售卖]进行间接盈利)。
2、本站所有内容均由合作方或网友上传,本站不对文档的完整性、权威性及其观点立场正确性做任何保证或承诺!文档内容仅供研究参考,付费前请自行鉴别。
3、如文档内容存在违规,或者侵犯商业秘密、侵犯著作权等,请点击“违规举报”。

碎片内容

某啤酒企业计量维修b岗岗位说明书

您可能关注的文档

确认删除?
VIP
微信客服
  • 扫码咨询
会员Q群
  • 会员专属群点击这里加入QQ群
客服邮箱
回到顶部