电脑桌面
添加小米粒文库到电脑桌面
安装后可以在桌面快捷访问

北京电气土木建筑学会VIP免费

北京电气土木建筑学会_第1页
1/22
北京电气土木建筑学会_第2页
2/22
北京电气土木建筑学会_第3页
3/22
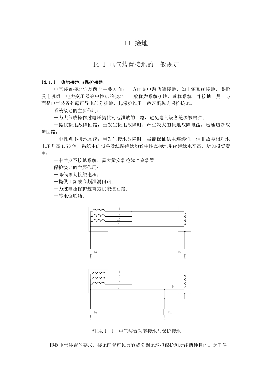
14 接地14.1 电气装置接地的一般规定14.1.1 功能接地与保护接地电气装置接地涉及两个主要方面:一方面是电源功能接地,如电源系统接地,多指发电机组、电力变压器等中性点的接地,一般称为系统接地,或称系统工作接地。另一方面是电气装置外露可导电部分接地,起保护作用,故习惯称为保护接地。系统接地的主要作用:-为大气或操作过电压提供对地泄放的回路,避免电气设备绝缘被击穿;-提供接地故障回路,当发生接地故障时,产生较大的接地故障电流,迅速切断故障回路;-中性点不接地系统,当发生接地故障时,虽能保证供电连续性,但非故障相对地电压升高 1.73 倍,系统中的设备及线路绝缘均较中性点接地系统绝缘水平高,增加投资费用;-中性点不接地系统,需大量安装绝缘监察装置。保护接地的主要作用:-降低预期接触电压;-提供工频或高频泄漏回路;-为过电压保护装置提供安装回路;-等电位联结。图 14.1-1 电气装置功能接地与保护接地根据电气装置的要求,接地配置可以兼容或分别地承担保护和功能两种目的。对于保护的目的要求,始终应当予以优先地考虑。接地配置的设施的选择和安装应满足:-接地电阻值符合电气装置的功能和保护要求,并预计长期有效;-能承受接地故障电流和对地泄漏电流而无危险,特别是热的、热-机械应力、电机械应力引起的危害;-有足够的强度或有附加的机械保护,以适应所在场所的外部的影响;-应采取措施,防止由于电腐蚀作用对接地配置的设施和其它金属部分造成危害。14.1.2 变电所的接地配置10kV 系统中性点接地可分为: 中性点不接地系统 (包括经消弧线圈接地) 中性点接地系统 经电阻接地 低电阻接地 高电阻接地14.1.2.1 中性点不接地系统(1) 接地故障特点配电系统在正常运行时,三相基本平衡电压作用下,各相对地电容电流 ICL1、ICL2 、ICL3相等,分别超前相电压 90°,ICL1=ICL2=ICL3=UΦωC,其 ICL1+ICL2+ICL3=0,系统中性点与地有相同电位。如 L1 相发生接地故障,忽略接地过渡电阻,视为金属性接地,10kV 系统各支路的电容电流的流向如下图所示:图 14.1-2 10kV 系统接地故障示意从 10kV 系统接地故障示意图可以得出结论:a)全系统所有非故障的各支路,故障相的电容电流均为零,非故障相均有电容电流;b)在故障支路,故障相流过所有各支路的电容电流的总和;c)故障支路的电容电流其方向由负载流向电源,非故障各支路的电容电流其方向由电源流向负载;d)故障支路...

1、当您付费下载文档后,您只拥有了使用权限,并不意味着购买了版权,文档只能用于自身使用,不得用于其他商业用途(如 [转卖]进行直接盈利或[编辑后售卖]进行间接盈利)。
2、本站所有内容均由合作方或网友上传,本站不对文档的完整性、权威性及其观点立场正确性做任何保证或承诺!文档内容仅供研究参考,付费前请自行鉴别。
3、如文档内容存在违规,或者侵犯商业秘密、侵犯著作权等,请点击“违规举报”。

碎片内容

北京电气土木建筑学会

墨香书阁+ 关注
实名认证
内容提供者

热爱教学事业,对互联网知识分享很感兴趣

确认删除?
VIP
微信客服
  • 扫码咨询
会员Q群
  • 会员专属群点击这里加入QQ群
客服邮箱
回到顶部