电脑桌面
添加小米粒文库到电脑桌面
安装后可以在桌面快捷访问

冷拌冷铺沥青混合料总结VIP免费

冷拌冷铺沥青混合料总结_第1页
1/8
冷拌冷铺沥青混合料总结_第2页
2/8
冷拌冷铺沥青混合料总结_第3页
3/8
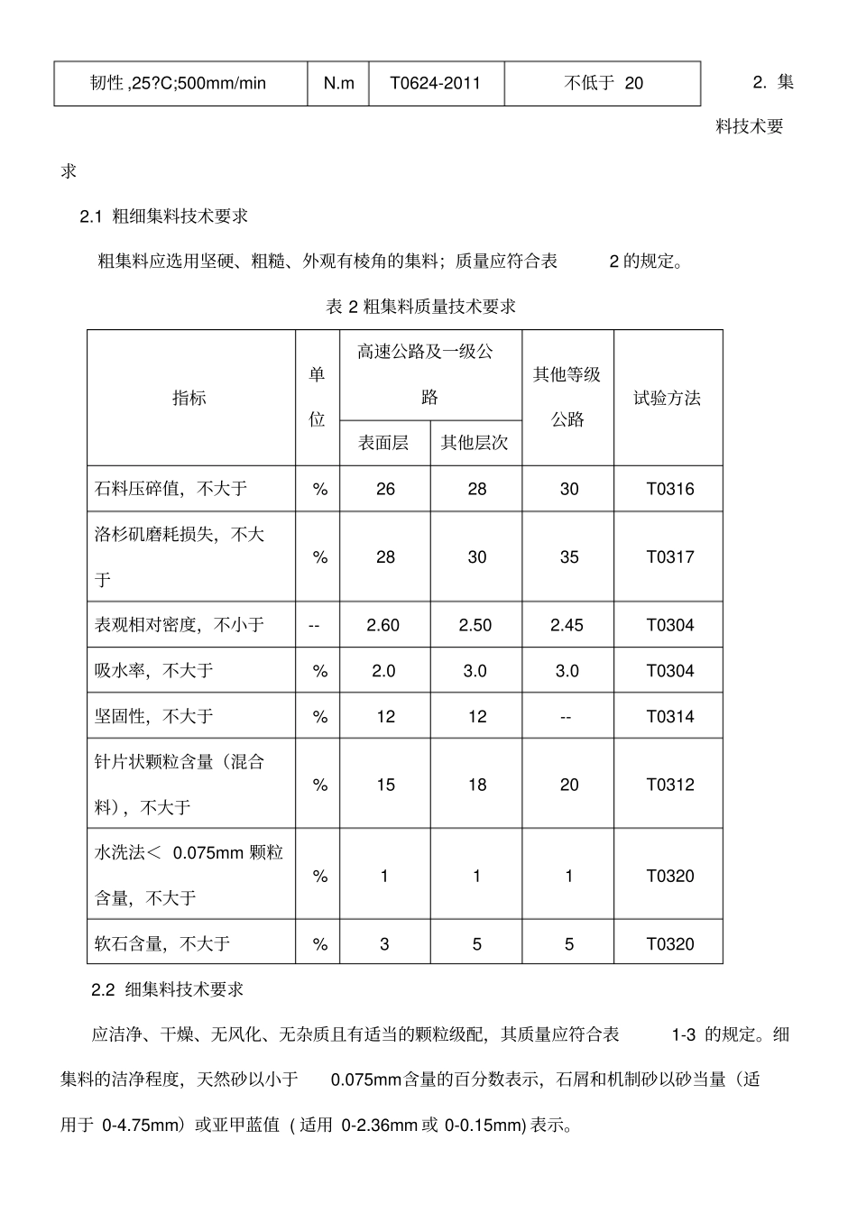
冷拌冷铺沥青混合料施工技术总结【摘要】冷拌冷铺混合料作为一种新型的沥青材料,具有施工方便,环境污染小,随时可对破损路面进行修补,解决了实际养护工作中长距离运输而致热拌混合料温度下降的难题。【关键字】混合料冷拌冷铺冷拌冷铺混合料作为一种新型的沥青材料,不仅施工方便,随时可以对破损路面进行修补,而且具有对环境污染小,解决了实际养护工作中长距离运输而致热拌混合料温度下降的难题,基于这些因素的考虑,我们在去年试验的基础上,又对其进行了进一步的实践尝试。一、各项材料的技术要求1. 修改优化后的改性乳化沥青性能技术要求表 1 改性乳化沥青技术要求测试项目单位测试方法指标要求储存稳定性 ,1 天%T0655-1993不高于 1储存稳定性 ,5 天%T0655-1993不高于 5蒸发 / 蒸馏残留物含量%T0651-1993不低于 62破乳速率T0658-1993慢裂筛上剩余量 ,1.18mm%T0652-1993不高于 0.05赛波特粘度 ,25 ℃SFsT0623-199320-100电荷T0653-1993正电荷 +与矿料的粘附性 / 裹覆试验T0654-1993不低于 2/3延度 ,5 ℃,5cm/min.cmT0605-1993不低于 35测力延度比 ,4 ℃,5cm/min%ASTMD226不低于 30粘韧性 ,25?C;500mm/minN.mT0624-2011不低于 252. 集料技术要求2.1 粗细集料技术要求粗集料应选用坚硬、粗糙、外观有棱角的集料;质量应符合表2 的规定。表 2 粗集料质量技术要求指标单位高速公路及一级公路其他等级公路试验方法表面层其他层次石料压碎值,不大于%262830T0316洛杉矶磨耗损失,不大于%283035T0317表观相对密度,不小于--2.602.502.45T0304吸水率,不大于%2.03.03.0T0304坚固性,不大于%1212--T0314针片状颗粒含量(混合料),不大于%151820T0312水洗法< 0.075mm 颗粒含量,不大于%111T0320软石含量,不大于%355T03202.2 细集料技术要求应洁净、干燥、无风化、无杂质且有适当的颗粒级配,其质量应符合表1-3 的规定。细集料的洁净程度,天然砂以小于0.075mm含量的百分数表示,石屑和机制砂以砂当量(适用于 0-4.75mm)或亚甲蓝值 ( 适用 0-2.36mm 或 0-0.15mm) 表示。韧性 ,25?C;500mm/minN.mT0624-2011不低于 20表 3 细集料质量要求项目单位高速公路、 一级公路其他等级公路试验方法表观相对密度,不小于--2.52.45T0328坚固性(> 0.3mm 部分),不小于%12--T0340含泥量(小于 0.075mm的含量),不大于%35T0333砂当量,不小于%6050T0334亚甲蓝值,不大于g/kg25--T0349棱角性(流动时间)...

1、当您付费下载文档后,您只拥有了使用权限,并不意味着购买了版权,文档只能用于自身使用,不得用于其他商业用途(如 [转卖]进行直接盈利或[编辑后售卖]进行间接盈利)。
2、本站所有内容均由合作方或网友上传,本站不对文档的完整性、权威性及其观点立场正确性做任何保证或承诺!文档内容仅供研究参考,付费前请自行鉴别。
3、如文档内容存在违规,或者侵犯商业秘密、侵犯著作权等,请点击“违规举报”。

碎片内容

冷拌冷铺沥青混合料总结

您可能关注的文档

文库当当响+ 关注
实名认证
内容提供者

该用户很懒,什么也没介绍

确认删除?
VIP
微信客服
  • 扫码咨询
会员Q群
  • 会员专属群点击这里加入QQ群
客服邮箱
回到顶部