电脑桌面
添加小米粒文库到电脑桌面
安装后可以在桌面快捷访问

列管式冷却器GLC型冷却器尺寸表VIP免费

列管式冷却器GLC型冷却器尺寸表_第1页
1/2
列管式冷却器GLC型冷却器尺寸表_第2页
2/2
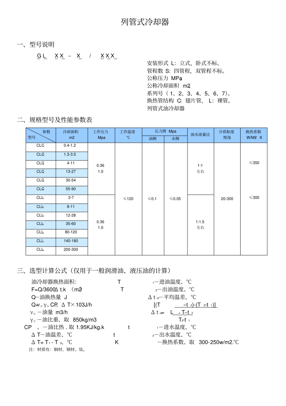
列管式冷却器一、型号说明G L X X – X / X X X 安装形式 L:立式,卧式不标。管程数 S:四管程,双管程不标。公称压力 MPa。公称冷却面积 m2。系列号( 1、2、3、4、5、6、7)。换热管结构 C:翅片管, L:裸管。列管式油冷却器二、规格型号及性能参数表参数型号冷却面积m2工作压力Mpa 工作温度℃压力降 Mpa 油水流量比介质粘度厘沲换热系数W/M2·K 油侧水侧CLC10.4-1.2 0.36 1.0 ≤120≤0.1≤0.051:1 左右20-300 ≤350≤300CLC21.3-3.5 CLC34-11 CLC413-27 CLC530-54 CLC655-90 CLL23-7 0.36 1.0 1:1.5 左右CLL38-11 CLL412-28 CLL535-60 CLL680-120 CLL7140-180 CLL8200-300 三、选型计算公式(仅用于一般润滑油、液压油的计算)油冷却器换热面积: T1-进油温度、℃F=Q/3600Δ t.k (m2) T2-出油温度、℃Q-油换热量 J Δ t m-平均温差、℃Q=ν。γ。CP。Δ T×103J/h [(T1-t2)-(T2-t1)] ν。-油量 m3/h Δ t m= Ln T1-t2γ。-油比重、取 850kg/m3T2-t1 CP。-油比热 . 取 1.95KJ/kg.k t1-进水温度、℃Δ T-油温差、℃ t2-出水温度、℃Δ T= T 1 - T 2、℃ K-换热系数、取300-250w/m2.℃注:材质有:铜材、钢材、钛。GLC型冷却器尺寸表注: GLCA型与 GLC型外形尺寸相同,油、水口有螺纹和法兰两种。型 号L C L1H1H2D1D2C1C2B L2L3n-d 3d 1d 2重量(kg)GLC1-0.4 370 240 67 60 68 80 115 52 102 132 115 145 4- (Φ 11)G1”(Dg25) G ”(Dg20) 8 GLC1-0.6 540 405 310 10 GLC1-0.8 660 532 435 12 GLC1-1 810 665 570 13 GLC1-1.2 940 805 715 15 GLC1-1.3 560 375 98 85 93 121 162 78 145 175 172 225 4- (Φ 11)G1”(Dg25) G1”(Dg25) 19 GLC2-1.7 690 500 350 21 GLC2-2.1 820 635 485 25 GLC2-2.6 960 775 630 29 GLC2-3 1110 925 780 32 GLC2-3.5 1270 1085 935 36 GLC3-4 840 570 152 125 158 168 215 110 170 210 245 380 4- (Φ 15)G1 ”(Dg36) G1 ”(Dg30) 74 GLC3-5 990 720 530 77 GLC3-6 1140 870 680 85 GLC3-7 1310 1040 850 90 GLC3-8 1470 1200 1010 G2”(Dg50) G1 ”(Dg36) 96 GLC3-9 1630 1360 1170 105 GLC3-10 1800 1530 1340 110 GLC3-11 1980 1710 1520 118 GLC4-13 1340 985 197 160 208 219 293 140 270 320 318 745 4- (Φ 1 9)G2”(Dg50) G2”(Dg50) 152 GLC4-15 1500 1145 905 164 GLC4-17 1660 1305 1065 175 GLC4-19 1830 1475 1235 188 GLC4-21 2010 1655 1415 200 GLC4-23 2180 1825 1585 213 GLC4-25 2360 2005 1765 225 GLC4-27 2530 2175 1935 238 GLC5-30 1932 1570 202 200 234 273 360 180 280 320 327 1320 4- (Φ 2 3)G2 ”(Dg60) G2”(Dg50) GLC5-34 2152 1790 1540 GLC5-37 2322 1960 1710 GLC5-41 2542 2180 1930 GLC5-44 2712 2350 2100 GLC5-48 2872 2510 2260 GLC5-51 3092 2730 2480 GLC5-54 3262 2900 2650 GLC6-55 2272 1860 227 230 284 325 410 200 300 390 362 1590 4- (Φ 23)G3”(Dg70) G2 ”(Dg60) GLC6-60 2452 2040 1170 GLC6-65 2632 2220 1950 GLC6-70 2812 2400 2130 GLC6-75 2992 2580 2310 GLC6-80 3172 2760 2490 GLC6-85 3352 2940 2670 GLC6-90 3532 3120 2850

1、当您付费下载文档后,您只拥有了使用权限,并不意味着购买了版权,文档只能用于自身使用,不得用于其他商业用途(如 [转卖]进行直接盈利或[编辑后售卖]进行间接盈利)。
2、本站所有内容均由合作方或网友上传,本站不对文档的完整性、权威性及其观点立场正确性做任何保证或承诺!文档内容仅供研究参考,付费前请自行鉴别。
3、如文档内容存在违规,或者侵犯商业秘密、侵犯著作权等,请点击“违规举报”。

碎片内容

列管式冷却器GLC型冷却器尺寸表

您可能关注的文档

确认删除?
VIP
微信客服
  • 扫码咨询
会员Q群
  • 会员专属群点击这里加入QQ群
客服邮箱
回到顶部