电脑桌面
添加小米粒文库到电脑桌面
安装后可以在桌面快捷访问

给水排水图例说明VIP免费

给水排水图例说明_第1页
1/14
给水排水图例说明_第2页
2/14
给水排水图例说明_第3页
3/14
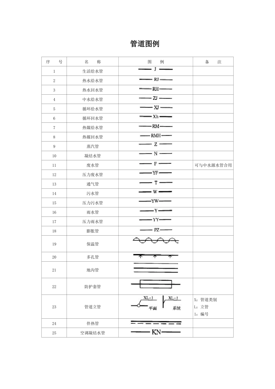
管道图例 序 号名 称图 例备 注1生活给水管 2热水给水管 3热水回水管 4中水给水管 5循环给水管 6循环回水管 7热媒给水管 8热媒回水管 9蒸汽管 10凝结水管 11废水管可与中水源水管合用12压力废水管 13通气管 14污水管 15压力污水管 16雨水管 17压力雨水管 18膨胀管 19保温管 20多孔管 21地沟管 22防护套管 23管道立管X:管道类别L:立管 1:编号 24伴热管 25空调凝结水管 26排水明沟 27排水暗沟 注:分区管道用加注角标方式表示:如 J1、J2、RJ1、RJ2……。3.0.2 管道附件的图例宜符合表 3.0.2 的要求。表 3.0.2 管道附件 序 号名 称图 例备 注1套管伸缩器 2方形伸缩器 3刚性防水套管 4柔性防水套管 5波纹管 6可曲挠橡胶接头 7管道固定支架 8管道滑动支架 9立管检查口 10清扫口 11通气帽 12雨水斗 13排水漏斗 14圆形地漏通用。如为无水封,地漏应加存水弯15方形地漏 16自动冲洗水箱 17挡墩 18减压孔板 19Y 形除污器 20毛发聚集器 21防回流污染止回阀 22吸气阀 3.0.3 管道连接的图例宜符合表 3.0.3 的要求。表 3.0.3 管道连接 序 号名 称图 例备 注1法兰连接 2承插连接 3活接头 4管堵 5法兰堵盖 6弯折管表示管道向后及向下弯转 90°7三通连接 8四通连接 9盲板 10管道丁字上接 11管道丁字下接 12管道交叉在下方和后面的管道应断开3.0.4 管件的图例宜符合表 3.0.4 的要求。 表 3.0.4 管件 序 号名 称图 例备 注1偏心异径管 2异径管 3乙字管 4喇叭口 5转动接头 6短管 7存水弯 8弯头 9正三通 10斜三通 11正四通 12斜四通 13浴盆排水件 3.0.5 阀门的图例宜符合表 3.0.5 的要求。 表 3.0.5 阀门 序 号名 称图 例备 注1闸阀 2角阀 3三通阀 4四通阀 5截止阀 6电动阀 7液动阀 8气动阀 9减压阀左侧为高压端10旋塞阀 11底阀 12球阀 13隔膜阀 14气开隔膜阀 15气闭隔膜阀 16温度调节阀 17压力调节阀 18电磁阀 19止回阀 20消声止回阀 21蝶阀 22弹簧安全阀 23平衡锤安全阀 24自动排气阀 25浮球阀 26延时自闭冲洗阀 27吸水喇叭口 28疏水器 3.0.6 给水配件的图例宜符合表 3.0.6 的要求。 表 3.0.6 给水配件 序 号名 称图 例备 注1放水龙头左侧为平面,右侧为系统2皮带龙头左侧为平面,右侧为系统3洒水(栓)龙头 4化验龙头 5肘式龙头 6脚踏开关 7混合水龙头 8旋转水龙头 9浴盆带喷头混合水龙头...

1、当您付费下载文档后,您只拥有了使用权限,并不意味着购买了版权,文档只能用于自身使用,不得用于其他商业用途(如 [转卖]进行直接盈利或[编辑后售卖]进行间接盈利)。
2、本站所有内容均由合作方或网友上传,本站不对文档的完整性、权威性及其观点立场正确性做任何保证或承诺!文档内容仅供研究参考,付费前请自行鉴别。
3、如文档内容存在违规,或者侵犯商业秘密、侵犯著作权等,请点击“违规举报”。

碎片内容

给水排水图例说明

确认删除?
VIP
微信客服
  • 扫码咨询
会员Q群
  • 会员专属群点击这里加入QQ群
客服邮箱
回到顶部