电脑桌面
添加小米粒文库到电脑桌面
安装后可以在桌面快捷访问

电力设备交接及预防性试验规程VIP免费

电力设备交接及预防性试验规程_第1页
1/112
电力设备交接及预防性试验规程_第2页
2/112
电力设备交接及预防性试验规程_第3页
3/112
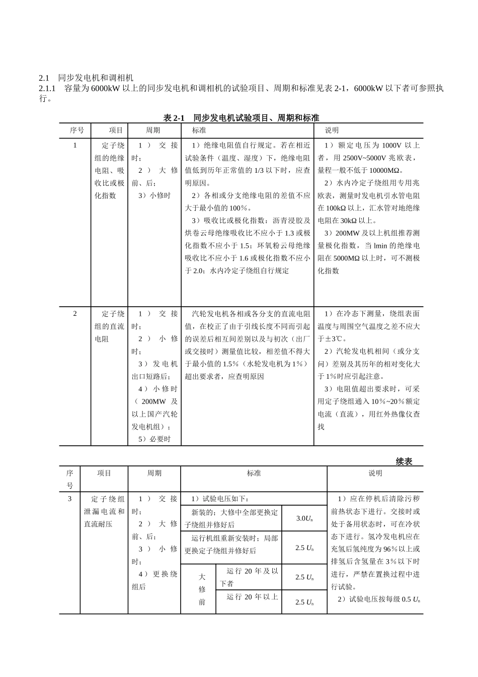
华北电网有限公司电力设备交接和预防性试验规程 华北电网有限公司 发布 关于印发华北电网有限公司《电力设备交接和预防性试验规程》(2005)的通知 华北电网生[2005]30 号 北京电力公司,天津市、河北省、山西省电力公司,山东电力集团公司,内蒙古电力(集团)有限责任公司,华北电网有限公司直属各发供电单位,华北电力科学研究院有限责任公司:为适应电力设备和试验技术的发展,华北电网有限公司组织有关单位对 2002 版《电力设备交接和预防性试验规程》进行了补充和完善,修订的主要内容有:一、增加了输电线路用氧化锌避雷器、RTV、红外检测、六氟化硫电流互感器和六氟化硫变压器等试验项目。二、修订了与最新国标、反措不一致的内容。三、修订了不适应电网要求的试验项目、试验标准。现决定该修订本自 2005 年 11 月 1 日起颁布执行,请华北电网有限公司直属各发供电单位认真学习和贯彻执行,其他单位可以参照执行。各单位在执行过程中,若发现有不妥之处,请及时报华北电网有限公司生产技术部。附件:华北电网有限公司《电力设备交接和预防性试验规程》2005 修订本 华北电网有限公司(印)二 00 五年十月二十八日 目 次1 总则2 旋转电动机3 电力变压器及电抗器4 互感器5 开关设备6 套管7 支柱绝缘子、悬式绝缘子、合成绝缘子、RTV 涂料8 电力电缆线路9 电容器10 绝缘油和六氟化硫气体11 避雷器12 母线13 二次回路14 1kV 及以下的配电装置和馈电线路15 1kV 以上的架空电力线路16 接地装置17 电除尘器18 串联补偿装置19 红外检测附录 A 同步发电机、调相机定子绕组沥青云母和烘卷云母绝缘老化鉴定试验项目和要求附录 B 绝缘子的交流耐压试验电压标准附录 C 污秽等级与对应附盐密度值附录 D 橡塑电缆内衬层和外护套被破坏进水确定方法附录 E 橡塑电缆附件中金属层的接地方法附录 F 避雷器的电导电流值和工频放电电压值附录 G 高压电气设备的工频耐压试验电压标准附录 H 电力变压器的交流试验电压附录 I 油浸电力变压器绕组直流泄漏电流参考值附录 J 合成绝缘子和 RTV 涂料憎水性测量方法及判断准则附录 K 气体绝缘金属封闭开关设备老炼实验方法附录 L 断路器回路电阻厂家标准 1 总则 1.1 电力设备绝缘的交接和预防性试验是检查、鉴定设备的健康状况,防止设备在运行中发生损坏的重要措施。按 DL/T 596—1996《电力设备预防性试验规程》及 GB 50150—1991《电气装...

1、当您付费下载文档后,您只拥有了使用权限,并不意味着购买了版权,文档只能用于自身使用,不得用于其他商业用途(如 [转卖]进行直接盈利或[编辑后售卖]进行间接盈利)。
2、本站所有内容均由合作方或网友上传,本站不对文档的完整性、权威性及其观点立场正确性做任何保证或承诺!文档内容仅供研究参考,付费前请自行鉴别。
3、如文档内容存在违规,或者侵犯商业秘密、侵犯著作权等,请点击“违规举报”。

碎片内容

电力设备交接及预防性试验规程

确认删除?
VIP
微信客服
  • 扫码咨询
会员Q群
  • 会员专属群点击这里加入QQ群
客服邮箱
回到顶部