电脑桌面
添加小米粒文库到电脑桌面
安装后可以在桌面快捷访问

【施工组织方案】北京某高层住宅施工组织设计VIP专享VIP免费

【施工组织方案】北京某高层住宅施工组织设计_第1页
1/187
【施工组织方案】北京某高层住宅施工组织设计_第2页
2/187
【施工组织方案】北京某高层住宅施工组织设计_第3页
3/187
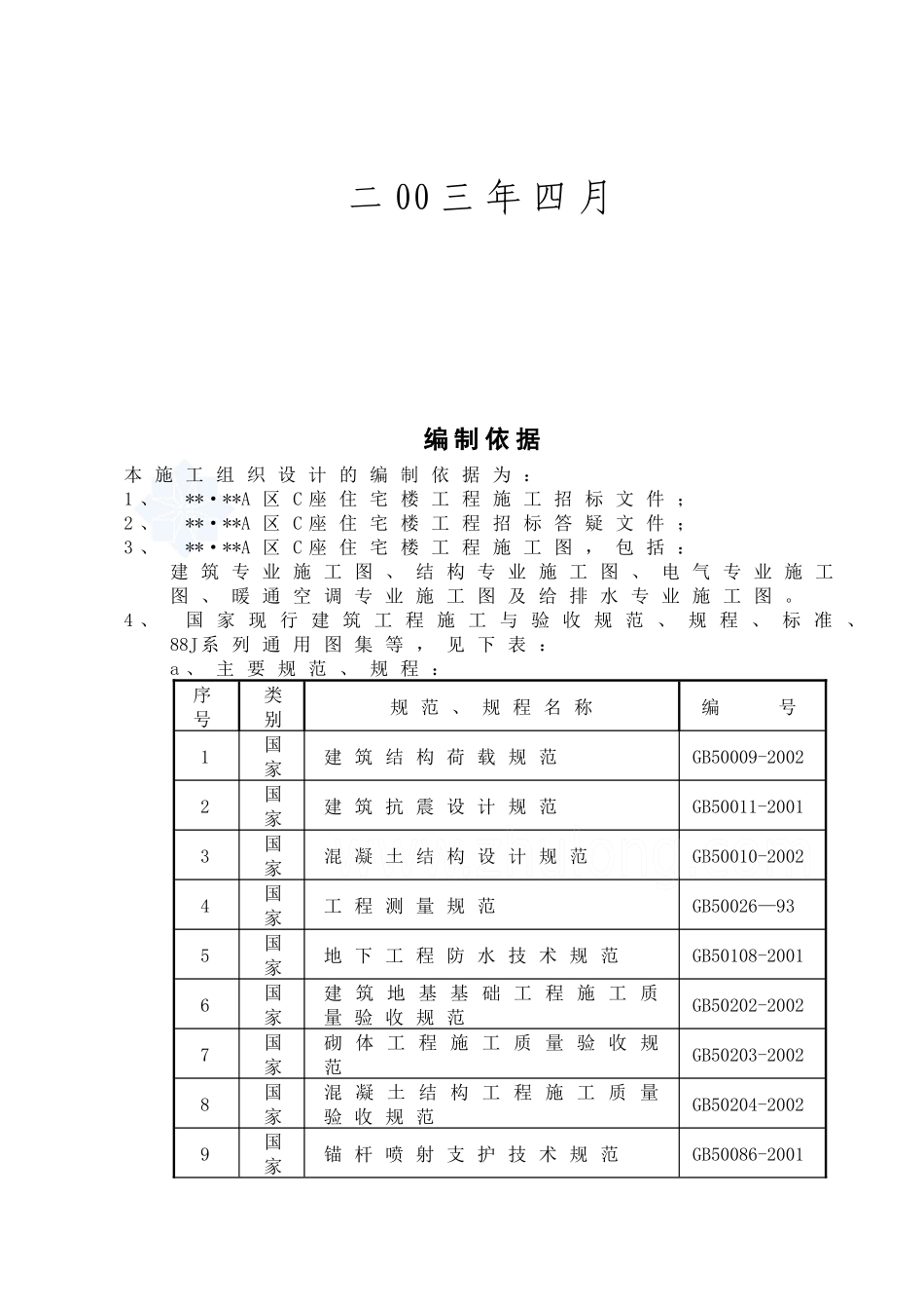
施 工 组 织 方 案编 制 : 审 核 : 批 准 : 编 制 日 期 : 年 月 日审 批 日 期 : 年 月 日 二 00 三 年 四 月编 制 依 据本 施 工 组 织 设 计 的 编 制 依 据 为 :1 、**·**A 区 C 座 住 宅 楼 工 程 施 工 招 标 文 件 ;2 、**·**A 区 C 座 住 宅 楼 工 程 招 标 答 疑 文 件 ;3 、**·**A 区 C 座 住 宅 楼 工 程 施 工 图 , 包 括 :建 筑 专 业 施 工 图 、 结 构 专 业 施 工 图 、 电 气 专 业 施 工图 、 暖 通 空 调 专 业 施 工 图 及 给 排 水 专 业 施 工 图 。4 、国 家 现 行 建 筑 工 程 施 工 与 验 收 规 范 、 规 程 、 标 准 、88J 系 列 通 用 图 集 等 , 见 下 表 :a 、 主 要 规 范 、 规 程 :序号类别规 范 、 规 程 名 称编 号1国家建 筑 结 构 荷 载 规 范GB50009-20022国家建 筑 抗 震 设 计 规 范GB50011-20013国家混 凝 土 结 构 设 计 规 范GB50010-20024国家工 程 测 量 规 范GB50026—935国家地 下 工 程 防 水 技 术 规 范GB50108-20016国家建 筑 地 基 基 础 工 程 施 工 质量 验 收 规 范GB50202-20027国家砌 体 工 程 施 工 质 量 验 收 规范GB50203-20028国家混 凝 土 结 构 工 程 施 工 质 量验 收 规 范GB50204-20029国家锚 杆 喷 射 支 护 技 术 规 范GB50086-200110国家建 筑 装 饰 装 修 工 程 施 工 及验 收 规 范GB50210-200111国家屋 面 工 程 质 量 验 收 规 范GB50207-200212国家地 下 室 防 水 工 程 质 量 验 收规 范GB50208-200213行业钢 筋 混 凝 土 高 层 建 筑 结 构设 计 与 施 工 规 程JGJ3-9114行业钢 筋 机 械 连 接 通 用 技 术 规程JGJ107-9615国家建 筑 地 面 工 程 施 工 质 量 验收 规 范GB50209-200216国家人 防 工 程 施 工 及 验 收 规 范GBJ134 - 9017行业高 层 建 筑 箱 形 与 筏 形 基 础技 术 规 范JGJ6-8018国家建 筑 给 水 排 水 与 采 暖 工 程施 工 质 量 验 收 规 范GB50242-200219国家通 风 与 空 调 工 程 施 工 质 量验 收 ...

1、当您付费下载文档后,您只拥有了使用权限,并不意味着购买了版权,文档只能用于自身使用,不得用于其他商业用途(如 [转卖]进行直接盈利或[编辑后售卖]进行间接盈利)。
2、本站所有内容均由合作方或网友上传,本站不对文档的完整性、权威性及其观点立场正确性做任何保证或承诺!文档内容仅供研究参考,付费前请自行鉴别。
3、如文档内容存在违规,或者侵犯商业秘密、侵犯著作权等,请点击“违规举报”。

碎片内容

【施工组织方案】北京某高层住宅施工组织设计

确认删除?
VIP
微信客服
  • 扫码咨询
会员Q群
  • 会员专属群点击这里加入QQ群
客服邮箱
回到顶部