电脑桌面
添加小米粒文库到电脑桌面
安装后可以在桌面快捷访问

矿用炮烟净化装置通用技术条件VIP专享VIP免费

矿用炮烟净化装置通用技术条件_第1页
1/9
矿用炮烟净化装置通用技术条件_第2页
2/9
矿用炮烟净化装置通用技术条件_第3页
3/9
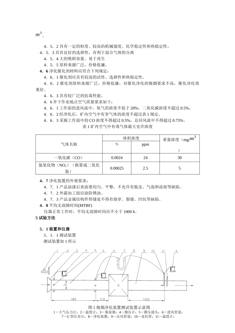
中 华 人 民 共 和 国 国 家 标 准矿用炮烟净化装置通用技术条件1 主要内容与适用范围本标准适用地下开采煤矿、金属和非金属矿山,也适用其他爆破掘进的行业。主要内容包括:确定有关矿用炮烟净化装置的常用术语、技术要求、有毒有害气体的净化指标、净化材料的要求、各种参数的测定方法、现场安装要求、以及装置的检测规则标准、包装、运输和贮存等要求。2 引用标准GB/T 5748—1985 作业场所空气中粉尘测定方法MT 142-86 煤矿井下空气采样方法MT 137-86 矿井空气中有害气体,一氧化碳测定方法MT 279-94 矿井空气中有害气体,氮氧化物测定方法MT 60-1995 煤矿用炸药爆炸后有毒气体量测定方法和判定规则MT 159—1995 矿用除尘器GB/T 1236—2000 工业通风机 用标准化风道进行性能试验GB/T 11653—2000 除尘机组技术性能及测试方法GB 3095—1996 环境空气质量标准GB/T 3222—1994 声学 环境噪声测量方法GB 2894—1996 安全标志GB 3836.1~3836.4—1983 爆炸性环境用防爆电气设备 通用要求GB 3836.5~3836.8—1987 爆炸性环境用防爆电气设备 隔爆型电气设备“d”GB 3836.9~3836.10—1987 爆炸性环境用防爆电气设备 本质安全型电路和电气设备“i”GB/T 13306—91 标牌MT 209—90 煤矿通讯、检测、控制用电工电子产品通用技术要求ZBK 35006—89 矿用隔爆型高压配电装置GB 191—2000 包装储运图示标志GB/T 9801—1988 空气质量 一氧化碳的测定 非分散红外法GB/T 8969—1988 空气质量 氮氧化物的测定 盐酸萘乙二胺比色法GB/T 10111—1988 利用随机数骰子进行随机抽样的方法GB 9969.1—1998 工业产品使用说明书 总则GB/T 4857.5—1992 包装 运输包装件 跌落试验方法GB/T 4798.1—1986 电工电子产品应用环境条件 贮存3 术语3.1 炮烟 blasting smoke因爆破而产生的含有粉尘、烟雾及有害有毒气体成分的废气。3.2 处理风量 air volume单位时间内通过净化装置的风量,m3/s。3.3 净化效率 efficiency气体通过净化设备后有害有毒气体浓度减少量占净化前有害有毒气体浓度的百分比,%。3.4 有害有毒气体浓度 concentration单位体积空气中含有害有毒气体(NOx、CO 等)的体积或质量,%或 mg/m3。3.5 工作阻力(压降或阻力) working resistance净化装置在净化过程中,净化装置前后管道中气流的全压平均差,Pa。3.6 漏风率 leakage rate漏入净化装置的空气量占处理风...

1、当您付费下载文档后,您只拥有了使用权限,并不意味着购买了版权,文档只能用于自身使用,不得用于其他商业用途(如 [转卖]进行直接盈利或[编辑后售卖]进行间接盈利)。
2、本站所有内容均由合作方或网友上传,本站不对文档的完整性、权威性及其观点立场正确性做任何保证或承诺!文档内容仅供研究参考,付费前请自行鉴别。
3、如文档内容存在违规,或者侵犯商业秘密、侵犯著作权等,请点击“违规举报”。

碎片内容

矿用炮烟净化装置通用技术条件

确认删除?
VIP
微信客服
  • 扫码咨询
会员Q群
  • 会员专属群点击这里加入QQ群
客服邮箱
回到顶部