电脑桌面
添加小米粒文库到电脑桌面
安装后可以在桌面快捷访问

锤击预应力管桩施工工艺标准VIP免费

锤击预应力管桩施工工艺标准_第1页
1/5
锤击预应力管桩施工工艺标准_第2页
2/5
锤击预应力管桩施工工艺标准_第3页
3/5
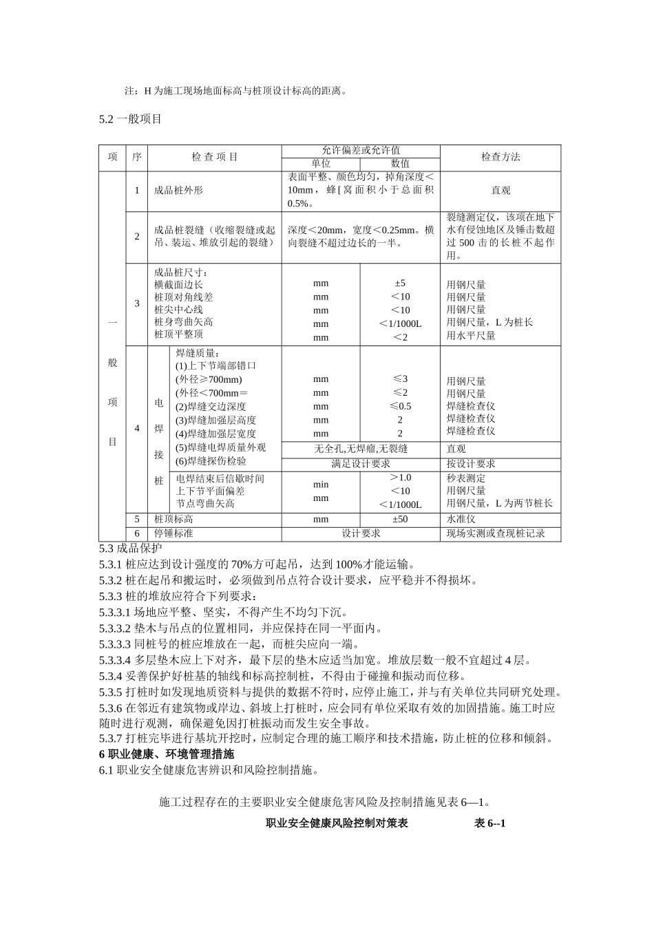
锤击预应力管桩施工工艺标准1 范围本工艺标准适用于工业与民用建筑中的锤击打预应力管桩工程。2 引用标准术语2.1 引用标准《预应力混凝土管桩基础技术规程》 DBJ/T15-22-98《建筑地基处理技术规范》 JCJ79-2002《建筑地基基础工程施工质量验收规范》 GB50202-20022.2 术语管桩——本规程所称的管桩,是指采用离心成型的先张法预应力混凝土管桩,包括预应力混凝土管桩(代号 PC 桩)和预应力高强混凝土管桩(代号 PHC 桩)两大类。预应力混凝土管桩是指离心混凝土强度等级低于 C80 且不低于 C60 的桩;预应力高强混凝土管桩是指离心混凝土强度等级不低于 C80 的桩。管桩基础——由打入(岩)层中的管桩和连接于桩顶的承台共同组成的建(构)筑物基础。锤击贯入法——利用打桩设备的锤击能量将桩沉入(岩)层的施工方法。填芯混凝土——灌填在管桩顶部内腔的混凝土。送桩——打桩过程中,借助送桩器将桩顶沉至地面以下的工序。收锤标准——将桩端打至预定深度附近时终止锤击的控制条件。3 施工准备3.1 材料及主要机具:3.1.1 材料:预应力管桩、电焊条结 4223.1.2 柴油锤或蒸汽锤打桩机、气割工具、索具、撬棍、钢丝刷、锯桩器等施工用具。3.2 作业条件:3.2.1 桩基的轴线和标高均已测定完毕,并经过检查办了预检手续。桩基的轴线和高程的控制桩,应设置在不受打桩影响的地点,并应妥善加以保护。3.2.2 处理完高空和地下的障碍物。如影响邻近建筑物或构筑物的使用或安全时,应会同有关单位采取有效措施,予以处理。3.2.3 根据轴线放出桩位线,用木橛或钢筋头钉好桩位,并用白灰作标志,以便于施打。3.2.4 场地应碾压平整,排水畅通,保证桩机的移动和稳定垂直。3.2.5 打试验桩。施工前必须打试验桩,其数量不少于 2 根。确定贯入度并校验打桩设备、施工工艺以及技术措施是否适宜。3.2.6 要选择和确定打桩机进出路线和打桩顺序,制定施工方案,作好技术交底。4 操作工艺4.1 工艺流程:4.2 操作方法4.2.1 桩位放样及控制4.2.1.1 在打桩现场或附近需设置水准点,数量不少于 2 个;水准点的设置地点应在受打桩作业影响的范围之外。4.2.1.2 对施工现场的轴线控制点及水准点应经常检查,避免发生误差,平面控制桩的精度应符合二级导线的精度要求,高程控制桩的精度应符合三等水准的要求。根据轴线控制桩对轴线进行放线,然后再定出桩位。桩机就位吊、插桩立管、校直锤击沉桩接桩送桩打至持力层收锤桩位放样及控制再...

1、当您付费下载文档后,您只拥有了使用权限,并不意味着购买了版权,文档只能用于自身使用,不得用于其他商业用途(如 [转卖]进行直接盈利或[编辑后售卖]进行间接盈利)。
2、本站所有内容均由合作方或网友上传,本站不对文档的完整性、权威性及其观点立场正确性做任何保证或承诺!文档内容仅供研究参考,付费前请自行鉴别。
3、如文档内容存在违规,或者侵犯商业秘密、侵犯著作权等,请点击“违规举报”。

碎片内容

锤击预应力管桩施工工艺标准

您可能关注的文档

确认删除?
VIP
微信客服
  • 扫码咨询
会员Q群
  • 会员专属群点击这里加入QQ群
客服邮箱
回到顶部