电脑桌面
添加小米粒文库到电脑桌面
安装后可以在桌面快捷访问

中华人民共和国城镇建设行业标准-IC卡家用膜式燃气表(doc15)VIP免费

中华人民共和国城镇建设行业标准-IC卡家用膜式燃气表(doc15)_第1页
1/9
中华人民共和国城镇建设行业标准-IC卡家用膜式燃气表(doc15)_第2页
2/9
中华人民共和国城镇建设行业标准-IC卡家用膜式燃气表(doc15)_第3页
3/9
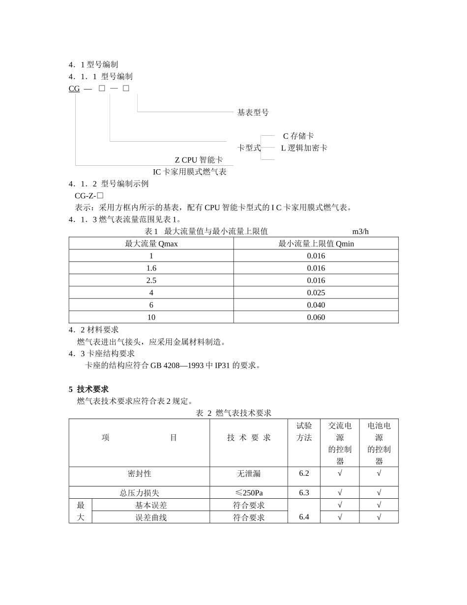
中华人民共和国城镇建设行业标准IC 卡家用膜式燃气表 CJ/T 112—2000Integrated circuit card family diaphragm gas meter1 范围本标准规定了最大流量为 10m3/h(含 10 m3/h)以下 IC 卡家用膜式燃气表的范围要求、试验方法、检验规则、标志包装、运输与贮存。2 引用标准下列标准所含的条文,通过在本标准中引用而构成为本标准的条文。本标准出版时,所示版本均为有效。所有标准都会被修订,使用本标准的各方应探讨使用下列标准最新版本的可能性。GB/T 2828—1987 逐批检查计数抽样程序及抽样表(适用于连续批的检查)GB/T 2829—1987 周期检查计数抽样程序及抽样表(适用于生产过程稳定性的检查)GB 4208—1993 外壳防护等级(IP 代码)GB/T 6833.5—1987 电子测量仪器电磁兼容性试验规范 辐射敏感度试验GB/T 6968—1997 膜式煤气表GB/T 14437—1997 产品质量监督计数一次抽样检查程序及抽样方案GB/T 16411—1996 家用燃气用具的通用试验方法GJ/T 3074—1998 家用燃气燃烧器具电子控制器GJ/T 3075.2—1998 燃气燃烧器具实验室—试验装置和仪器3定义3.1 IC 卡家用膜式燃气表(简称燃气表) IC card family diaphragm gas meter 以膜式燃气表为计量基表,以 IC 卡为媒体,加装电子控制器所组成的一种具有预付费功能的燃气计量装置。3.2 基表 basic gas meters IC 卡家用膜式燃气表所采用的膜式燃气表。3.3 控制器 control unit 用于燃气计量、显示和控制的装置。3.4 欠压值 minimum operating voltage保证电子控制器正常工作的最低设定的电压值。3.5 总压力损失 total pressure loss 燃气表安装控制阀后,在规定条件下进气口和出气口之间的压力损失。4 一般要求4.1 型号编制4.1.1 型号编制CG — □ — □基表型号 C 存储卡卡型式 L 逻辑加密卡 Z CPU 智能卡 IC 卡家用膜式燃气表4.1.2 型号编制示例 CG-Z-□ 表示:采用方框内所示的基表,配有 CPU 智能卡型式的 I C 卡家用膜式燃气表。4.1.3 燃气表流量范围见表 1。 表 1 最大流量值与最小流量上限值 m3/h最大流量 Qmax最小流量上限值 Qmin10.0161.60.0162.50.01640.02560.040100.0604.2 材料要求 燃气表进出气接头,应采用金属材料制造。4.3 卡座结构要求卡座的结构应符合 GB 4208—1993 中 IP31 的要求。5 技术要求 燃气表技术要求应符合表 2 规定。表 2 燃气表...

1、当您付费下载文档后,您只拥有了使用权限,并不意味着购买了版权,文档只能用于自身使用,不得用于其他商业用途(如 [转卖]进行直接盈利或[编辑后售卖]进行间接盈利)。
2、本站所有内容均由合作方或网友上传,本站不对文档的完整性、权威性及其观点立场正确性做任何保证或承诺!文档内容仅供研究参考,付费前请自行鉴别。
3、如文档内容存在违规,或者侵犯商业秘密、侵犯著作权等,请点击“违规举报”。

碎片内容

中华人民共和国城镇建设行业标准-IC卡家用膜式燃气表(doc15)

您可能关注的文档

黄金阁书苑+ 关注
实名认证
内容提供者

热爱教学事业,对互联网知识分享很感兴趣

确认删除?
VIP
微信客服
  • 扫码咨询
会员Q群
  • 会员专属群点击这里加入QQ群
客服邮箱
回到顶部