电脑桌面
添加小米粒文库到电脑桌面
安装后可以在桌面快捷访问

两段式(冷站)煤气发生炉操作规程VIP免费

两段式(冷站)煤气发生炉操作规程_第1页
1/33
两段式(冷站)煤气发生炉操作规程_第2页
2/33
两段式(冷站)煤气发生炉操作规程_第3页
3/33
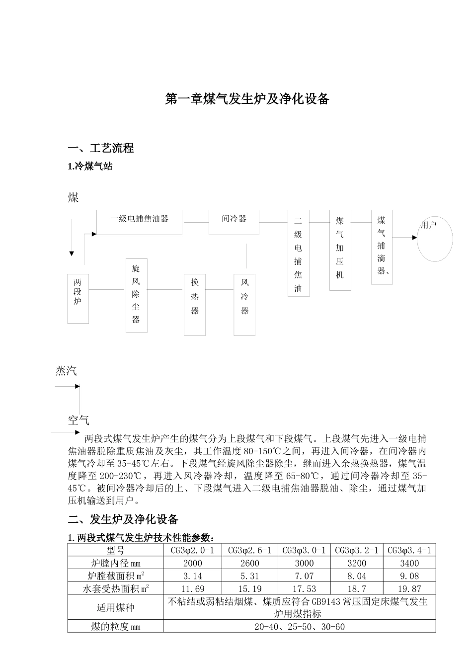
用户第一章煤气发生炉及净化设备一、工艺流程1.冷煤气站 煤蒸汽空气两段式煤气发生炉产生的煤气分为上段煤气和下段煤气。上段煤气先进入一级电捕焦油器脱除重质焦油及灰尘,其工作温度 80-150℃之间,再进入间冷器,在间冷器内煤气冷却至 35-45℃左右。下段煤气经旋风除尘器除尘,继而进入余热换热器,煤气温度降至 200-230℃,再进入风冷器冷却,温度降至 65-80℃,通过间冷器冷却至 35-45℃。被间冷器冷却后的上、下段煤气进入二级电捕焦油器脱油、除尘,通过煤气加压机输送到用户。二、发生炉及净化设备1.两段式煤气发生炉技术性能参数:型号CG3φ2.0-1CG3φ2.6-1CG3φ3.0-1CG3φ3.2-1CG3φ3.4-1炉膛内径 mm20002600300032003400炉膛截面积 m23.145.317.078.049.08水套受热面积 m211.6915.1917.5318.719.87适用煤种不粘结或弱粘结烟煤、煤质应符合 GB9143 常压固定床煤气发生炉用煤指标煤的粒度 mm20-40、25-50、30-60一级电捕焦油器间冷器二级电捕焦油煤气加压机煤气捕滴器、旋风除尘器换热器风冷器两段炉耗煤量 kg/h800-9001200-15002000-22002200-26002500-2800空气消耗量 m3/kg 煤2.0-2.52.0-2.52.0-2.52.0-2.52.0-2.5蒸汽消耗量 kg/kg 煤0.3-0.50.3-0.50.3-0.50.3-0.50.3-0.5煤气产量 Nm3/h2500-28004000-50005500-68006300-78007000-8800煤气热值kJ/m3混合6060-62706060-62706060-62706060-62706060-6270上段7110-73507110-73507110-73507110-73507110-7350下段5225-54345225-54345225-54345225-54345225-5434煤气出口压力 kpa上段1.0-1.22.2-3.02.2-3.03.0-3.53.0-3.5下段2.0-2.53.0-4.53.0-4.53.5-4.53.4-4.5煤气出口温度℃上段80-12080-12080-12080-12080-120下段450-550450-550450-550450-550450-550最大炉底鼓风压力kpa6.06.06.57.07.5饱和温度℃50-6550-6550-6550-6550-65探火孔汽封压力 MPa0.250.250.250.250.25水套蒸汽产量 kg/h300450500550550水套蒸汽压力 MPa0.2940.2940.2940.2940.294加煤方式自动加煤机驱动装置液压驱动灰盘转速 r/h2.971.71.51.51.5液压站功率 kw7.5×211×211×211×211×2排渣方式湿式、自动排渣煤气出口公称直径mm上段DN350DN400DN400DN500DN500下段400×400766×766866×866866×866866×866主要结构及工作原理: 两段式煤气发生炉由料仓、给煤机构、干馏段、气化段、出渣结构、汽包等六大部分组成。分离好的 20-60mm 煤块,经过输煤系统储存于料仓,料仓中的煤经过给煤机...

1、当您付费下载文档后,您只拥有了使用权限,并不意味着购买了版权,文档只能用于自身使用,不得用于其他商业用途(如 [转卖]进行直接盈利或[编辑后售卖]进行间接盈利)。
2、本站所有内容均由合作方或网友上传,本站不对文档的完整性、权威性及其观点立场正确性做任何保证或承诺!文档内容仅供研究参考,付费前请自行鉴别。
3、如文档内容存在违规,或者侵犯商业秘密、侵犯著作权等,请点击“违规举报”。

碎片内容

两段式(冷站)煤气发生炉操作规程

确认删除?
VIP
微信客服
  • 扫码咨询
会员Q群
  • 会员专属群点击这里加入QQ群
客服邮箱
回到顶部