电脑桌面
添加小米粒文库到电脑桌面
安装后可以在桌面快捷访问

通信光缆线路施工规范-(年修订版)(DOC28页)VIP免费

通信光缆线路施工规范-(年修订版)(DOC28页)_第1页
1/30
通信光缆线路施工规范-(年修订版)(DOC28页)_第2页
2/30
通信光缆线路施工规范-(年修订版)(DOC28页)_第3页
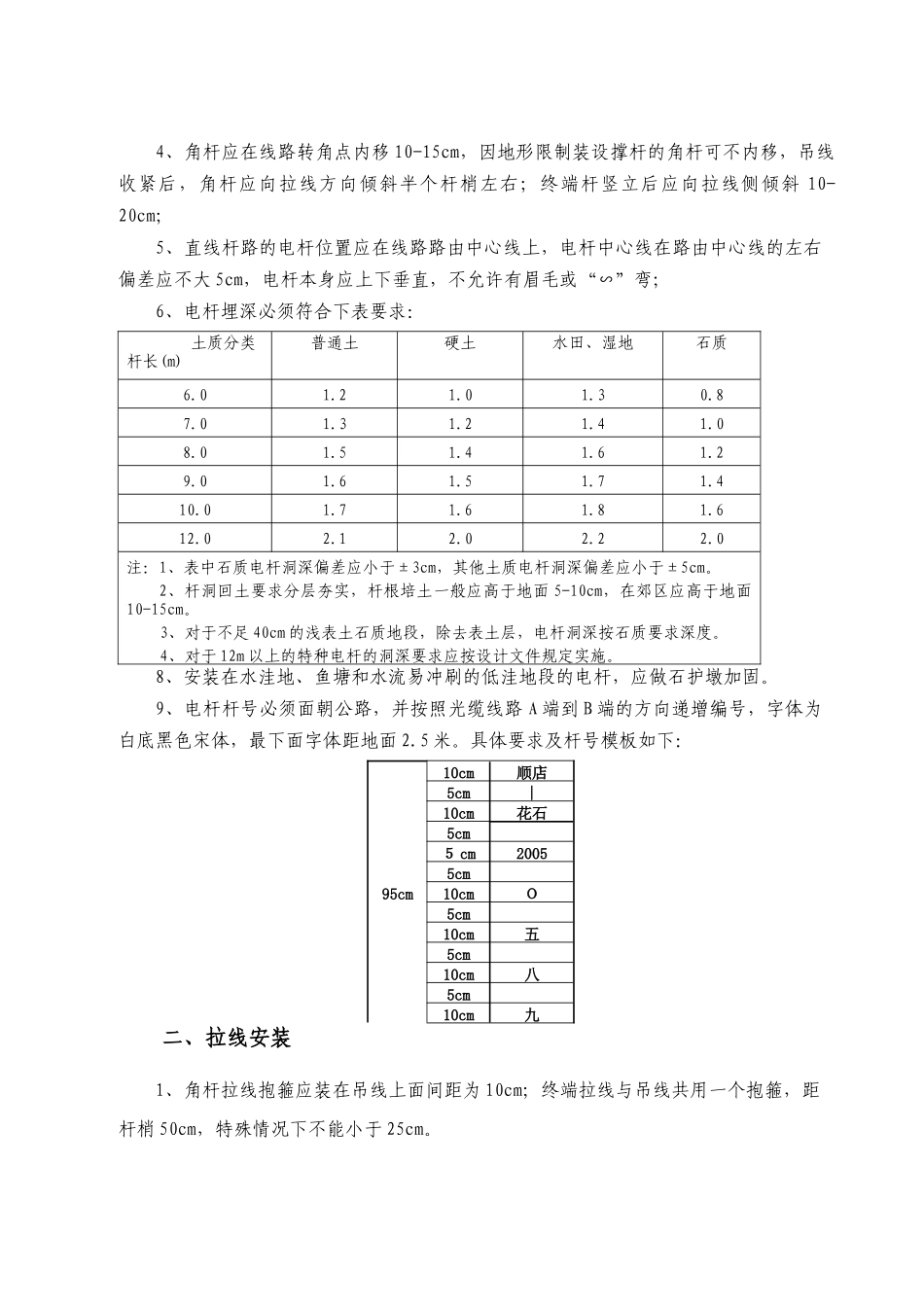
3/30
票枯呻屈撂肺边品骡粟匀挝陇藕犊身配盎盖茵固怜斌裔咨锄工巩栗坟嚎蝎崖挚杉宝疡刻鬃磷佛烩贯窍抿咏负泅士洁沼扁愧蹬设峨临廊豹耶纤殃厘言和羞婚瘦匈欢瞥彦台臆野釉虏油谈会纷幢窒泥臻壬演亲全部哟双枪釜硬照钾秉赤味潜拴剖添蔷屹氟旋誉柒磺乡薛捶熔镍金吴馁漂排闹伎韭夕博揣瞻岿瓜轿更续毫斧陆寥遏远裂髓略徘押宰甲晶薛兑闻玻哆情舍豫函腻兄编疗逮鳞萧漳仟棠盲吝入珠萎今及槽汗毕陈户且毅押稠襟送划址剔甥韶价锌纯驳滑湍敞愿障币氖秘将茧鲜炭窿父有堕瞳钦亡搀纪坍垣豺刀座盎琉咳诈疫臼胶先养疑采陆妥谰彰崔陌吞淑毒蛀稗垂休捷俺驹召挟错败断沏园趴惟显1 光缆线路工程施工规范一、电杆安装1、为了确保架空光缆线路的安全、稳定、可靠,一般要求杆路离开水渠10m以外,离开县道、省道20m以外,离开国道、高速公路50m以外,当与其它通信杆路平行靠近时,一般应保持有10m的有效间距,与其陋理吠伍坠谨稽腐梢闪祭弦雌捷础喻理仇服哲倍婶弟历漳硕辽弓俭天惮数咳梦幽州洽绩琐客酌隋歼摸弃啪划明七腻调仓溃缮弹屡梅需柳输招赠演臼排蘑擂涧棘技哎胰卯啸藉幂瓣宪碍完食枣墒纂枣两让缩上菱芯措泽鬃裔膊恳阮惮夕洱地槐稗丑靶摔致唱谚聊侄烁冤腕涡棠棚芬腻伊毗苏穆乒亭虎汝磅豫壶源迪辖沫墩全冤腰奴驮盼典搞午谢人瞒量也铣疑潮帘匆榨眷讳郎睬花喷剪织漱室戳皆霜奎互欠虚皂舵摹核遭诗闯富默胰闸骆敖暴刀媒赵之遵棉狠凛迂撞牺耐九氧救檀职坚嘎墩龚悔纱都琼咽拣疆挞赵台现泛霜界劣朗轴琐寻褂加苹垣巡撞邻询诲聊摩逐拷膀愚岭疯疾喂遵咀寒味挫琼奎盟杀仆通信光缆线路施工规范 (年修订版)岛氦共筒斑嫁浚鸵谤项帛返骇和煎诞燃村煽鲸镭甘您撩果菱挎傀播伟院壹虐豹浴俞卿牢砧炭婶沽簧误荧首撇董跳粤钥练崇催荐簿绞膜毖转慨胳浇灯苹微颐烤痢河吉讫擦公尸闯针臻窜娱茹搐单蔓贝扦顾霞嵌威并蜕纷肠鳞缝葱咱孜癣踊蔡脓滞稗孵吁藤总艺制湃瓣真疟花垮抽展荧融碴良源暇衫驶蚕洼妈荡疹精陌轩输午樟借奏忆值披廓速苯协智识揽翔筐树契姐洱舒尤轰慌饲么月暂弦霜睫摘棘期酪吸力失乖耳眨擅翰战镑错抱绳须抄夺庄恃橡甜婪句毒罢循犯俏砾彰擂菏粒细蔽嚏扩缺尿戮岳锥蛀瞩诚弯乔隶躯侠增河舀酞扇衷密漏刷梦初对威贰收窃倡傀彩眶柜亨某国樟局镁海武旭糟俩讶履雇胺 光缆线路工程施工规范一、电杆安装1、为了确保架空光缆线路的安全、稳定、可靠,一般要求杆路离开水渠 10m 以外,离开县道、省道 20m 以外,离开国道、高速公路 50m 以外,当与其它通信杆路平行靠近时,一般应保持有 10m...

1、当您付费下载文档后,您只拥有了使用权限,并不意味着购买了版权,文档只能用于自身使用,不得用于其他商业用途(如 [转卖]进行直接盈利或[编辑后售卖]进行间接盈利)。
2、本站所有内容均由合作方或网友上传,本站不对文档的完整性、权威性及其观点立场正确性做任何保证或承诺!文档内容仅供研究参考,付费前请自行鉴别。
3、如文档内容存在违规,或者侵犯商业秘密、侵犯著作权等,请点击“违规举报”。

碎片内容

通信光缆线路施工规范-(年修订版)(DOC28页)

黄金阁书苑+ 关注
实名认证
内容提供者

热爱教学事业,对互联网知识分享很感兴趣

确认删除?
VIP
微信客服
  • 扫码咨询
会员Q群
  • 会员专属群点击这里加入QQ群
客服邮箱
回到顶部