电脑桌面
添加小米粒文库到电脑桌面
安装后可以在桌面快捷访问

农田水利渠道流量设计VIP免费

农田水利渠道流量设计_第1页
1/16
农田水利渠道流量设计_第2页
2/16
农田水利渠道流量设计_第3页
3/16
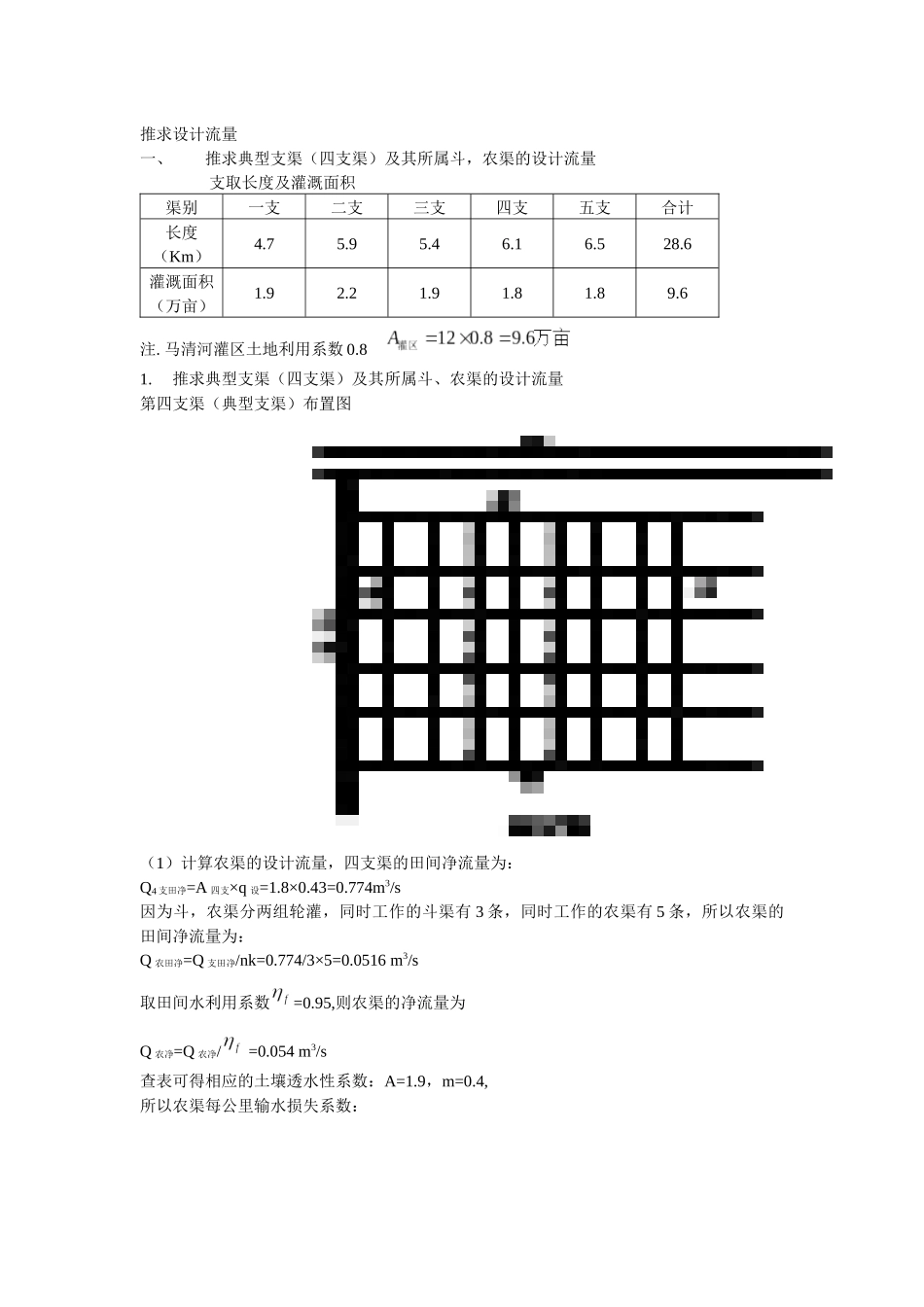
推求设计流量一、推求典型支渠(四支渠)及其所属斗,农渠的设计流量 支取长度及灌溉面积渠别一支二支三支四支五支合计长度(Km)4.75.95.46.16.528.6灌溉面积(万亩)1.92.21.91.81.89.6注. 马清河灌区土地利用系数 0.8 1.推求典型支渠(四支渠)及其所属斗、农渠的设计流量第四支渠(典型支渠)布置图(1)计算农渠的设计流量,四支渠的田间净流量为:Q4 支田净=A 四支×q 设=1.8×0.43=0.774m3/s因为斗,农渠分两组轮灌,同时工作的斗渠有 3 条,同时工作的农渠有 5 条,所以农渠的田间净流量为:Q 农田净=Q 支田净/nk=0.774/3×5=0.0516 m3/s取田间水利用系数=0.95,则农渠的净流量为Q 农净=Q 农净/ =0.054 m3/s查表可得相应的土壤透水性系数:A=1.9,m=0.4,所以农渠每公里输水损失系数:=A/100Qm 农净==0.061m3/s所以农渠的设计流量为:Q 农毛=Q 农净(1+ L 农)==0.057 m3/s (L 农 =0.8 千米)(2)计算斗渠的设计流量,因为一条斗渠内同时工作的农渠有 5 条,所以斗渠的净流量等于 5 条农渠的毛流量之和:Q 斗净=5×Q 农毛=5×0.057=0.285 m3/s农渠分两组轮灌。各组要求斗渠供给的净流量相等,但是,第Ⅱ组轮灌组距斗渠进水口较远,输水损失较多,据此求得斗渠毛流量较大,以第Ⅱ组轮灌组灌水时需要的斗渠毛流量作为斗渠的设计流量。斗渠的平均工作长度 L4=1.8Km因为斗渠每公里输水损失系数为= A/100Qm 斗净=0.0314所以斗渠的设计流量为:Q 斗毛=Q 斗净(1+ L 斗)=0.301 m3/s(3)计算四支渠的设计流量;斗渠也是分两组轮灌,以第Ⅱ轮灌组要求的支渠毛流量作为支渠的设计流量,支渠的平均工作长度 L 支=4.9Km支渠的净流量为:Q 支净=3×Q 斗毛=0.903 m3/s支渠每公里输水损失系数: = A/100Qm 支净=0.0198支渠的毛流量为:Q 四支毛=Q 四支净(1+ L 四支)=0.991 m3/s2.计算四支渠的灌溉水利用系数0.783.计算其他支渠的设计流量1)计算其他支渠的田间净流量Q1 支田净=1.9×0.43=0.817m3/s Q2 支田净=2.2×0.43=0.946m3/sQ3 支田净=1.9×0.43=0.817m3/sQ5 支田净=1.8×0.43=0.774m3/s2)计算其他支渠的设计流量 以典型支渠(四支渠)的灌溉水利用系数作为扩大指标,用来计算其他支渠的设计流量。Q1 支毛=m3/s Q2 支毛= m3/sQ3 支毛= m3/sQ5 支毛=m3/s4.推求干渠各段的设计流量1)DE 段的设计流量:QDEJ 净= Q 五支=0.99 m3/s=0.019m3/sQDE 毛=QDE 净(1+LDE)=0.99(1...

1、当您付费下载文档后,您只拥有了使用权限,并不意味着购买了版权,文档只能用于自身使用,不得用于其他商业用途(如 [转卖]进行直接盈利或[编辑后售卖]进行间接盈利)。
2、本站所有内容均由合作方或网友上传,本站不对文档的完整性、权威性及其观点立场正确性做任何保证或承诺!文档内容仅供研究参考,付费前请自行鉴别。
3、如文档内容存在违规,或者侵犯商业秘密、侵犯著作权等,请点击“违规举报”。

碎片内容

农田水利渠道流量设计

您可能关注的文档

黄金阁书苑+ 关注
实名认证
内容提供者

热爱教学事业,对互联网知识分享很感兴趣

确认删除?
VIP
微信客服
  • 扫码咨询
会员Q群
  • 会员专属群点击这里加入QQ群
客服邮箱
回到顶部