电脑桌面
添加小米粒文库到电脑桌面
安装后可以在桌面快捷访问

水工钢结构钢闸门课程设计VIP免费

水工钢结构钢闸门课程设计_第1页
1/18
水工钢结构钢闸门课程设计_第2页
2/18
水工钢结构钢闸门课程设计_第3页
3/18
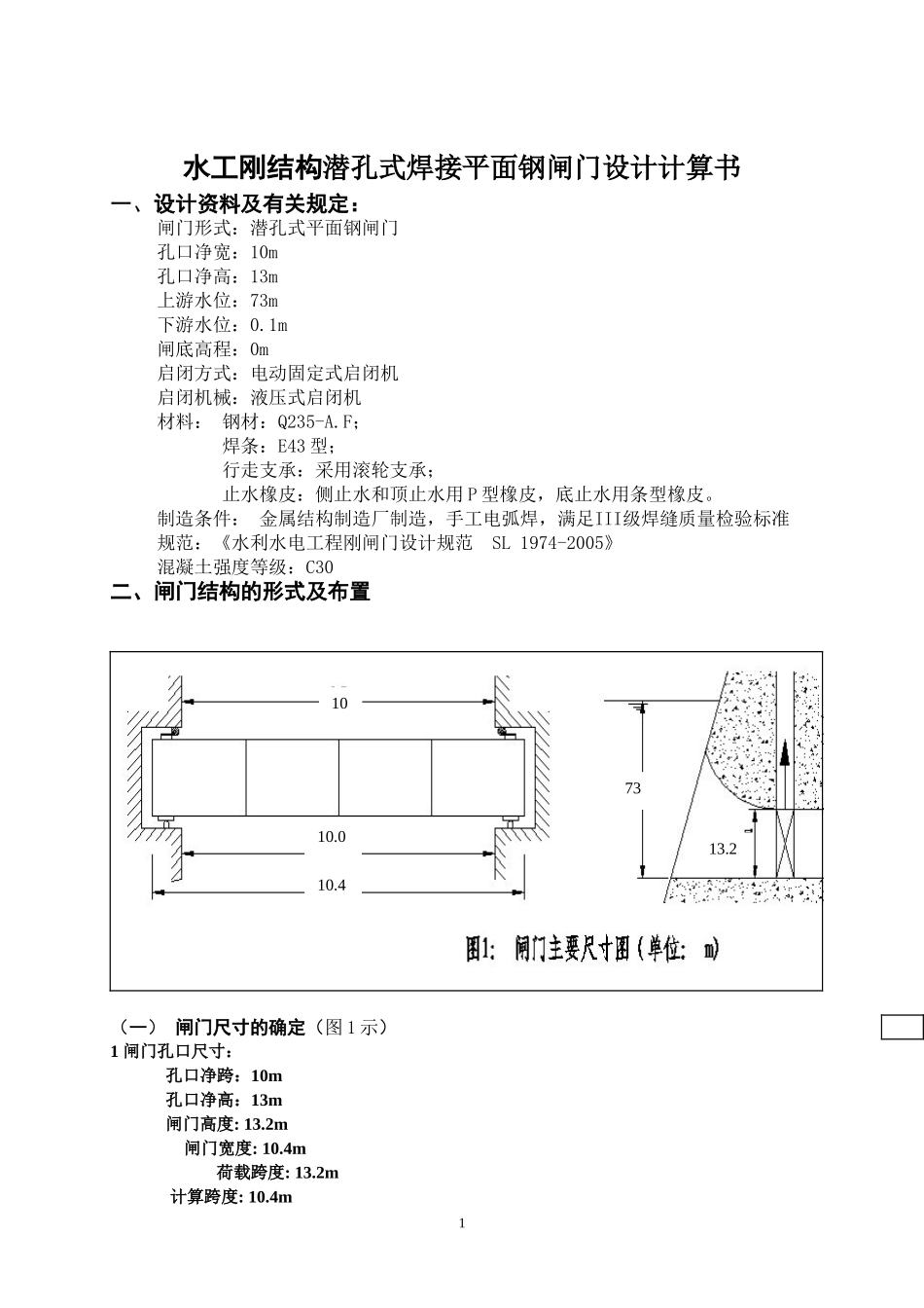
水工刚结构潜孔式焊接平面钢闸门设计计算书一、设计资料及有关规定:闸门形式:潜孔式平面钢闸门孔口净宽:10m孔口净高:13m上游水位:73m下游水位:0.1m闸底高程:0m启闭方式:电动固定式启闭机启闭机械:液压式启闭机材料: 钢材:Q235-A.F;焊条:E43 型;行走支承:采用滚轮支承;止水橡皮:侧止水和顶止水用 P 型橡皮,底止水用条型橡皮。制造条件: 金属结构制造厂制造,手工电弧焊,满足III级焊缝质量检验标准规范:《水利水电工程刚闸门设计规范 SL 1974-2005》混凝土强度等级:C30二、闸门结构的形式及布置(一) 闸门尺寸的确定(图 1 示)1 闸门孔口尺寸: 孔口净跨:10m 孔口净高:13m 闸门高度: 13.2m 闸门宽度: 10.4m 荷载跨度: 13.2m 计算跨度: 10.4m110.010.41013.2732 计算水头:73m(二)主梁的布置1.主梁的数目及形式 主梁是闸门的主要受力构件,其数目主要取决于闸门的尺寸。因为闸门跨度 L=10m,闸门高度 h=13m,L3 时,a=1.55,则 t=a=0.067现列表 1 计算如下:区格a(mm)b(mm)b/akpt199520702.0800.6830.5930.63643.1299520702.0800.4970.6040.54835.4399520702.0800.4970.6150.55335.7499520702.0800.4970.6260.57835.7599520702.0800.4970.6370.56336.1699520702.0800.4970.6470.56736.3799520702.0800.4970.6580.57236.7899520702.0800.4970.6690.57736.9999520702.0800.4970.6800.58137.21099520702.0800.4970.6910.58637.611109020702.0800.4970.7020.59137.91290020702.0800.4970.7120.61942.1 根据上表计算,选用面板厚度 t=44mm 。2.面板与...

1、当您付费下载文档后,您只拥有了使用权限,并不意味着购买了版权,文档只能用于自身使用,不得用于其他商业用途(如 [转卖]进行直接盈利或[编辑后售卖]进行间接盈利)。
2、本站所有内容均由合作方或网友上传,本站不对文档的完整性、权威性及其观点立场正确性做任何保证或承诺!文档内容仅供研究参考,付费前请自行鉴别。
3、如文档内容存在违规,或者侵犯商业秘密、侵犯著作权等,请点击“违规举报”。

碎片内容

水工钢结构钢闸门课程设计

您可能关注的文档

精品中小学文档+ 关注
实名认证
内容提供者

精品资料,值得下载

确认删除?
VIP
微信客服
  • 扫码咨询
会员Q群
  • 会员专属群点击这里加入QQ群
客服邮箱
回到顶部