电脑桌面
添加小米粒文库到电脑桌面
安装后可以在桌面快捷访问

高压配电柜用电磁锁的新设计VIP免费

高压配电柜用电磁锁的新设计_第1页
1/2
高压配电柜用电磁锁的新设计_第2页
2/2
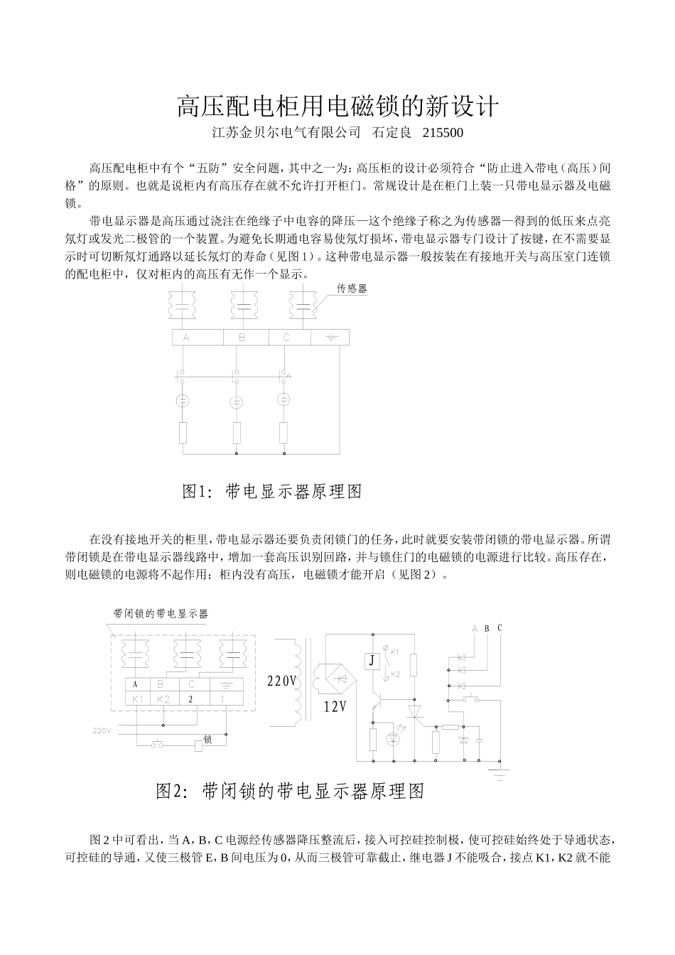
高压配电柜用电磁锁的新设计江苏金贝尔电气有限公司 石定良 215500 高压配电柜中有个“五防”安全问题,其中之一为:高压柜的设计必须符合“防止进入带电(高压)间格”的原则。也就是说柜内有高压存在就不允许打开柜门。常规设计是在柜门上装一只带电显示器及电磁锁。带电显示器是高压通过浇注在绝缘子中电容的降压—这个绝缘子称之为传感器—得到的低压来点亮氖灯或发光二极管的一个装置。为避免长期通电容易使氖灯损坏,带电显示器专门设计了按键,在不需要显示时可切断氖灯通路以延长氖灯的寿命(见图 1)。这种带电显示器一般按装在有接地开关与高压室门连锁的配电柜中,仅对柜内的高压有无作一个显示。图1:带电显示器原理图传感器在没有接地开关的柜里,带电显示器还要负责闭锁门的任务,此时就要安装带闭锁的带电显示器。所谓带闭锁是在带电显示器线路中,增加一套高压识别回路,并与锁住门的电磁锁的电源进行比较。高压存在,则电磁锁的电源将不起作用;柜内没有高压,电磁锁才能开启(见图 2)。A2锁JBC220V图2:带闭锁的带电显示器原理图带闭锁的带电显示器12V图 2 中可看出,当 A,B,C 电源经传感器降压整流后,接入可控硅控制极,使可控硅始终处于导通状态,可控硅的导通,又使三极管 E,B 间电压为 0,从而三极管可靠截止,继电器 J 不能吸合,接点 K1,K2 就不能闭合,电磁锁不能得到电源而不能开启。图3:取自PT的操作电源10KV10KV100V100VPT100V100V100V220V220V220V在大中型变电所里,有专门的站用变或直流屏,电磁锁的电源不会有问题。但在小型变电所(站),低压操作电源往往取自电压互感器(PT),由电压互感器输出的 100V 交流电压,经过变压到 220V(见图 3)。这个电压是与柜中的高压牵在一起的,当柜中没有高压时,电磁锁的电源也不存在了,尽管比较电路已经把电磁锁的通路打开,电磁锁却因为没有电源而不能工作。为在这种情况下能打开柜门,只能专门为其加装一套应急电源(UPS),增加了造价,体积,还增加了维修成本。如果电磁锁不需要变电所提供的电源,而是由外部(钥匙上自带)提供,那么就可大大的简化高压柜内的接线,节约大量的导线及辅助电源。并且还可以节约长时间的待机所消耗的电能。把带电显示部分和电磁锁设计成一体,将会给安装和使用都带来更多的灵活和方便。图 4 就是新电磁锁连带电显示器原理图。

1、当您付费下载文档后,您只拥有了使用权限,并不意味着购买了版权,文档只能用于自身使用,不得用于其他商业用途(如 [转卖]进行直接盈利或[编辑后售卖]进行间接盈利)。
2、本站所有内容均由合作方或网友上传,本站不对文档的完整性、权威性及其观点立场正确性做任何保证或承诺!文档内容仅供研究参考,付费前请自行鉴别。
3、如文档内容存在违规,或者侵犯商业秘密、侵犯著作权等,请点击“违规举报”。

碎片内容

高压配电柜用电磁锁的新设计

您可能关注的文档

精品中小学文档+ 关注
实名认证
内容提供者

精品资料,值得下载

确认删除?
VIP
微信客服
  • 扫码咨询
会员Q群
  • 会员专属群点击这里加入QQ群
客服邮箱
回到顶部