电脑桌面
添加小米粒文库到电脑桌面
安装后可以在桌面快捷访问

危化品企业事故隐患排查治理实施导则VIP免费

危化品企业事故隐患排查治理实施导则_第1页
1/31
危化品企业事故隐患排查治理实施导则_第2页
2/31
危化品企业事故隐患排查治理实施导则_第3页
3/31
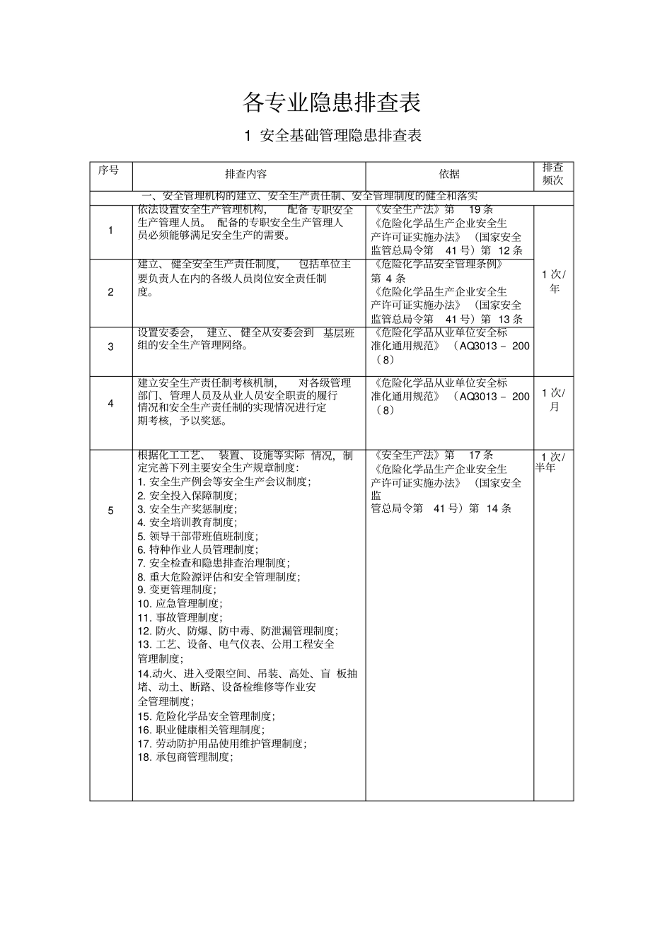
各专业隐患排查表1 安全基础管理隐患排查表序号排查内容依据排查频次一、安全管理机构的建立、安全生产责任制、安全管理制度的健全和落实1依法设置安全生产管理机构,配备 专职安全生产管理人员。 配备的专职安全生产管理人员必须能够满足安全生产的需要。《安全生产法》第19 条《危险化学品生产企业安全生产许可证实施办法》 (国家安全监管总局令第41 号)第 12 条1 次/年2建立、 健全安全生产责任制度,包括单位主要负责人在内的各级人员岗位安全责任制度。《危险化学品安全管理条例》第 4 条《危险化学品生产企业安全生产许可证实施办法》 (国家安全监管总局令第41 号)第 13 条3设置安委会, 建立、 健全从安委会到基层班组的安全生产管理网络。《危险化学品从业单位安全标准化通用规范》 (AQ 3013 – 200( 8)4建立安全生产责任制考核机制,对各级管理部门、管理人员及从业人员安全职责的履行情况和安全生产责任制的实现情况进行定期考核,予以奖惩。《危险化学品从业单位安全标准化通用规范》 (AQ 3013 – 200( 8)1 次/月5 根据化工工艺、 装置、 设施等实际 情况,制定完善下列主要安全生产规章制度:1. 安全生产例会等安全生产会议制度;2. 安全投入保障制度;3. 安全生产奖惩制度;4. 安全培训教育制度;5. 领导干部带班值班制度;6. 特种作业人员管理制度;7. 安全检查和隐患排查治理制度;8. 重大危险源评估和安全管理制度;9. 变更管理制度;10. 应急管理制度;11. 事故管理制度;12. 防火、防爆、防中毒、防泄漏管理制度;13. 工艺、设备、电气仪表、公用工程安全管理制度;14.动火、进入受限空间、吊装、高处、盲 板抽堵、动土、断路、设备检维修等作业安全管理制度;15. 危险化学品安全管理制度;16. 职业健康相关管理制度;17. 劳动防护用品使用维护管理制度;18. 承包商管理制度;《安全生产法》第17 条《危险化学品生产企业安全生产许可证实施办法》 (国家安全监管总局令第41 号)第 14 条1 次/半年2按照规定的安全生产费用使用范围,合理使用安全生产费用,建立安全生产费用台账。安全生产的费用应当按照以下范围使用:1. 完善、改造和维护安全防护设施设备支出;2. 配备、维护、保养应急救援器材、设备支 出和应急演练支出;3. 开展重大危险源和事故隐患评估、监控和 整改支出;4. 安全生产检查、评价(不包括新建、改建、扩建项目安全评价)、咨询和...

1、当您付费下载文档后,您只拥有了使用权限,并不意味着购买了版权,文档只能用于自身使用,不得用于其他商业用途(如 [转卖]进行直接盈利或[编辑后售卖]进行间接盈利)。
2、本站所有内容均由合作方或网友上传,本站不对文档的完整性、权威性及其观点立场正确性做任何保证或承诺!文档内容仅供研究参考,付费前请自行鉴别。
3、如文档内容存在违规,或者侵犯商业秘密、侵犯著作权等,请点击“违规举报”。

碎片内容

危化品企业事故隐患排查治理实施导则

爱的疯狂+ 关注
实名认证
内容提供者

该用户很懒,什么也没介绍

确认删除?
VIP
微信客服
  • 扫码咨询
会员Q群
  • 会员专属群点击这里加入QQ群
客服邮箱
回到顶部