电脑桌面
添加小米粒文库到电脑桌面
安装后可以在桌面快捷访问

压力容器焊接工艺卡VIP免费

压力容器焊接工艺卡_第1页
1/50
压力容器焊接工艺卡_第2页
2/50
压力容器焊接工艺卡_第3页
3/50
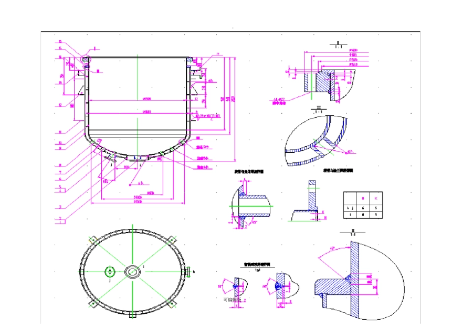
. 可编辑版焊接工艺课程设计任务书题目: ZY-1 型反应釜的焊接工艺制定材料: 16MnR 焊接方法: CO2 气体保护焊要求:1、看懂图纸2、根据相关标准画出焊缝布置图,并标注焊缝类别3、制定焊接工艺总则4、设计焊接工艺卡5、重要的焊缝制定相应的焊接工艺卡6、工艺卡中应标明焊接检验的方法及标准. 可编辑版学生:班级:指导教师:. 可编辑版. 可编辑版16MnR 的焊接性分析:16MnR 的成分:名称CSiMnPSAiNiCr含量0.150.321.380.0160.014-0.010.017热裂纹: 16MnR 是普通低合金钢,是锅炉压力容器专用钢,锅炉压力容器的常用材料。它的强度较高、塑韧性零号。常见交货状态为热轧或正火。属低合金高强度钢,含Mn 量较低。 16MNR 作为压力容器用钢, S,P 含量比 16Mn 要少一些 。含碳量比较低,且Mn/S比较高,正常情况下不会出现热裂纹,但材质成分不合格或者因严重偏析使局部C、 S含量偏高时,可能会出现热裂纹。解决措施是: 工艺上尽量减小熔合比,选择焊材是采用低碳焊丝H03MnTi 和含 Si02 较低的焊剂(本次CO2 保护焊不需要焊剂) ,以此降低焊缝中的含碳量,从而解决热裂纹的问题。冷裂纹: 钢种的淬硬倾向、含氢量和拘束应力是焊接时产生冷裂纹的三大主要因素。下面也从这三方面分析16MnR的冷裂纹倾向。1、 淬硬倾向:16MnR 的碳当量计算:CE=C+1/6Mn+1/15Cu+1/15Ni+1/5Cr+1/5Mo+1/5V=0.15+1/6 x1.38 +1/15 x0.01+1/5 x0.017=0.15+0.23+0.0007+0.0034=0.3841碳当量 CE=0.3841<0.4 可以看出其基本么有淬硬倾向其含碳量低,在淬火时,如冷却速度不是太快,就会得到低碳马氏体组织,或者是铁素体珠光体组织,这些组织的硬度不高,故其淬硬倾向小,只有在冷却速度较快时,才会得到高碳马氏体组织,则有一定的淬硬倾向。2、含氢量: 焊缝中的氢主要来源于焊接材料中的水分、焊件坡口处的铁锈、油污,以及环境湿度等。对16MnR来说,只要板厚不太大且冷却速度控制得当,由于焊接温度高,增强了氢的活动能力,大部分氢从焊缝中扩散逸出。同时,当焊缝冷却时,其组织会由奥氏体向铁素体等转变,由于氢在奥氏体中的溶解度大大高于在铁素体中的溶解度,又会有部分氢逸出。最后,焊缝中的残余氢量就不足以形成冷裂纹。3、拘束应力: 焊缝中的应力主要包括热应力、组织应力和由于白身拘束条件所造成的应力。目前,普遍采用拘束度(R)综合表示这三种应力的大小,拘束度的计算可采用如下公式:R=K* δ式中 K为板厚拘...

1、当您付费下载文档后,您只拥有了使用权限,并不意味着购买了版权,文档只能用于自身使用,不得用于其他商业用途(如 [转卖]进行直接盈利或[编辑后售卖]进行间接盈利)。
2、本站所有内容均由合作方或网友上传,本站不对文档的完整性、权威性及其观点立场正确性做任何保证或承诺!文档内容仅供研究参考,付费前请自行鉴别。
3、如文档内容存在违规,或者侵犯商业秘密、侵犯著作权等,请点击“违规举报”。

碎片内容

压力容器焊接工艺卡

您可能关注的文档

确认删除?
VIP
微信客服
  • 扫码咨询
会员Q群
  • 会员专属群点击这里加入QQ群
客服邮箱
回到顶部