电脑桌面
添加小米粒文库到电脑桌面
安装后可以在桌面快捷访问

商品砼检测项目、标准和方法VIP免费

商品砼检测项目、标准和方法_第1页
1/2
商品砼检测项目、标准和方法_第2页
2/2
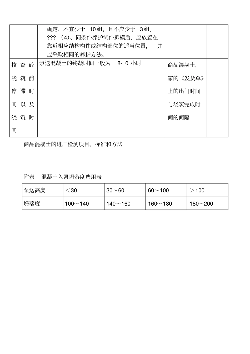
检测项目标准检测方法备注质 量 证明文件1、 原材料质保单2、 混凝土配合比、混凝土强度试验报告等3、 发货单(有混凝土出场时间等记录)文件资料坍落度混凝土拌合物坍落度检验试样的取样频率应与混凝土强度检验的取样频率一致。混凝土入泵坍落度选用见附表现场坍落度试验混 凝 土强度1、 同条件养护试件留置 :取样与试件留置应符合下列规定:??? (1) 每拌制 100 盘但不超过 100 m3 的同配合比的混凝土,取样次数不得少于1 次。??? (2) 每工作班拌制的同配合比的混凝土不足 100 盘时,其取样次数仍不得少于1 次。??? (3) 当 1 次连续浇筑超过 1000 m3耐时,同一配合比的混凝上每200 m3 取样不得少于1 次。??? (4) 每一楼层、同一配合比的混凝土,取样不得少于 1 次。??? (5) 对现浇混凝土结构,其试件留置还应符合下列要求: 每一现浇楼层同配合比的混凝土,取样不得少于 1 次;同一单位工程每一验收项目中同配合比的混凝土,取样不得少于1次。??? (6) 对 大 体 积 粉 煤 灰 混 凝 土 每 拌 制500m3。至少成型一组试件, 不足规定数量时,每班至少成型一组。2、 标准养护试样留置 : 同条件养护试件的留置方式和取样数量,应符合下列要求:??? (1)、 同条件养护试件所对应的结构构件或结构部位, 应由监理单位、 甲方专业负责人、施工等各方根据其重要性共同选定。??? (2)、对混凝土结构工程中的各混凝土强度等级,均应留置同条件养护试件。??? (3)、同一强度等级的同条件养护试件,其留置的数量应根据混凝土工程量和重要性甲方专业负责人必须跟踪试块 的 制 作 过程,在试块上做好记号,并建立《混凝土试块留置及检验试验登记台账》,和施工单位一起送试验室检测,必要的情况下送甲方指定的试验室进行检测商品混凝土的进厂检测项目、标准和方法附表混凝土入泵坍落度选用表泵送高度<3030~6060~100>100坍落度100~140140~160160~180180~200确定,不宜少于10 组,且不应少于3 组。??? (4)、同条件养护试件拆模后,应放置在靠近相应结构构件或结构部位的适当位置,并应采取相同的养护方法。核 查 砼浇 筑 前停 滞 时间 以 及浇 筑 时间泵送混凝土的终凝时间一般为8-10 小时商品混凝土厂家的《发货单》上的出门时间与浇筑完成时间的间隔

1、当您付费下载文档后,您只拥有了使用权限,并不意味着购买了版权,文档只能用于自身使用,不得用于其他商业用途(如 [转卖]进行直接盈利或[编辑后售卖]进行间接盈利)。
2、本站所有内容均由合作方或网友上传,本站不对文档的完整性、权威性及其观点立场正确性做任何保证或承诺!文档内容仅供研究参考,付费前请自行鉴别。
3、如文档内容存在违规,或者侵犯商业秘密、侵犯著作权等,请点击“违规举报”。

碎片内容

商品砼检测项目、标准和方法

文库当当响+ 关注
实名认证
内容提供者

该用户很懒,什么也没介绍

相关文档

确认删除?
VIP
微信客服
  • 扫码咨询
会员Q群
  • 会员专属群点击这里加入QQ群
客服邮箱
回到顶部