电脑桌面
添加小米粒文库到电脑桌面
安装后可以在桌面快捷访问

四川汉源万里工业园区污水处理工程VIP免费

四川汉源万里工业园区污水处理工程_第1页
1/7
四川汉源万里工业园区污水处理工程_第2页
2/7
四川汉源万里工业园区污水处理工程_第3页
3/7
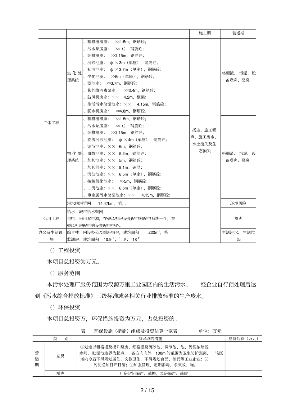
1 / 15 四川汉源万里工业园区污水处理工程环境影响报告书简本四川省环科院科技咨询有限责任公司二○一五年八月一、建设项目概况、建设项目名称、性质和地点项目名称:四川汉源万里工业园区污水处理工程项目性质:新建项目地点:四川省汉源县万里工业园区内、建设规模、内容、工程投资、建设周期、生产工艺、环保投资()工程规模本次工程建设总规模为万,其中物化处理系统规模为16000m3,生化处理系统规模为 4000m3;配套建设管网工程14.47km,采用管。本环评针对污水处理厂万规模厂内建设内容及14.47km污水管网工程开展环境影响评价工作。()建设内容及项目组成本次项目包括污水处理厂及厂外配套截污管网14.47km。①物化处理系统规模16000m3,采用“粗格栅泵提升细格栅调节池中和辅助混凝沉淀接触氧化沉淀过滤”的工艺;②生化处理系统规模4000m3,采用“粗格栅泵提升细格栅沉淀过滤消毒”的工艺;③配套建设管网工程14.47km,采用管;本项目污水厂主要建设内容有:进水节流井、粗、细格栅间、提升泵房、旋流沉砂池、生化池、终沉池、滤池、紫外线消毒渠、污泥浓缩池、除臭装置、污泥脱水间、反冲洗泵房、鼓风机房以及供电供水、综合办公楼等公辅和办公生活设施。项目组成以及主要环境影响因素见表。表项目组成及主要环境问题项目组成项目内容及规模环境影响2 / 15 施工期营运期主体工程生 化 处理系统、粗格栅槽座:××1.5m,钢筋砼;、污水泵房座:××(),钢筋砼;、细格栅座: ××1.15m,钢筋砼;、沉砂池座: φ ×3m(单座),钢筋砼;、初沉池座: φ ×3.7m(单座),钢筋砼;、生化池座: ××5m(单座),钢筋砼;、滤池座: ××3.7m,钢筋砼;、紫外线消毒渠座,××3.4m,钢筋砼;、鼓风机房座:××4.2m,框架;、生活污水储泥池座:××4.15m,钢筋砼;、脱水机房座:××4.8m,钢筋砼。扬尘、施工噪声、施工废水、水土流失及生态损失格栅渣、 污泥、 设备噪声、恶臭物 化 处理系统、粗格栅槽座:××1.5m,钢筋砼;、污水泵房座:××(),钢筋砼;、细格栅座: ××1.15m,钢筋砼;、旋流沉砂池座:φ ×4m(单座),钢筋砼;、调节池座:××6m,钢筋砼;、事故池座:××5.2m,钢筋砼;、加药池座:××5m,钢筋砼;、加药间座:××8.1m,砖混;、沉淀池座:××6.5m(单座),钢筋砼;、接触氧化池座:××5m,钢筋砼;、二沉池座:××6.5m(单座),钢筋砼;、重金属污水储泥池座:××4.15m...

1、当您付费下载文档后,您只拥有了使用权限,并不意味着购买了版权,文档只能用于自身使用,不得用于其他商业用途(如 [转卖]进行直接盈利或[编辑后售卖]进行间接盈利)。
2、本站所有内容均由合作方或网友上传,本站不对文档的完整性、权威性及其观点立场正确性做任何保证或承诺!文档内容仅供研究参考,付费前请自行鉴别。
3、如文档内容存在违规,或者侵犯商业秘密、侵犯著作权等,请点击“违规举报”。

碎片内容

四川汉源万里工业园区污水处理工程

您可能关注的文档

爱的疯狂+ 关注
实名认证
内容提供者

该用户很懒,什么也没介绍

确认删除?
VIP
微信客服
  • 扫码咨询
会员Q群
  • 会员专属群点击这里加入QQ群
客服邮箱
回到顶部