电脑桌面
添加小米粒文库到电脑桌面
安装后可以在桌面快捷访问

北京市老旧小区综合改造外墙外保温施工技术导则VIP免费

北京市老旧小区综合改造外墙外保温施工技术导则_第1页
1/18
北京市老旧小区综合改造外墙外保温施工技术导则_第2页
2/18
北京市老旧小区综合改造外墙外保温施工技术导则_第3页
3/18
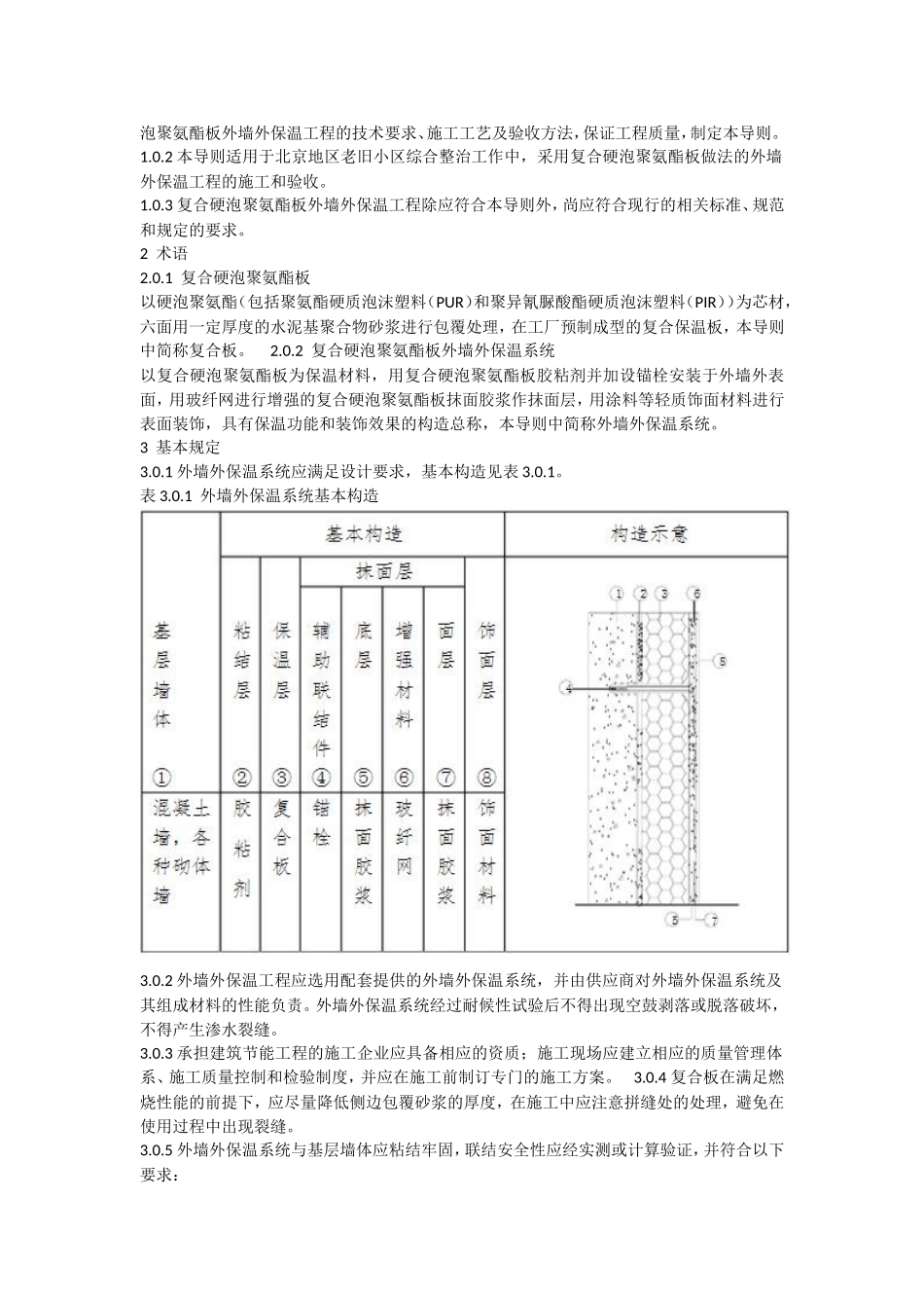
北京市老旧小区综合改造外墙外保温施工技术导则(复合硬泡聚氨酯板做法)二○一二年五月前言为贯彻我市老旧小区综合整治工作中对外墙外保温工程的相关规定,规范老旧小区综合改造外墙外保温工程施工和验收,编制本导则。本导则立足于我市老旧小区综合改造建筑外墙外保温的特点,结合既有居住建筑节能改造实践经验,在广泛征求意见的基础上,经反复讨论修改后完成。本导则主要内容包括:总则、术语、基本规定、技术要求、施工工艺、工程验收、其它注意事项和附录。本导则由北京市住房和城乡建设委员会负责管理,由北京住总集团有限责任公司负责具体技术内容的解释工作。主要编制单位:北京住总集团有限责任公司北京建筑技术发展有限责任公司北京建筑节能研究发展中心参与编制单位(排名不分先后):北京市建筑工程研究院有限责任公司德实慧(北京)新节能技术开发有限公司廊坊华宇创新科技有限公司拜耳材料科技(中国)有限公司万华节能建材股份有限公司上海华峰普恩聚氨酯有限公司精碳伟业(北京)科技有限公司烟台同化防水保温工程有限公司江苏绿源新材料有限公司北京华都宝拉建筑板材有限公司主要起草人:杨健康鲍宇清王庆生周宁钟衍孙桂芳张昭瑞钱选青谢锋王万金唐志勇沙丰刘越宋云峰张玮玮王建武高春青茅怀忠徐小勇葛晟鹏评审专家:艾永祥陶驷骥李晓明孙诗兵冯跃王建明王新民目次1总则.............................................................12术语.............................................................13基本规定.........................................................14技术要求.........................................................35施工工艺.........................................................56工程验收........................................................107其它注意事项....................................................128附录A材料现场复验项目............................................149附录B外墙外保温工程质量验收记录..................................1510附录C主要节点做法................................................1611附录D既有居住建筑节能改造外保温材料芯材最低厚度..................2012引用标准名录.......................................................211总则1.0.1为贯彻执行本市老旧小区综合改造工作中对外墙外保温工程的相关规定,规范复合硬泡聚氨酯板外墙外保温工程的技术要求、施工工艺及验收方法,保证工程质量,制定本导则。1.0.2本导则适用于北京地区老旧小区综合整治工作中,采用复合硬泡聚氨酯板做法的外墙外保温工程的施工和验收。1.0.3复合硬泡聚氨酯板外墙外保温工程除应符合本导则外,尚应符合现行的相关标准、规范和规定的要求。2术语2.0.1复合硬泡聚氨酯板以硬泡聚氨酯(包括聚氨酯硬质泡沫塑料(PUR)和聚异氰脲酸酯硬质泡沫塑料(PIR))为芯材,六面用一定厚度的水泥基聚合物砂浆进行包覆处理,在工厂预制成型的复合保温板,本导则中简称复合板。2.0.2复合硬泡聚氨酯板外墙外保温系统以复合硬泡聚氨酯板为保温材料,用复合硬泡聚氨酯板胶粘剂并加设锚栓安装于外墙外表面,用玻纤网进行增强的复合硬泡聚氨酯板抹面胶浆作抹面层,用涂料等轻质饰面材料进行表面装饰,具有保温功能和装饰效果的构造总称,本导则中简称外墙外保温系统。3基本规定3.0.1外墙外保温系统应满足设计要求,基本构造见表3.0.1。表3.0.1外墙外保温系统基本构造3.0.2外墙外保温工程应选用配套提供的外墙外保温系统,并由供应商对外墙外保温系统及其组成材料的性能负责。外墙外保温系统经过耐候性试验后不得出现空鼓剥落或脱落破坏,不得产生渗水裂缝。3.0.3承担建筑节能工程的施工企业应具备相应的资质;施工现场应建立相应的质量管理体系、施工质量控制和检验制度,并应在施工前制订专门的施工方案。3.0.4复合板在满足燃烧性能的前提下,应尽量降低侧边包覆砂浆的厚度,在施工中应注意拼缝处的处理,避免在使用过程中出现裂缝。3.0.5外墙外保温系统与基层墙体应粘结牢固,联结安全性应...

1、当您付费下载文档后,您只拥有了使用权限,并不意味着购买了版权,文档只能用于自身使用,不得用于其他商业用途(如 [转卖]进行直接盈利或[编辑后售卖]进行间接盈利)。
2、本站所有内容均由合作方或网友上传,本站不对文档的完整性、权威性及其观点立场正确性做任何保证或承诺!文档内容仅供研究参考,付费前请自行鉴别。
3、如文档内容存在违规,或者侵犯商业秘密、侵犯著作权等,请点击“违规举报”。

碎片内容

北京市老旧小区综合改造外墙外保温施工技术导则

文章天下+ 关注
实名认证
内容提供者

各种文档应有尽有

确认删除?
VIP
微信客服
  • 扫码咨询
会员Q群
  • 会员专属群点击这里加入QQ群
客服邮箱
回到顶部