电脑桌面
添加小米粒文库到电脑桌面
安装后可以在桌面快捷访问

电冰箱、空调器原理与维修-第五章-电冰箱-教案VIP免费

电冰箱、空调器原理与维修-第五章-电冰箱-教案_第1页
1/22
电冰箱、空调器原理与维修-第五章-电冰箱-教案_第2页
2/22
电冰箱、空调器原理与维修-第五章-电冰箱-教案_第3页
3/22
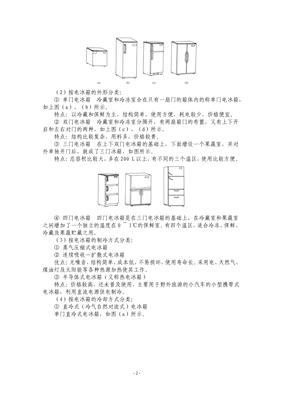
【课题】第五章 电 冰 箱第一节 家用电冰箱的种类和规格、型号新授课【教学目标】1.知识目标:了解电冰箱的种类、规格和型号。2.能力目标:通过理论知识的学习和应用,培养综合运用能力。3.情感目标:培养学生热爱科学,实事求是的学风和创新意识,创新精神。【教学重点】电冰箱种类、规格。【教学难点】依据不同方式将冰箱进行类别划分。【教学方法】读书指导法、分析法、演示法、练习法。【课时安排】4 学时【教学过程】〖导入〗家用电器中常见的电冰箱,随着多年的研制发展,已经形成品种、规格繁多,功能、用途各异的一大门类制冷设备,本节将了解一些冰箱种类、规格型号的知识,为后来的学习打下基础。〖新课〗第一节 家用电冰箱的种类和规格、型号一、电冰箱的功能家用电冰箱,家庭用来存储食物的冷藏与冷冻设备。在农业、生化、医疗卫生及科研等方面也有非常广泛的用途。二、电冰箱种类、规格1.电冰箱种类(1)按电冰箱的使用功能分类:① 冷藏箱② 冷冻冷藏箱③ 冷冻箱图为单门和双门电冰箱。- 1 -(2)按电冰箱的外形分类:① 单门电冰箱 冷藏室和冷冻室合在只有一扇门的箱体内的称单门电冰箱,如上图(a)、(b)所示。特点:以冷藏和保鲜为主,结构简单,使用方便,耗电较少,价格便宜。② 双门电冰箱 冷藏室和冷冻室分隔开,有两扇箱门的布置,又有上下开启和左右对门的两种,如上图(c)、(d)所示。特点:结构比较复杂,用料多,价格较贵。③ 三门电冰箱 在上下双门电冰箱的基础上,下面增设一个果蔬室,并对外单独开门后,就成了三门冰箱,如图所示。特点:总容积比较大,多在 200 L 以上,有不同的三个温区,使用比较方便。④ 四门电冰箱 四门电冰箱是在三门电冰箱的基础上,在冷藏室和果蔬室之间增加了一个独立的温度在 0 ~ 1℃的保鲜室。有四个温区,适合冷冻、保鲜、冷藏及果蔬贮藏之用。(3)按电冰箱的制冷方式分类:① 蒸气压缩式电冰箱② 连续吸收—扩散式电冰箱优点:无噪音,结构简单、成本低、不易损坏,使用寿命长。采用电、天然气、煤油灯及太阳能等各种热源加热使其工作。③ 半导体式电冰箱(又称热电冰箱)特点:价格较高,还未普及使用,主要用于野外旅游的小汽车的小型携带式电冰箱,利用直流电源供电制冷。(4)按电冰箱的冷却方式分类:① 直冷式(冷气自然对流式)电冰箱单门直冷式电冰箱,如图(a)所示。- 2 -直冷式双门冰箱的冷冻室和冷藏室都有各自的蒸发器,冷冻室和...

1、当您付费下载文档后,您只拥有了使用权限,并不意味着购买了版权,文档只能用于自身使用,不得用于其他商业用途(如 [转卖]进行直接盈利或[编辑后售卖]进行间接盈利)。
2、本站所有内容均由合作方或网友上传,本站不对文档的完整性、权威性及其观点立场正确性做任何保证或承诺!文档内容仅供研究参考,付费前请自行鉴别。
3、如文档内容存在违规,或者侵犯商业秘密、侵犯著作权等,请点击“违规举报”。

碎片内容

电冰箱、空调器原理与维修-第五章-电冰箱-教案

您可能关注的文档

百万精品文档+ 关注
实名认证
内容提供者

中小学学习资料教案课件

确认删除?
VIP
微信客服
  • 扫码咨询
会员Q群
  • 会员专属群点击这里加入QQ群
客服邮箱
回到顶部