电脑桌面
添加小米粒文库到电脑桌面
安装后可以在桌面快捷访问

初二物理期中考后易错知识总结专题四质量与密度VIP免费

初二物理期中考后易错知识总结专题四质量与密度_第1页
1/8
初二物理期中考后易错知识总结专题四质量与密度_第2页
2/8
初二物理期中考后易错知识总结专题四质量与密度_第3页
3/8
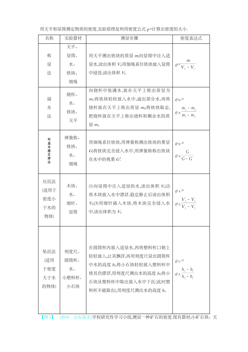
专题四质量与密度易错清单1.质量和重力质量重力概念物体所含物质的多少由于地球的吸引而使物体受到的力符号mG量性只有大小,没有方向既有大小,又有方向,且方向总是竖直向下单位千克(kg)牛顿(N)大小与地理位置的关系同一物体在任何位置质量大小均不变物体的重力随位置的变化而变化计算公式m=ρVG=mg测量工具天平、秤测力计联系重力和质量的关系式是G=mg,一般g=9.8N/kg2.密度与物重人们常说“大人比小孩重”,意思是大人的重力大于小孩的重力,这句话中的“重”是指重力;有时还说“铁比木头重”,意思是相同体积的铁块与木块相比,铁块重,这句话中的“重”表示密度,确切地说应该是“铁比木头密度大”.3.物质与物体物质与物体的含义不同,物体是由各种物质组成的.比如铁是一种物质,由铁组成的物体有铁球、铁棍等;茶杯是物体,陶瓷和玻璃是物质,用陶瓷可以做成陶瓷茶杯,用玻璃可以做成玻璃茶杯.名师点拨测量物体密度的一般方法用天平和量筒测定物质的密度,实验原理是利用密度公式ρ=计算出密度的大小.名称实验器材测量步骤密度表达式称量法天平、量筒、水、铁块、细绳用天平测出铁块的质量m;向量筒中注入适量水,读出体积V1;用细绳系住铁块放入量筒中浸没,读出体积V2.ρ=溢水法烧杯、水、铁块、天平向烧杯中装满水,放在天平上称出质量为m1;将铁块轻轻放入水中,溢出部分水,再将烧杯放在天平上称出质量m2;将铁块取走,把烧杯放在天平上称出烧杯和剩余水的质量m3.ρ铁=ρ水弹簧称、铁块、水、细绳用细绳系住铁块,用弹簧称测出铁块的重量G;将铁块完全浸入水中,用弹簧称称出铁块在水中的视重G'.ρ铁=ρ水压沉法(适用于密度小于水的物体)木块、水、细针、量筒(1)向量筒中注入适量的水,读出体积V1;(2)将木块放入水中漂浮,稳定静止后读出体积V2;(3)用细针插入木块,将木块完全浸入水中,读出体积为V3.ρ木=ρ水坠沉法(适用于密度大于水的物体)刻度尺、圆筒杯、水、小塑料杯、小石块在圆筒杯内放入适量水,再将塑料杯口朝上轻轻放入,让其飘浮,再用刻度尺量出圆筒杯中水的高度h1;将小石块轻轻放入塑料杯中使其仍漂浮,用刻度尺测出水的高度h2;将小石块从塑料杯中取出放入水中下沉(此时塑料杯不能取出),用刻度尺测出水的高度h3.ρ石=ρ水【例1】(2014·山东泰安)学校研究性学习小组,测量一种矿石的密度.现有器材;小矿石块、天平(含砝码)、一个烧杯、足量的水、细线.小组同学们设计了一种测量矿石密度的方案如下:图1图2(1)调节天平平衡后,小明用天平测量矿石块的质量,如图1,指出实验操作中的错误:.改正错误后,小明用正确的方法称矿石块的质量,平衡时放在盘中的砝码和游码在标尺上的位置如图2,则矿石块的质量m0为g;(2)在烧杯中倒满水,称出烧杯和水的总质量m1;(3)将矿石块轻轻放入装满水的烧杯中,矿石块沉入杯底,烧杯溢出水后,将烧杯壁外的水擦干净,放在天平左盘上,称出此时烧杯、杯内矿石和水的总质量m2;(4)写出矿石密度的表达式:ρ矿石=(用m0、m1、m2、ρ水来表示).【解析】(1)在称量过程中,小明用手拿砝码了,这样会使砝码生锈;并且游码没有拨到标尺左端的零刻度线处.m0=20g+20g+5g+2.4g=47.4g.(4)物体的质量为m0.溢出水的质量为m1+m0-m2.则V=V溢=,所以ρ=【答案】(1)用手直接拿砝码47.4(4)ρ=.提分策略【趋势总览】从近三年的各地中考来看,对本部分的考查呈现如下趋势:1.本专题的常考题型有选择题、填空题、实验题和计算题;2.考试内容主要包括质量的概念内涵、天平的使用、密度及其测量方法;中考热点是密度的测量、密度有关的计算;3.通过对质量和密度知识的考查,会涉及单位换算、天平和量筒的使用、探究实验设计、计算等问题,一般还要与压强、浮力等学科内知识综合考查,试题较灵活,具有一定的综合性及难度.2015年的中考命题方向预测:质量与密度的概念理解、密度的测量、密度有关的计算.【锦囊妙计】1.理解质量的概念质量表示物体中含有物质的多少.物质的质量与物体的形状、物态及其所处的空间位置无关,质量是物体的一个基本属性.2.使用托盘天平的方法及注意事项:操作流程操作要点及注意事项1.放平将天平放在水平、稳定的工作台面上;若是学生天平,则应该先调节底板水平.2.归零切记:在每次测量开始前都要将游码拨...

1、当您付费下载文档后,您只拥有了使用权限,并不意味着购买了版权,文档只能用于自身使用,不得用于其他商业用途(如 [转卖]进行直接盈利或[编辑后售卖]进行间接盈利)。
2、本站所有内容均由合作方或网友上传,本站不对文档的完整性、权威性及其观点立场正确性做任何保证或承诺!文档内容仅供研究参考,付费前请自行鉴别。
3、如文档内容存在违规,或者侵犯商业秘密、侵犯著作权等,请点击“违规举报”。

碎片内容

初二物理期中考后易错知识总结专题四质量与密度

文章天下+ 关注
实名认证
内容提供者

各种文档应有尽有

相关文档

确认删除?
VIP
微信客服
  • 扫码咨询
会员Q群
  • 会员专属群点击这里加入QQ群
客服邮箱
回到顶部